Unstable fuel pressure

Tiny
MARIOC68
  • MEMBER
  • 1995 TOYOTA COROLLA
  • 220,000 MILES
Hi, I have problems in terms of performance, loss of power of my car, checking the fuel pressure I find unstable. The residual pressure after five minutes is approximately 17 psi.
Thursday, April 25th, 2019 AT 10:12 AM

17 Replies

Tiny
ASEMASTER6371
  • MECHANIC
  • 52,796 POSTS
Good afternoon,

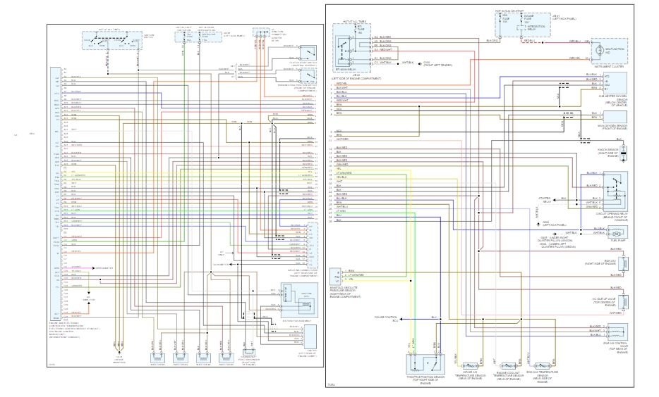
I attached readings for both engines.

As far as the drop in pressure that could come from an injector leaking down, pressure regulator failure or the pump itself which is what I think it is.

Roy

1.6

FUEL PRESSURE VALUES
Key ON, engine OFF, FP - B+ jumped. 265 - 304 kPa (38 - 44 psi)
At idle, vacuum hose disconnected. 265 - 304 kPa (38 - 44 psi)
At idle, vacuum hose connected. 206 - 255 kPa (31 - 37 psi)
Residual pressure after 5 minutes. 147 kPa (21 psi or more)

1.8

FUEL PRESSURE VALUES
Key ON, engine OFF, FP - B+ jumped. 265 - 304 kPa (38 - 44 psi)
At idle, vacuum hose disconnected. 265 - 304 kPa (38 - 44 psi)
At idle, vacuum hose connected. 206 - 255 kPa (31 - 37 psi)
Residual pressure after 5 minutes. 147 kPa (21 psi or more)
Was this
answer
helpful?
Yes
No
Thursday, April 25th, 2019 AT 1:41 PM
Tiny
MARIOC68
  • MEMBER
  • 120 POSTS
With the FP and + B jumper, it gives 44 psi. Engine started, with vacuum hose disconnected, also 44 psi (here I can notice only certain vibrations in the manometer needle).
Was this
answer
helpful?
Yes
No
Thursday, April 25th, 2019 AT 2:24 PM
Tiny
ASEMASTER6371
  • MECHANIC
  • 52,796 POSTS
What about the pressure without the jumper?

Roy
Was this
answer
helpful?
Yes
No
Thursday, April 25th, 2019 AT 2:39 PM
Tiny
MARIOC68
  • MEMBER
  • 120 POSTS
I already described it. Without the jumper, vacuum hose disconnected, 44 psi. Without the jumper, with the hose connected, erratic reading, which shows the video.
Was this
answer
helpful?
Yes
No
Thursday, April 25th, 2019 AT 2:45 PM
Tiny
ASEMASTER6371
  • MECHANIC
  • 52,796 POSTS
Got it. I saw the video. If it does not vary with the hose off, that is good.

If it varies only with the hose connected then it looks like the regulator itself is the issue.

Roy
Was this
answer
helpful?
Yes
No
Thursday, April 25th, 2019 AT 2:56 PM
Tiny
MARIOC68
  • MEMBER
  • 120 POSTS
Is there any way to verify or test the fuel pressure regulator, if this is the culprit?
Was this
answer
helpful?
Yes
No
Thursday, April 25th, 2019 AT 3:18 PM
Tiny
ASEMASTER6371
  • MECHANIC
  • 52,796 POSTS
If you have stable pressure with it disconnected and fluctuating with it connected, then the only thing is the regulator.

Is the vacuum strong at the regulator hose?
Was this
answer
helpful?
Yes
No
Thursday, April 25th, 2019 AT 3:28 PM
Tiny
MARIOC68
  • MEMBER
  • 120 POSTS
Perform a couple of vacuum tests on the intake manifold. Use two different gauges, both indicate 20 inch hg. But one with very slight fluctuation, almost imperceptible; with the other tool the fuctuacion is greater, as indicated by the fuel manometer. The two tools of different brand.
Was this
answer
helpful?
Yes
No
Friday, April 26th, 2019 AT 4:39 PM
Tiny
MARIOC68
  • MEMBER
  • 120 POSTS
This tool, erratic readings with a lot of variation.
Was this
answer
helpful?
Yes
No
Friday, April 26th, 2019 AT 4:41 PM
Tiny
ASEMASTER6371
  • MECHANIC
  • 52,796 POSTS
For that to cause it the fluctuation would have to be drastic.

You need a regulator.

Roy
Was this
answer
helpful?
Yes
No
Friday, April 26th, 2019 AT 4:42 PM
Tiny
ASEMASTER6371
  • MECHANIC
  • 52,796 POSTS
Got it.

Does it hold vacuum when you pump it up with the engine off?

Roy
Was this
answer
helpful?
Yes
No
Friday, April 26th, 2019 AT 4:43 PM
Tiny
MARIOC68
  • MEMBER
  • 120 POSTS
With this the reading is much more stable.
Was this
answer
helpful?
Yes
No
Friday, April 26th, 2019 AT 4:44 PM
Tiny
MARIOC68
  • MEMBER
  • 120 POSTS
Perform a vacuum test only on the regulator (with engine off), connecting the vacuum gun to the regulator. The vacuum is maintained, reaching a maximum of 25 inch Hg.
Was this
answer
helpful?
Yes
No
Friday, April 26th, 2019 AT 4:49 PM
Tiny
ASEMASTER6371
  • MECHANIC
  • 52,796 POSTS
Okay, then you need a regulator.

Roy
Was this
answer
helpful?
Yes
No
Friday, April 26th, 2019 AT 5:02 PM
Tiny
MARIOC68
  • MEMBER
  • 120 POSTS
Ok. Tank you.
Was this
answer
helpful?
Yes
No
Friday, April 26th, 2019 AT 5:54 PM
Tiny
MARIOC68
  • MEMBER
  • 120 POSTS
Excuse me, how much should the regulator admit of empty when it is in good condition?
Was this
answer
helpful?
Yes
No
Friday, April 26th, 2019 AT 6:00 PM
Tiny
ASEMASTER6371
  • MECHANIC
  • 52,796 POSTS
It does not empty. It limits. It maintains a certain predetermined pressure.

Roy
Was this
answer
helpful?
Yes
No
Friday, April 26th, 2019 AT 6:12 PM

Please login or register to post a reply.