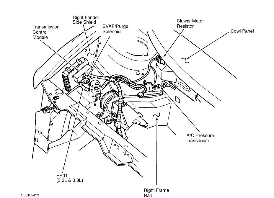
Tuesday, July 2nd, 2013 AT 4:01 PM
Car stopped going down the freeway. Got off the road got it towed to a garage. They said the fuel tank frame was broken and gas was not being distributed properly. Replaced the bracket and then the car still would not start. No codes. They then said it might be the catalytic converter. Checked that and it was not blocked. They said take it to dealer. Cost $130. Then towed it to a Dodge Dealer repair center. They said it was the map sensor. Replaced it and the car started but still doing dead like before. They didn't know what was causing it but thought it might be the catalytic converter. Recommended I not go any further because the bill would be more than the car's value. I paid them $300. Just to replace the map sensor. Then I was told of a reputable mechanic and called and talked with him. He said he would look at it. After three days, he looked at it and told me it was the pigtail on the map sensor. Very difficult part to find and took four more days to get it. Then today, called and said that wasn't it and I should pick up the car. He said still no codes. I asked if it could be the brain. He said that's a possibility but doesn't want to chance it. Already owe him $200. Do you have any suggestions. The car only has 108,000 miles on it. Had to dump it when I know the problem can be resolved if we can just figure it out.


