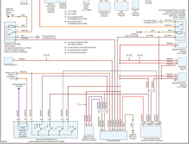
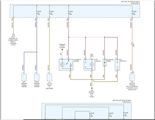
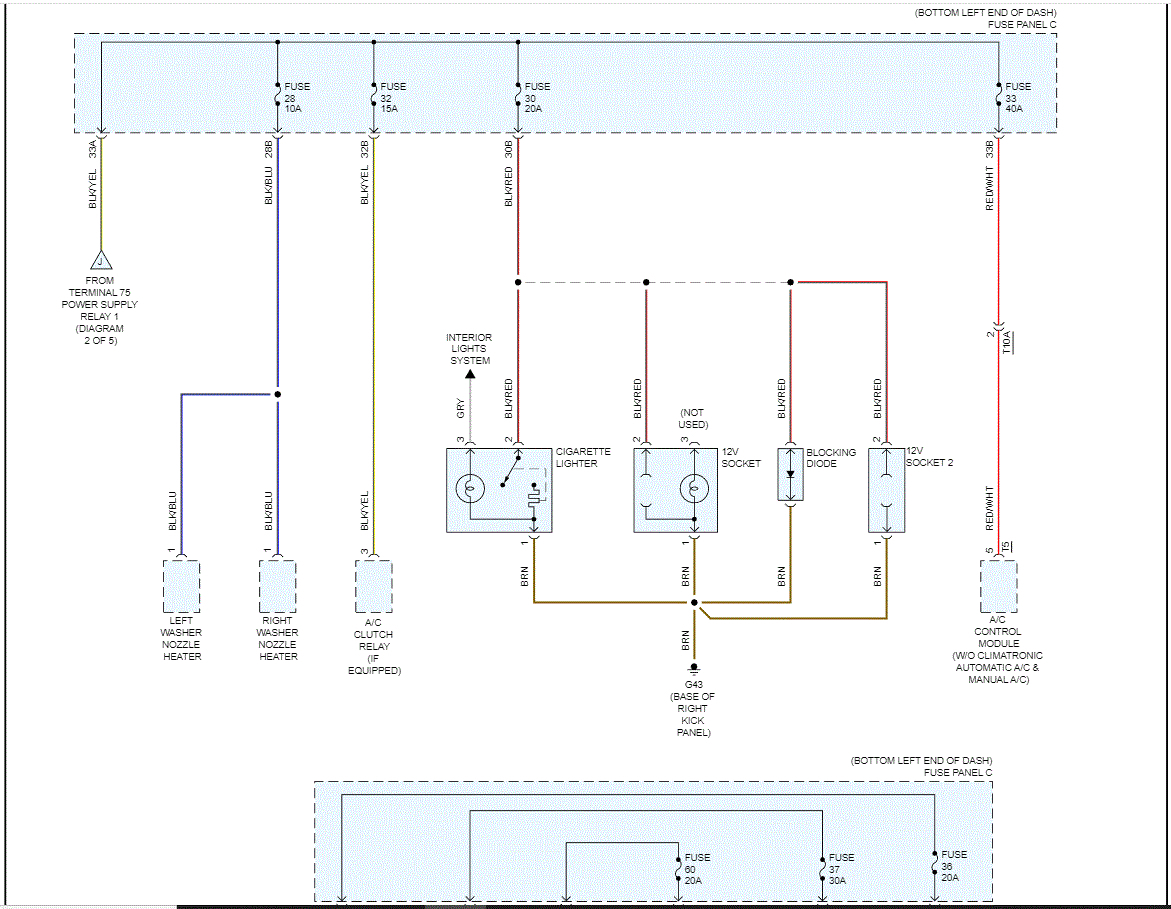
I have the car listed above TSI, it has started to blow out fuse for my A/C. Replace it with a same fuse it was originally installed. So, one day I turn on my A/C and I noticed it stopped blowing cold air and a burning smell or was in my car. So, I turned off my A/C. When I got home I removed the fuse cover and there it was my fuse was melted. Any idea why this happened?
Thursday, June 2nd, 2022 AT 4:50 PM

















