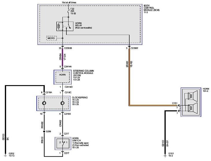
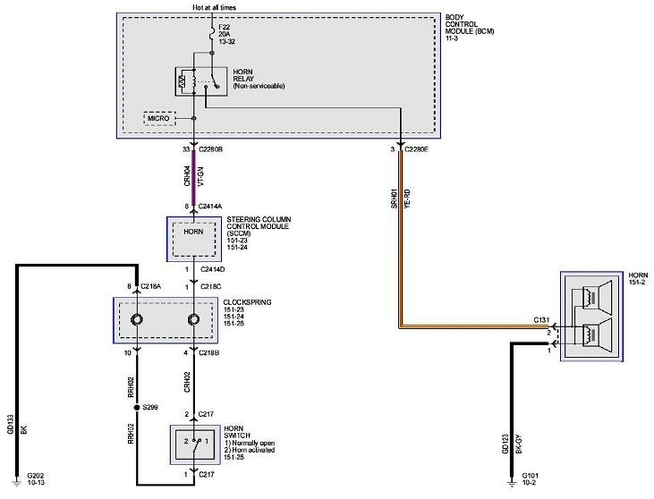
Horn wire color

Tiny
CHUCK NIEMANN
  • MEMBER
  • 2011 FORD F-150
  • 3.5L
  • 6 CYL
  • TURBO
  • 2WD
  • AUTOMATIC
  • 476,755 MILES
What color is the horn wire in the steering column?
Wednesday, December 11th, 2019 AT 7:05 AM

1 Reply

Tiny
CARADIODOC
  • MECHANIC
  • 34,449 POSTS
The only color shown is the violet/green after the Steering Column Control Module. The engineers don't know how to design a simple horn circuit like those that worked fine for almost 100 years. Since the early 2000's, there's two computers involved in blowing the horn on Ford products. All of the steering wheel switches are "multiplexed", then digital signals are generated that travel through the clock spring on just a few circuits. Those signals are interpreted by the Body Control Module, and it turns on the horn.
Was this
answer
helpful?
Yes
No
+1
Wednesday, December 11th, 2019 AT 4:14 PM

Please login or register to post a reply.