Sunday, November 10th, 2019 AT 4:23 PM
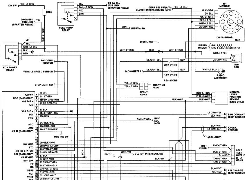
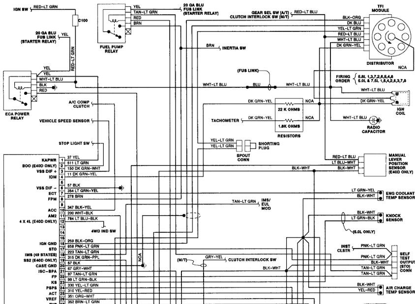
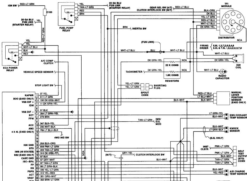
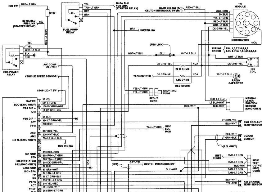
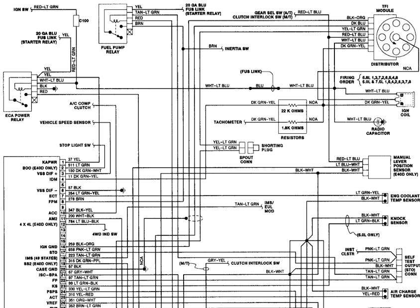
Replaced ignition actuator, turned ignition switch on dash lights come on here fuel pump turn on turns over doesn't start. Have 12v at the coil but no spark. Checked power at control mod, term 4 12v positive with switch on, terminal 6 have 7v negative with switch on. With ignition switch off have 12v negative at term 6. Think there should be 12v negative at term 6 with switch on.



