Turn signals will not work

Tiny
YEETICUS
  • MEMBER
  • 1987 OLDSMOBILE CUTLASS
  • 2.8L
  • V6
  • 2WD
  • AUTOMATIC
  • 63,331 MILES
Bulbs are not burnt, I have replaced the fuse and still nothing. Hazards and everything else work.
Thursday, October 11th, 2018 AT 9:51 PM

1 Reply

Tiny
ASEMASTER6371
  • MECHANIC
  • 52,796 POSTS
Good morning.

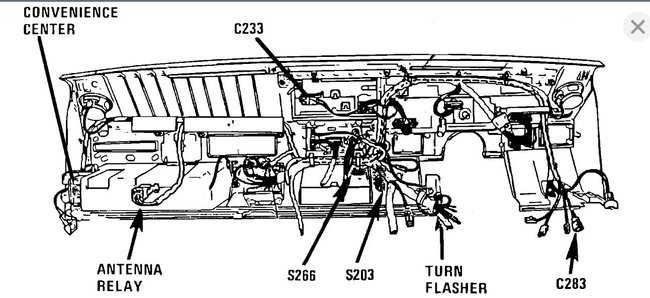
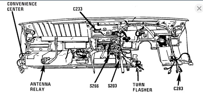
The older cars have a separate flasher for the turn signals and hazards. I attached a picture of the location for you. Try replacing this flasher. You should be able to reach under the dash and remove it.

Roy

The turn flasher is located behind I/P, right of steering column.
Was this
answer
helpful?
Yes
No
-2
Friday, October 12th, 2018 AT 3:20 AM

Please login or register to post a reply.