Thursday, April 30th, 2020 AT 9:31 PM
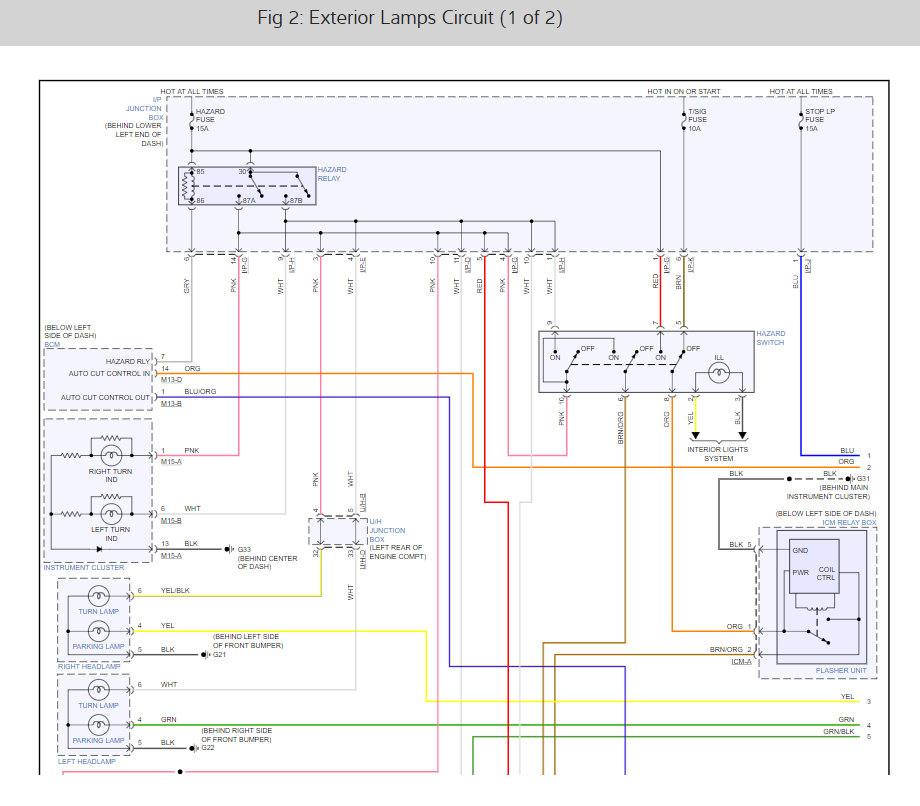
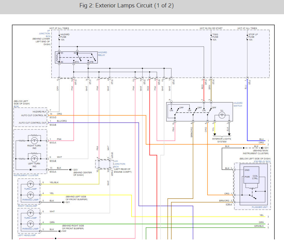
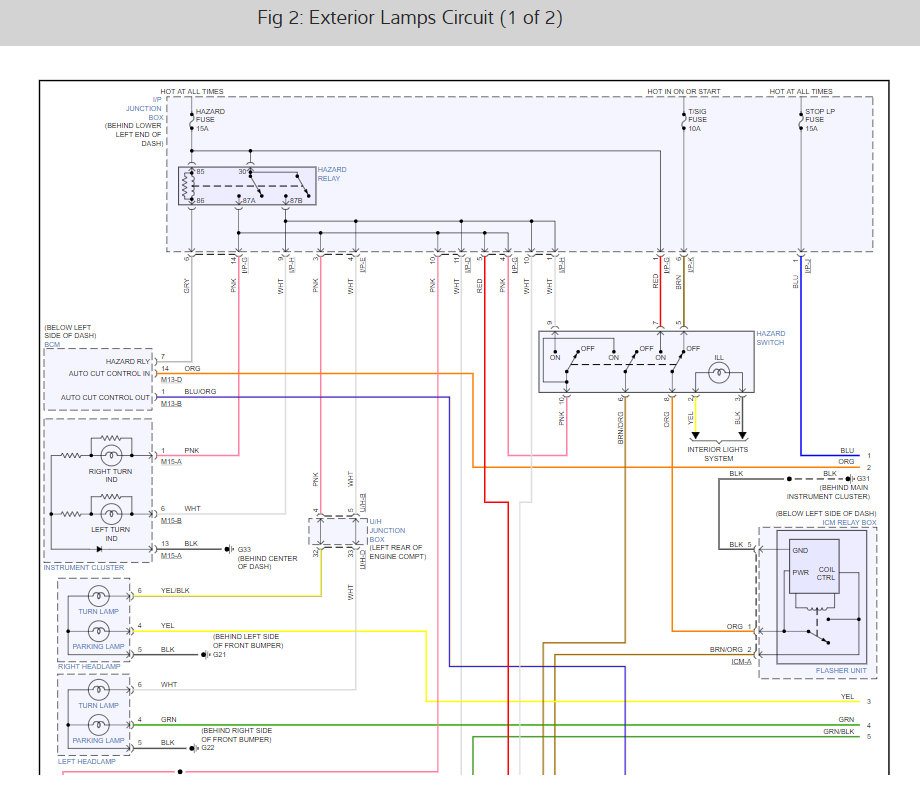
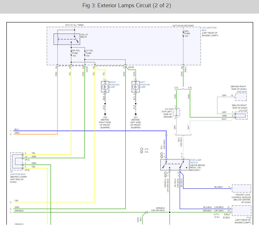
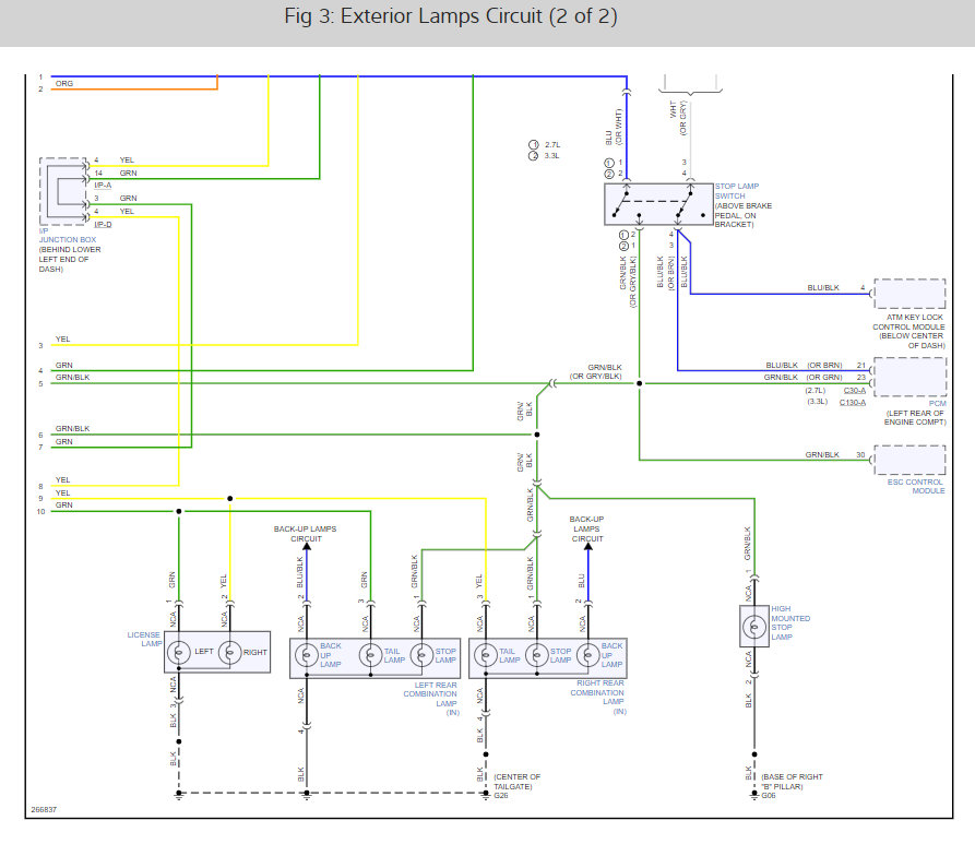
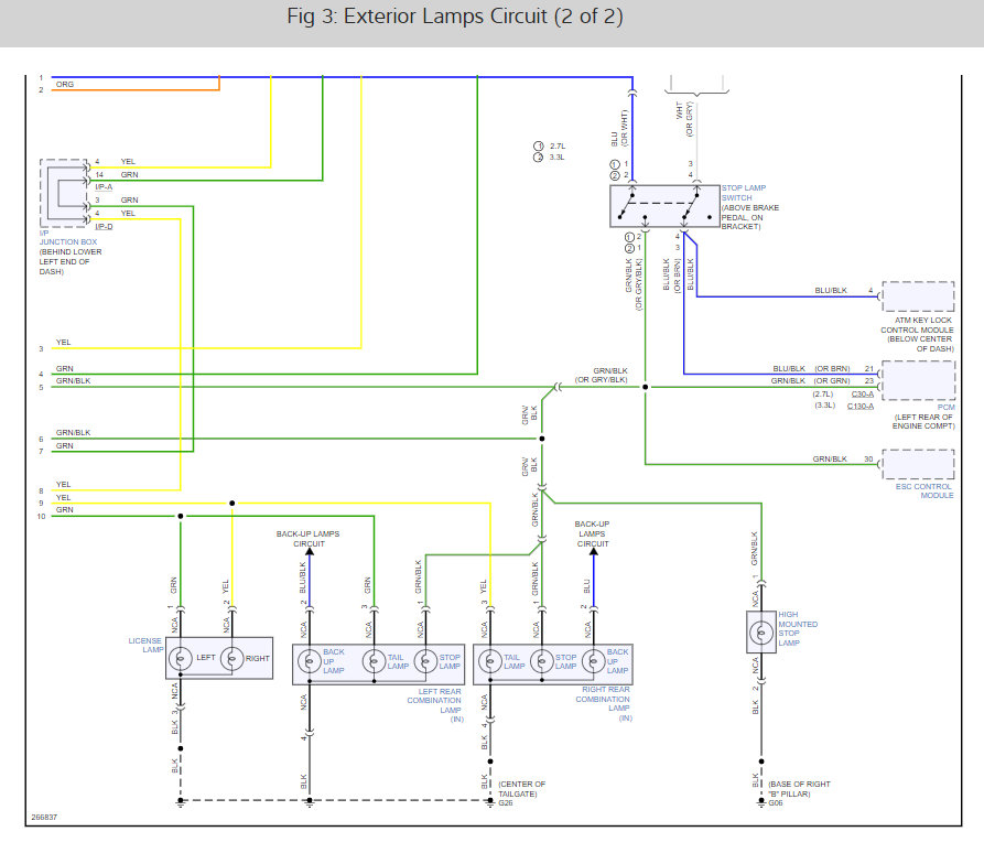
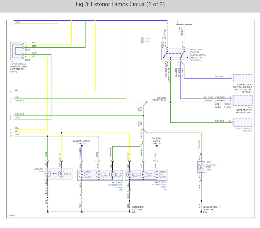
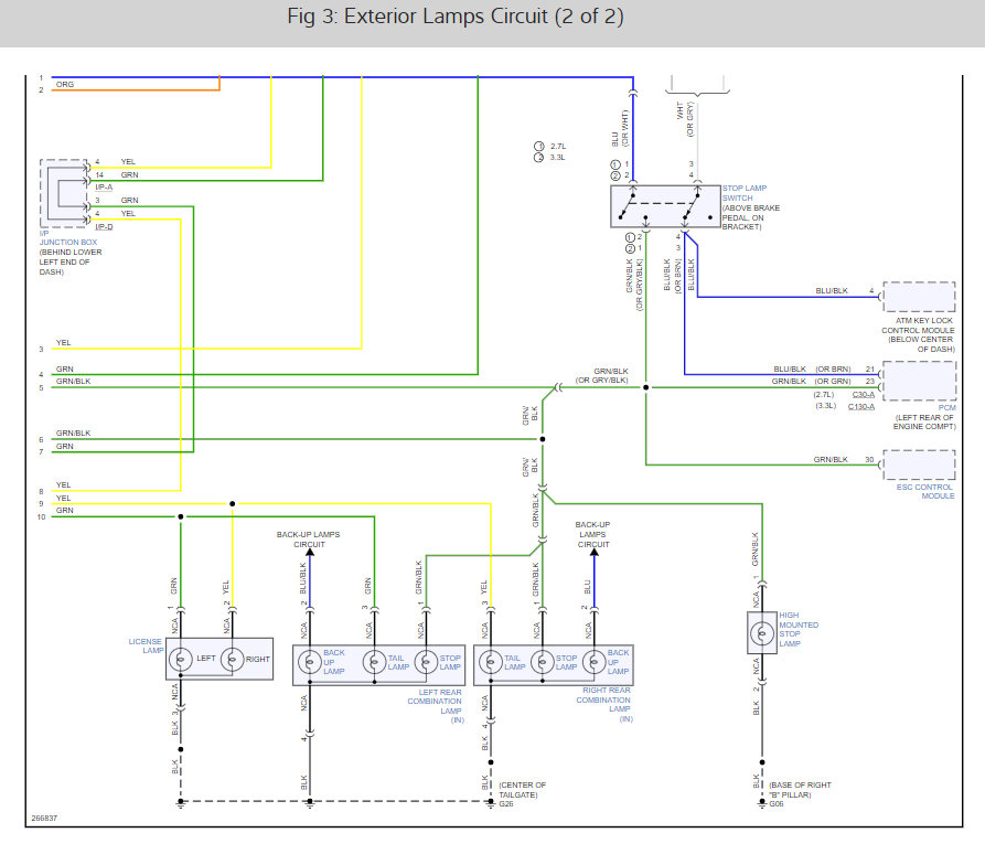
My turn signals randomly just quit. No indicators, no clicking, nothing. I checked the fuses and the bulbs and they were all fine. Flashers still work fine. I replaced the ICM relay box and that solved the problem form about a day and now they are right back to not working again. I ran a scan on the the car and came up with no codes.





