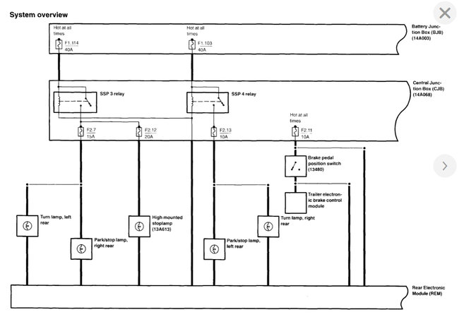
Turn signals not working correctly

Tiny
HMORR8
  • MEMBER
  • 2003 FORD WINDSTAR
  • 6 CYL
  • 4WD
  • AUTOMATIC
  • 80,000 MILES
Lights flash rapidly turn signals don't work. Fuses okay.
Saturday, January 15th, 2022 AT 1:19 PM

1 Reply

Tiny
SQM
  • MECHANIC
  • 6,383 POSTS
Hello,

One of most common reasons for rapid flashes or hyper flashes is due to having bulb(s) burnt. Even if you have a corner light burnt it will hyper flash due to not having specific resistance.

Faulty wiring can also trigger hyper flashing turn signal light.
So first you want to make sure that each bulb is functional before checking for any other issues.

Take a look at this helpful guide, it goes over the basics:

https://www.2carpros.com/articles/turn-signals-blink-rapidly

Let me know what you find.
Thank you.
Was this
answer
helpful?
Yes
No
Saturday, January 15th, 2022 AT 5:15 PM

Please login or register to post a reply.