Turn signal switch replacement?

Tiny
KALIEB-H
  • MEMBER
  • 2008 DODGE CHARGER
  • 3.5L
  • V6
  • 2WD
  • AUTOMATIC
  • 165,000 MILES
My bulbs aren’t out and seem work fine but sometimes when I turn the signal switch to the right the left signal comes and and when I signal left it won’t always turn on, but when it does turn on and I go to turn it off manually it activates the right signal or just is delayed. I’m thinking it might be loose wiring, but I’m not sure where to start looking.
Thursday, January 16th, 2020 AT 3:04 PM

2 Replies

Tiny
JACOBANDNICKOLAS
  • MECHANIC
  • 110,194 POSTS
I have to be honest, based on the description, it sounds like the switch is bad. Replacement of the switch is somewhat involved because it is part of the steering mount control module. It requires removal of the steering wheel, and a few other components. If you feel comfortable, here are the directions. The attached pics correlates with the directions.

____________________________________________

2008 Dodge Charger V6-3.5L
Removal
Vehicle Steering and Suspension Steering Steering Mounted Controls Communication Module Service and Repair Removal and Replacement Module-Steering Column Control Removal
REMOVAL
REMOVAL

WARNING: To service any component of the SCCM, the entire assembly must be removed from the column. This must be done due to the clockspring passing through the assembly and into the self docking connector. Failure to remove the assembly could damage the pins of the clockspring and prevent the airbag system from operating properly.

WARNING: Before servicing the steering column the airbag system must be disarmed. Refer to restraint system for service procedures. Failure to do so may result in accidental deployment of the airbag and possible personal injury or death.

CAUTION: All fasteners must be torqued to specification to ensure proper operation of the steering column.

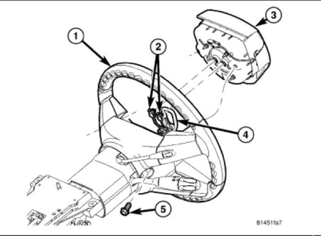
Pic 1

1. Position the front wheels straight-ahead.
2. Fully extend or pull out adjustable steering column.
3. Disconnect the negative (ground) cable from the battery.
4. Remove the driver airbag (3). See: Air Bag > Removal and Replacement > Driver Airbag - Removal

pic 2

5. Remove the steering wheel retaining bolt (2), then slide the steering wheel (1) off the shaft.

Pic 3

6. Unscrew at least one clock spring screw (1) but don't take it all the way out, This will help keep the clockspring from uncentering itself.

Pic 4

7. Back out the set screw (1) through the access hole (3) in the bottom of the Steering Column Control Module (SCCM) (2).

Pic 5

8. Pull the SCCM (1) off the steering column shaft.
9. To service the individual components contained within the SCCM, See: Steering Mounted Controls Communication Module > Removal and Replacement > Disassembly.

____________________________________

2008 Dodge Charger V6-3.5L
Disassembly
Vehicle Steering and Suspension Steering Steering Mounted Controls Communication Module Service and Repair Removal and Replacement Module-Steering Column Control Disassembly
DISASSEMBLY
DISASSEMBLY

pic 6

WARNING: To service any component of the SCCM, the entire assembly must be removed from the column. This must be done due to the clockspring passing through the assembly and into the self docking connector. Failure to remove the assembly could damage the pins of the clockspring and prevent the airbag system from operating properly.

1. Loosen the three clockspring screws (1) just far enough to release the clock spring from the SCCM. Leave them in the clockspring so it won't unwind.

Pic 7

2. Carefully pull straight up on clockspring to remove.

NOTE: After the clockspring is removed, there is only one more screw on the top side of the SCCM that needs to be removed and is located at approximately the six o'clock position on the SCCM. It holds the lower side of the steering angle sensor, the lower side of the electric tilt lever assembly, or the strengthening strut if not equipped with electric tilt.

Pic 8

3. If equipped with ESP, remove the steering angle sensor screw located at the six o'clock position on the SCCM and remove the steering angle sensor (1) from the SCCM (2). If not equipped with ESP, there will be a plastic insert there for strengthening of the SCCM that will lift right out.

Pic 9

4. If equipped with manual telescoping column, remove the strut screw, located at the six o'clock position, and strut (1).

Pic 10

5. If equipped with electronic telescoping column, remove the one remaining screw (4) to electric tilt located at the six o'clock position, and remove stalk and switch (3).

Pic 11

6. Remove the speed control switch (1).

Pic 12

7. Remove the three screws (1) at the bottom of the SCCM shroud for the multi-function switch and Steering Control Module (SCM).

Pic 13

8. Separate the multi-function switch from the SCM.

______________________________________________

Let me know if this helps.

Joe
Was this
answer
helpful?
Yes
No
+1
Friday, February 12th, 2021 AT 12:31 PM
Tiny
KASEKENNY
  • MECHANIC
  • 18,907 POSTS
It could be a wiring issue however the multifunction switch is a common cause of this. If it were me I would just replace the switch and then retest it as it is pretty common failure.

Let me know if you have questions. Thanks
Was this
answer
helpful?
Yes
No
+1
Friday, February 12th, 2021 AT 12:31 PM

Please login or register to post a reply.