When I put on the left turn signal all of the flashers light up in the back?

Tiny
POWELLKC2827
  • MEMBER
  • 2000 CHEVROLET 1500
  • V8
  • 4WD
  • AUTOMATIC
  • 200,000 MILES
Replaced the combination flasher sensor and it is still doing the same thing, no change. Any suggestions?
Friday, September 8th, 2023 AT 7:51 AM

3 Replies

Tiny
JACOBANDNICKOLAS
  • MECHANIC
  • 110,194 POSTS
Hi,

What happens if you use the right signal? Do any other lights turn on or flash?

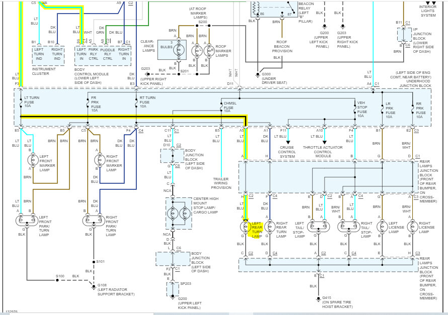
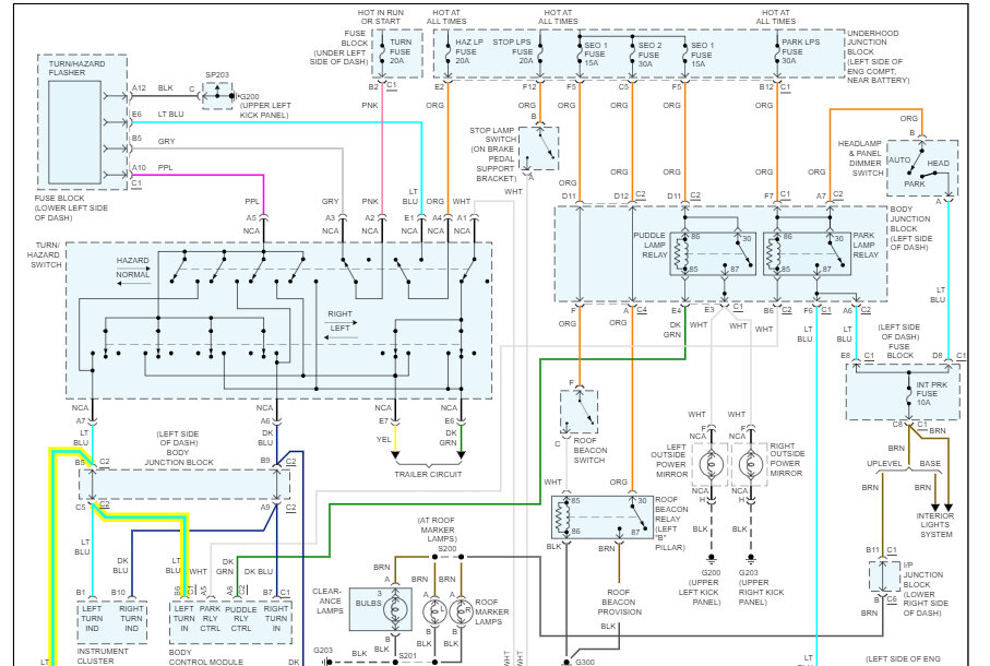
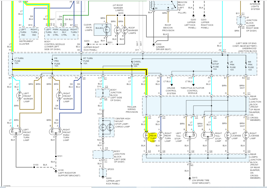
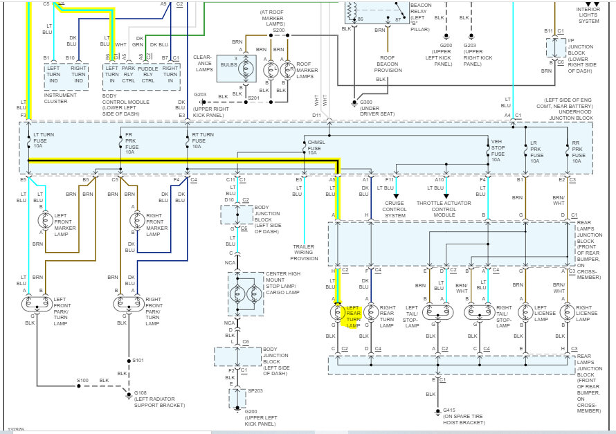
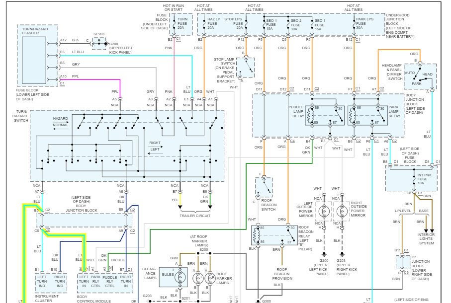
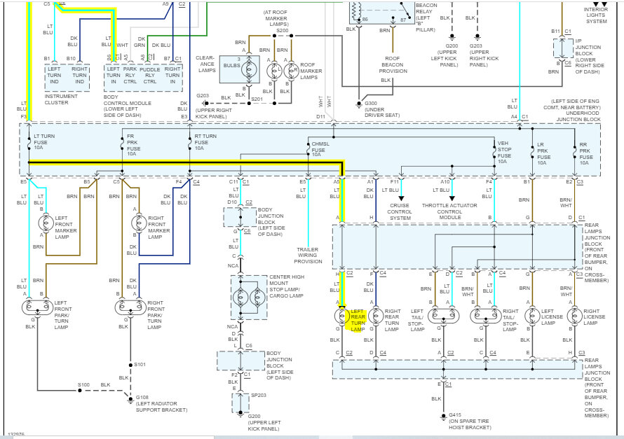
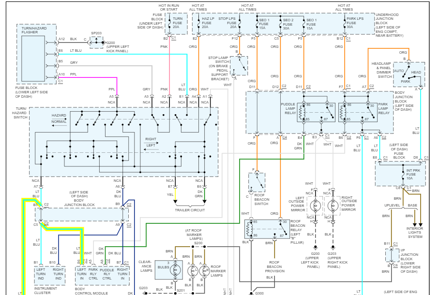
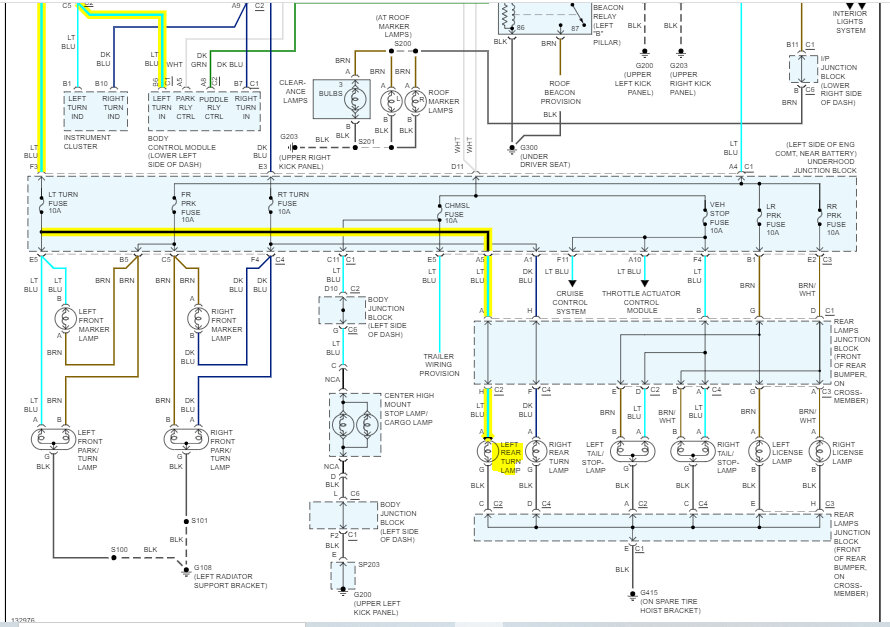
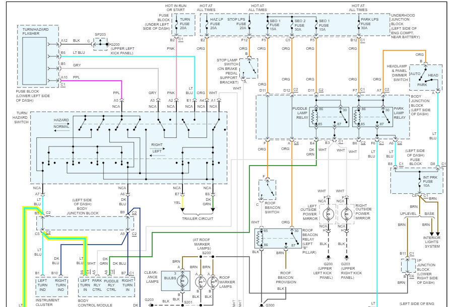
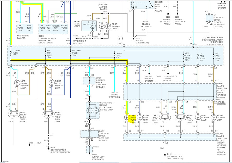
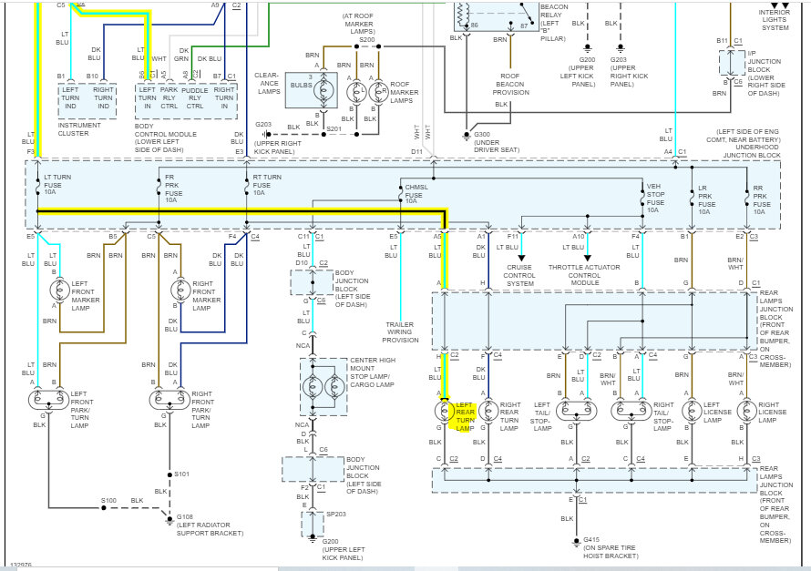
I attached the wiring schematic below related to exterior wiring. I have a question. Does the vehicle have a trailer wiring harness? If it does, disconnect it and see if the problem stops.

If there isn't one, you replaced the flasher, and nothing happens out of the ordinary with the right signal, my first suspect would have been the switch. However, if there was a short to power, it would happen when you used the right signals as well. Also, the front bulb would light up as well as the rear because the wiring is tied together (front/rear) I'm thinking there is a problem with the junction block in front of the rear bumper and mounted to the cross member. If there is some issue there, that would potentially eliminate the front right from flashing with the right rear. Ugh. This is an odd one.

Check the box and let me know what you find. Also, inspect the wiring to and from the box for evidence of damage.

Take care,

Joe

See pics below.
Was this
answer
helpful?
Yes
No
Friday, September 8th, 2023 AT 7:19 PM
Tiny
POWELLKC2827
  • MEMBER
  • 2 POSTS
Thank you for your help. Turns out it was wiring at the back of the bed associated with trailer hitch lighting. Man what a headache that was to run down! So appreciate your suggestions - they made the job a lot easier to figure out.
Was this
answer
helpful?
Yes
No
Sunday, September 10th, 2023 AT 6:21 PM
Tiny
JACOBANDNICKOLAS
  • MECHANIC
  • 110,194 POSTS
Hi,

You are very welcome. I just hope I helped. Also, thanks for the update. I'm glad to know you have resolved the issue. By the way, anytime there are electrical issues, they always seem to be a headache. LOL, I totally understand.

Take care of yourself and feel free to come back anytime in the future. You are always welcome here.

Joe
Was this
answer
helpful?
Yes
No
+1
Sunday, September 10th, 2023 AT 7:38 PM

Please login or register to post a reply.