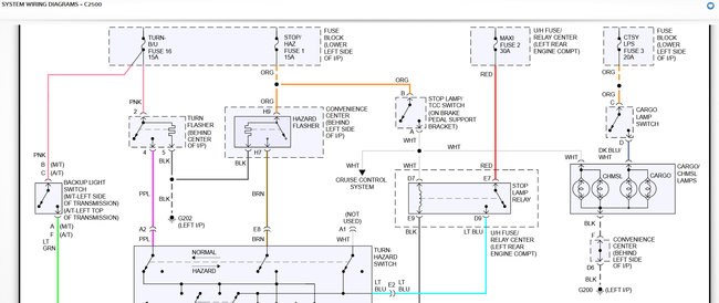
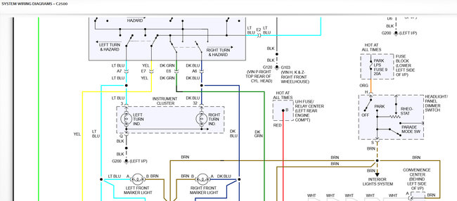
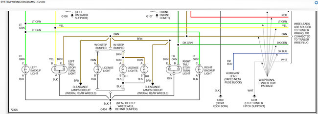
I checked the fuse the have 12v, and I replaced the turn signal flasher. It is a 3 blade relay (I even used a 4 blade). The back of the relay I get 12v power to the pink wire. I assume black is ground and the other purple wire not sure where that goes to.
Any help there? Could the relay be bad?
any way of testing the relay? It say ebl (earth, ground and load, correct?)
where is the ground? To the turn signal relay located?
also noticed this green wire that leads into the turn signal switch cluster. Do not think it supposed to be like that or is it?
Saturday, October 5th, 2019 AT 6:26 PM





