Turn signals do not make clicking sound

2003 INFINITI FX35
150,000 MILES • AUTOMATIC
Avatar
ZMAL
  • MEMBER
  • 2 POSTS
Turn signals still work just don't make the clicking noise.
Jun 15, 2020 at 2:34 PM
Repair Safety Notice: This information is for general instructional purposes only. Vehicle repair can be dangerous. Verify all information, follow manufacturer service procedures, use proper tools and safety equipment, and consult a qualified repair shop when needed.
Advertisement
Avatar
KASEKENNY
  • AUTOMOTIVE REPAIR CONTRIBUTOR
  • 18,907 POSTS
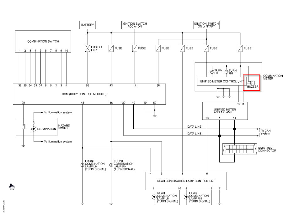
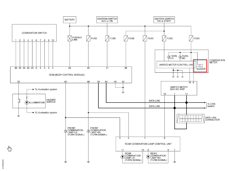
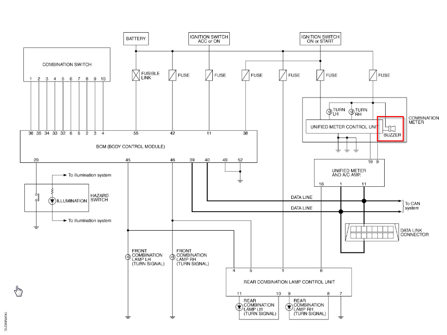
This is actually part of the combination meter. Take a look at the attachments and you will see I circled the "buzzer" that is what actually makes the sound on your vehicle. It used to be the actual flasher that would make this noise and you would hear the clicking of the relay contacts but your vehicle doesn't have one. The BCM is what controls the turn signals so they had to introduce this noise so that people know that their turn signal was on.

Let us know if you have questions. Thanks
Jun 15, 2020 at 3:22 PM
Advertisement
Avatar
ZMAL
  • MEMBER
  • 2 POSTS
Thanks the pictures helped a lot!
Jun 15, 2020 at 8:20 PM
Avatar
KASEKENNY
  • AUTOMOTIVE REPAIR CONTRIBUTOR
  • 18,907 POSTS
You are welcome. Thanks for using 2CarPros. Let us know how you make out. Thanks
Jun 16, 2020 at 4:44 PM