Turn signals, brakd lights and hazard lights have stopped working

Tiny
EUGENE ROBINSON
  • MEMBER
  • 1996 MERCURY COUGAR
  • 4.6L
  • V8
  • RWD
  • AUTOMATIC
  • 84,000 MILES
Turn signals, brake lights and the hazard lights have stopped working. All of the fuses are good.
Sunday, July 10th, 2016 AT 10:36 AM

1 Reply

Tiny
HMAC300
  • MECHANIC
  • 48,601 POSTS
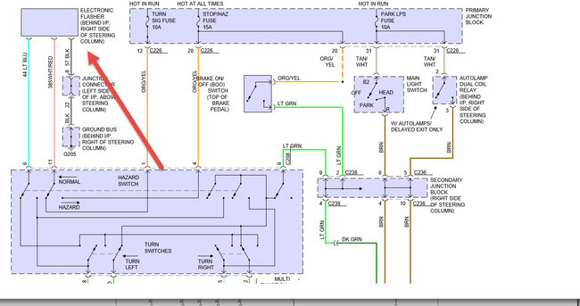
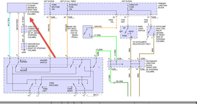
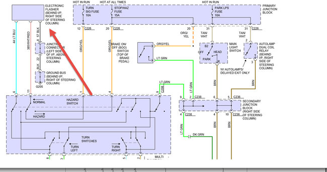
Check flasher first then check multi function switch it may not be carrying the current from flasher or stop light switch to bulbs. I am assuming bulbs are good as well. See picture.
Was this
answer
helpful?
Yes
No
Sunday, July 10th, 2016 AT 12:51 PM

Please login or register to post a reply.