Where is the turn signal flasher relay located?

Tiny
SHANESTODDARD3
  • MEMBER
  • 2014 NISSAN PATHFINDER
  • 3.5L
  • V6
  • 4WD
  • AUTOMATIC
  • 75,000 MILES
I cannot find the turn signal flasher relay.
Monday, November 21st, 2022 AT 1:38 PM

1 Reply

Tiny
JACOBANDNICKOLAS
  • MECHANIC
  • 110,192 POSTS
Hi,

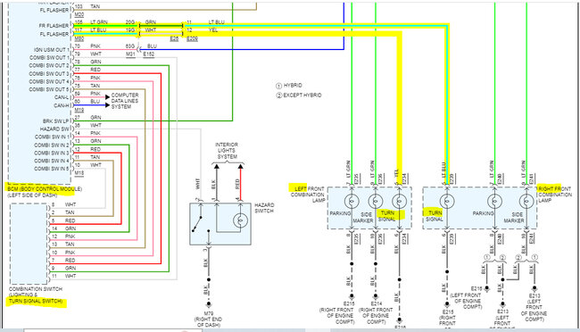
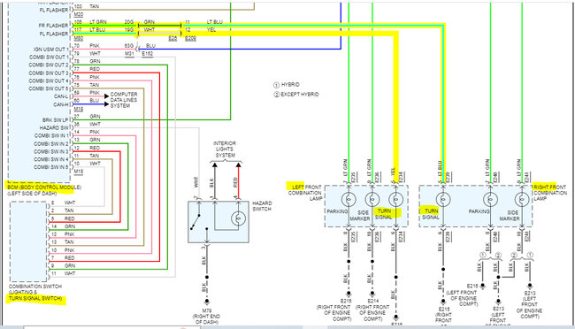
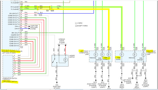
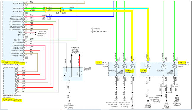
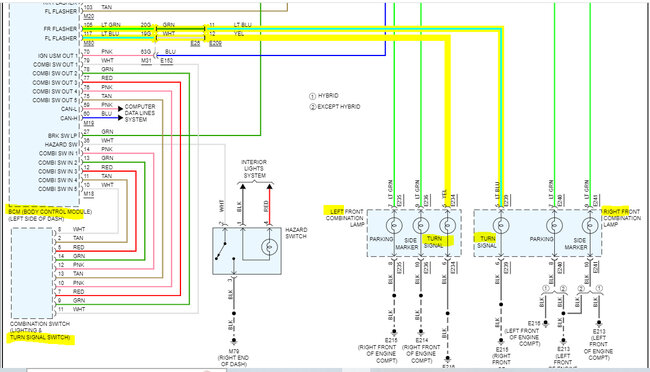
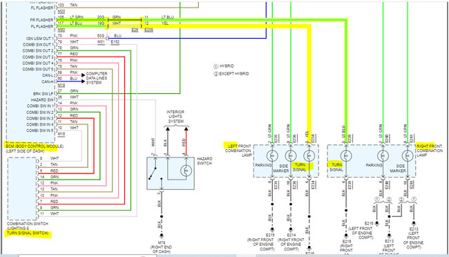
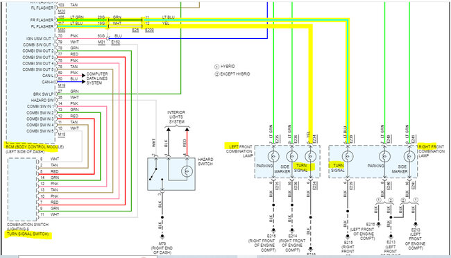
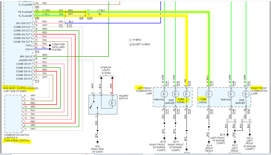
This vehicle doesn't have a traditional signal flasher. The signals are controlled by the body control module.

I attached a pic below showing the power distribution for the front lamps only. Note that when the signal switch is used, a signal is sent to the body control module. From there, the module actuates the signals.

Let me know what is happening and if the hazards are working properly.

Take care,

Joe

See pic below.
Was this
answer
helpful?
Yes
No
Tuesday, November 22nd, 2022 AT 7:48 PM

Please login or register to post a reply.