Saturday, September 3rd, 2016 AT 5:35 PM
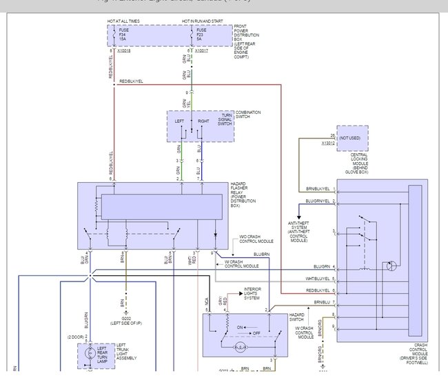
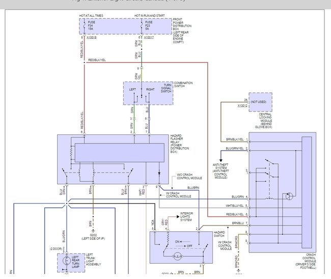
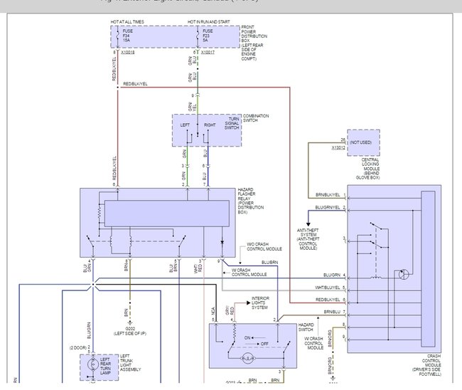
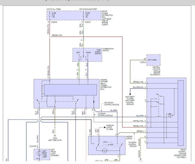
I have a 95 BMW 318is. The rear turn signals are not working (both sides). The front and side markers work, but flash fast. I have checked the fuse and replaced both bulbs. I have examined the connection points for contact and all seems ok.


