Thursday, October 27th, 2016 AT 11:13 AM
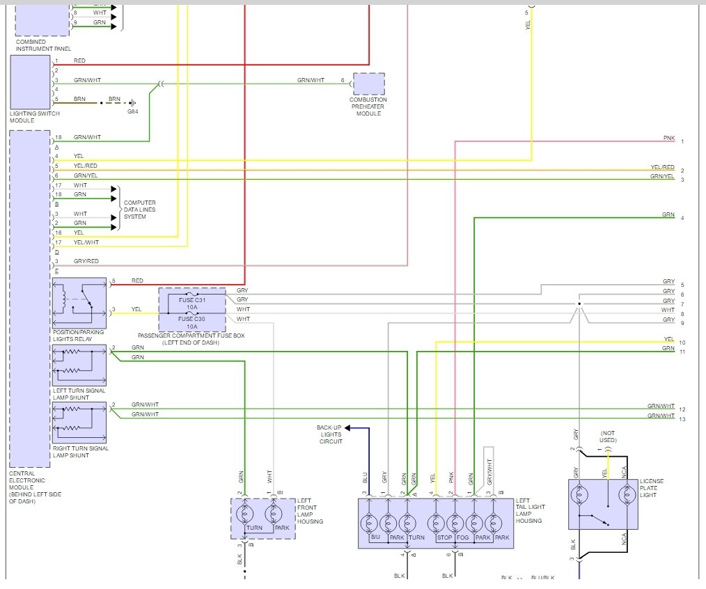
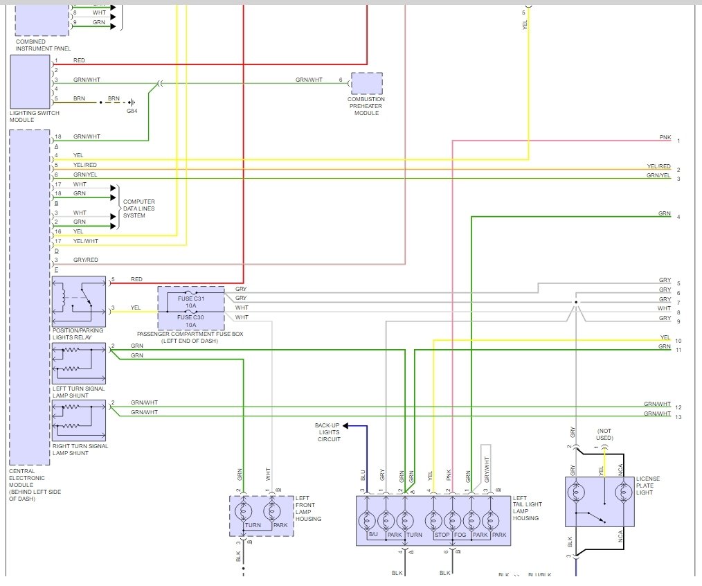
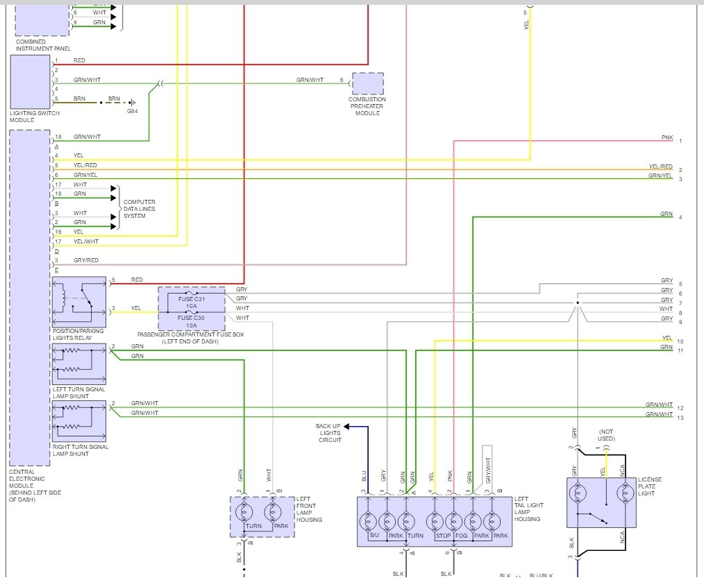
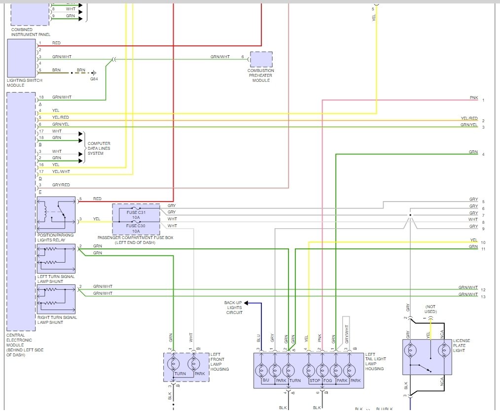
Hi, I am converting my front left turn signal from incandescent bulbs to led using a resistor. The three wires on the wiring harness are a brown with a stripe, and a white wire and green wire. The resistor has a black and red wire. What color do I connect my hot wire on my resistor to on my wire harness and what color do I connect my black wire on my resistor to on my wire harness? So that I can hook up my resistor so my LED's flash correctly. Thank you. Brian.


