Turn signal brake lights blow fuses

Tiny
FLIP1980
  • MEMBER
  • 1997 CHEVROLET SILVERADO
  • 5.7L
  • V8
  • 2WD
  • AUTOMATIC
  • 147,000 MILES
Left turn signal and brake lights blow fuses when I use them. Right turn signal does not blow the fuse.
Saturday, November 13th, 2021 AT 12:51 PM

4 Replies

Tiny
JACOBANDNICKOLAS
  • MECHANIC
  • 110,194 POSTS
Hi,

There is a good chance the light socket is damaged and causing a short. Do me a favor. Remove the left brake/signal bulb and inspect inside the socket for evidence of melting in the plastics. If that appears good, with the bulb removed, see if the fuse still blows.

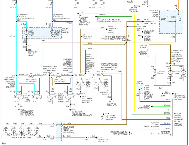
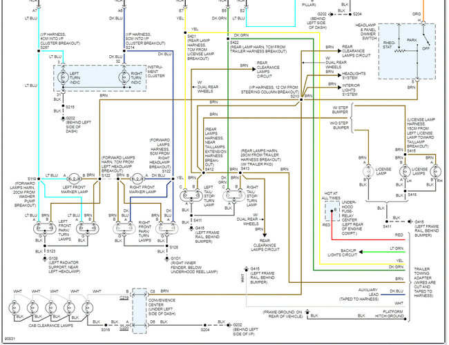
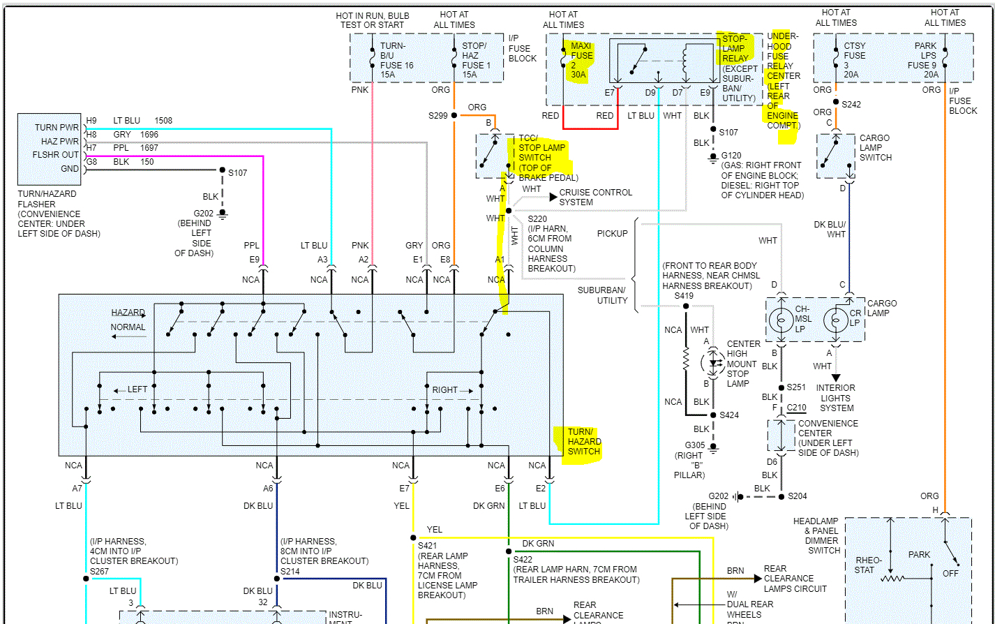
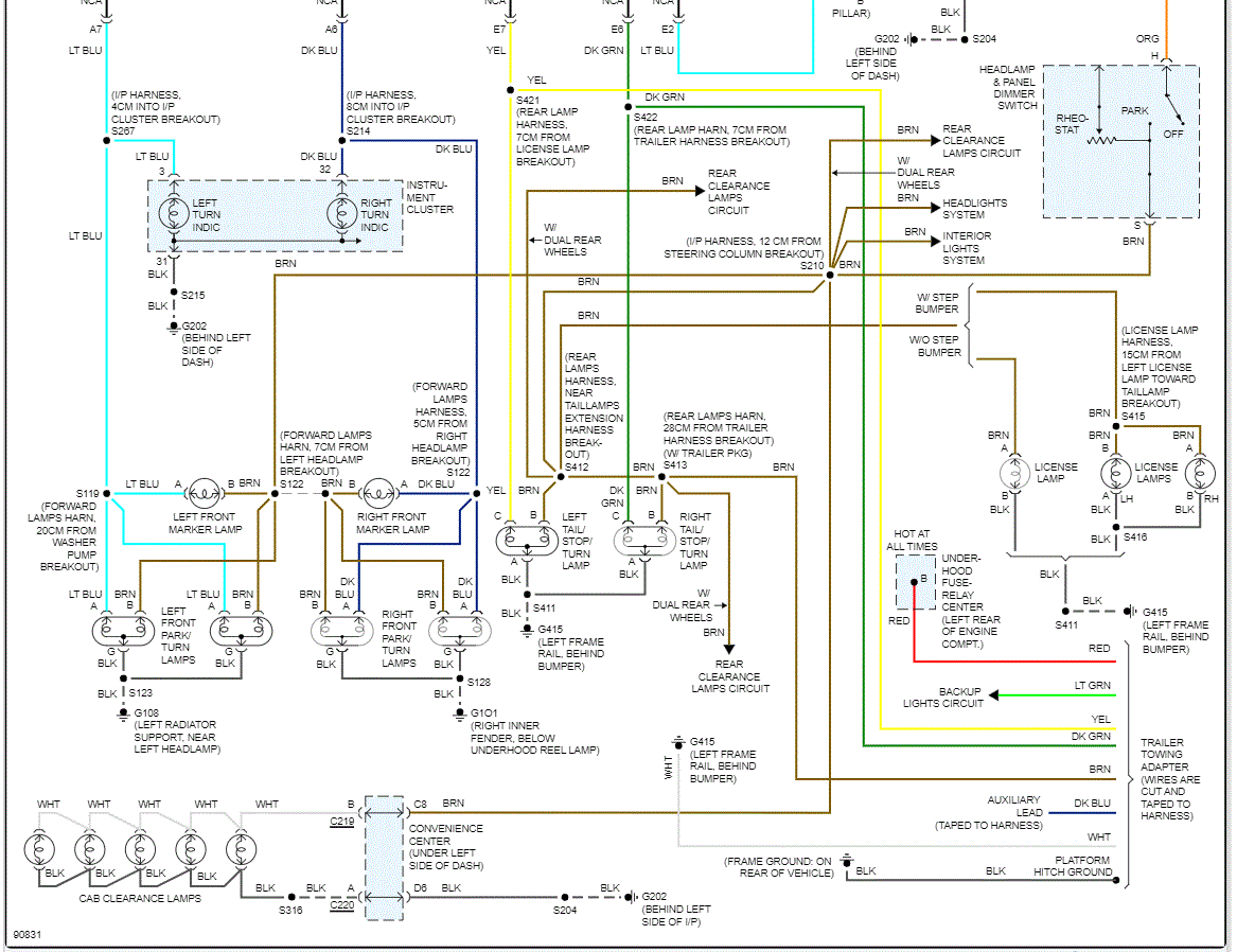
Let me know what happens. Also, make sure there is no water or condensation in the taillight assembly. It would also be a good idea to check the wiring connector for the tail lamps. The connection for the tail lamps runs along the left frame rail. See pic below.

Let me know what you find.

Joe

See pic below.
Was this
answer
helpful?
Yes
No
Saturday, November 13th, 2021 AT 11:20 PM
Tiny
FLIP1980
  • MEMBER
  • 2 POSTS
Rear lights are LED. Someone replaced them a while ago. I have disconnected the rear harness at the back of the truck for the lights and the trailer. Left turn signal keeps blowing and brake light fuse blows when brakes are applied. Right turn signal works without blowing the fuse.
Was this
answer
helpful?
Yes
No
-1
Wednesday, November 17th, 2021 AT 12:25 PM
Tiny
JACOBANDNICKOLAS
  • MECHANIC
  • 110,194 POSTS
Hi,

The short has to be before the lights or at least the connector. Was the connector you disconnected in good condition? I've seen them melt inside and cause a short.

Let me know.

Joe
Was this
answer
helpful?
Yes
No
Wednesday, November 17th, 2021 AT 5:53 PM
Tiny
JACOBANDNICKOLAS
  • MECHANIC
  • 110,194 POSTS
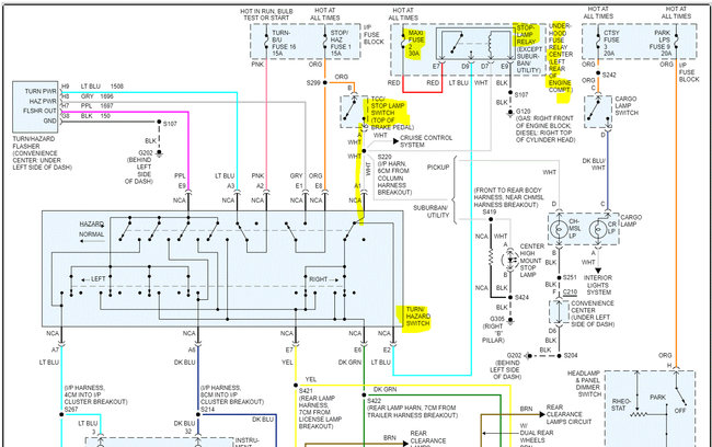
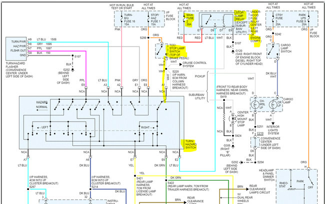
Hi,

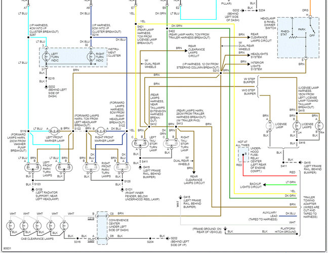
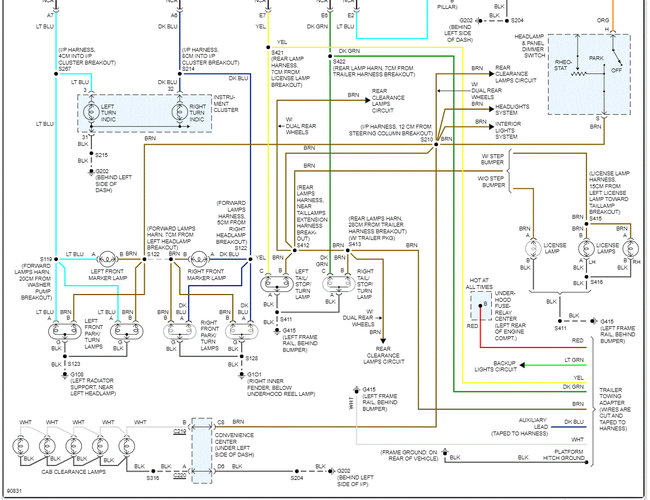
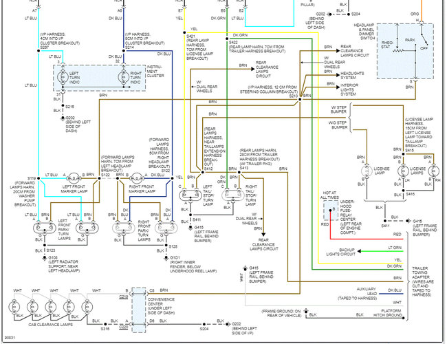
I was thinking about your truck. I attached the wiring schematic below. I want you to try a test.

First, disconnect the brake light switch and see if the signal blows the fuse. If it doesn't, plug the switch back together and remove the brake light relay and see if the fuse blows.

The idea here is this. Power from the brake light switch goes through the signal/hazard switch. By disconnecting the brake light switch, it eliminates one of the power sources. If that doesn't make a difference, removing the relay will indicate if the short is after that point. (In the wiring between the two.)

Let me know the results.

Take care,

Joe

See pics below.
Was this
answer
helpful?
Yes
No
Wednesday, November 17th, 2021 AT 7:33 PM

Please login or register to post a reply.