The right-side headlamp and turn signal will not turn off

Tiny
S GIBBY
  • MEMBER
  • 2008 CHEVROLET SILVERADO
  • 5.3L
  • V8
  • 4WD
  • AUTOMATIC
  • 149,000 MILES
My right-side headlamp and turn signal stay on after truck is shut down. Locked doors. I have to remove the battery cable to shut them off.
Thursday, February 24th, 2022 AT 12:06 PM

11 Replies

Tiny
JACOBANDNICKOLAS
  • MECHANIC
  • 110,192 POSTS
Hi,

I just need a little more info. When you say turn signal, you simply mean the bulb is lit and not flashing, correct? (Trying to figure out which circuit to follow)

We have a short to power. To get started, I want you to remove the fuse for the right headlamp assembly to see if that shuts it off. If it does, the short is after the fuse. If it stays on, we will need to remove one fuse at a time to see where the power stops or disconnect the connector at the RF lamp assembly, and with the key off, see which terminal in the connector has power.

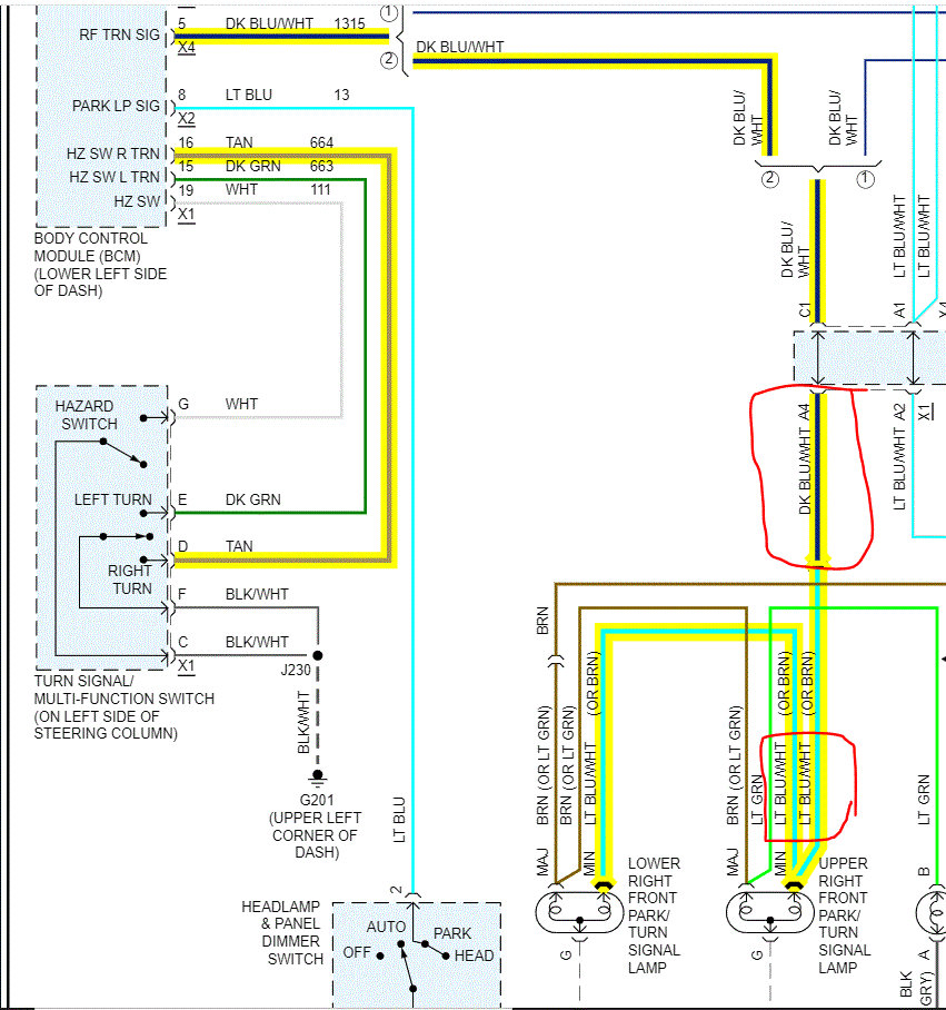
I attached the wiring schematic below for the headlamp circuit for your reference. Also, the last pic shows the fuses to check (16 and 30).

The schematic gives options for the fuses involved. The number 1 indicator shows the one for your truck. The other (number 2 indicator) is for a diesel engine.

Let me know what happens when you remove the fuses.

Take care,

Joe

See pics below.
Was this
answer
helpful?
Yes
No
Thursday, February 24th, 2022 AT 8:05 PM
Tiny
S GIBBY
  • MEMBER
  • 8 POSTS
I pulled those fuses and headlamp went out and turn signal got real dim.
Was this
answer
helpful?
Yes
No
Sunday, February 27th, 2022 AT 10:20 AM
Tiny
JACOBANDNICKOLAS
  • MECHANIC
  • 110,192 POSTS
Hi,

It sounds like the short maybe at the switch. Do this. Disconnect the connector at the headlamp assembly. Reinstall the fuses and with the connectors disconnected, probe one wire at a time and see which one has power.

Let me know the wire color so I can trace it back to see where we may have an issue. Also, check the pins in the connectors to see if any have melted and are touching or if there is evidence of damage.

Let me know what you find.

Joe
Was this
answer
helpful?
Yes
No
Sunday, February 27th, 2022 AT 7:31 PM
Tiny
S GIBBY
  • MEMBER
  • 8 POSTS
I did as you said. Tan with a white tracer has power. And blue with white tracer has power.
Was this
answer
helpful?
Yes
No
Saturday, March 5th, 2022 AT 3:01 PM
Tiny
S GIBBY
  • MEMBER
  • 8 POSTS
I also unhooked the headlamp switch and still have power on same wires.
Was this
answer
helpful?
Yes
No
Saturday, March 5th, 2022 AT 3:53 PM
Tiny
JACOBANDNICKOLAS
  • MECHANIC
  • 110,192 POSTS
Hi,

When you pulled the fuses mentioned above, is there one that turned them off? If so, which one lets the signal dim and headlamp off?

The blue/white is for the signal and tan/white is the low beam. See pics below

I need you now to remove fuse 8 in the fuse box in-vehicle, left side. See pic 3. Does that turn them off?

If it doesn't, my theory is the fuse box (under the hood) may have failed. It contains PCB relays that power the lights/signals. PCB stands for printed circuit board and isn't repairable. However, before I jump to that, let me know about the fuse. If the lights still don't turn off, pull the HDLP low relay in the under-hood box and see if that does it. The only thing is I feel that it will shut other things off as well. See pic 4

If this doesn't lead us in the right direction, we will need to first disconnect the body control module and inspect pins in the connector to see if something is damaged causing the problem. If there isn't, then we need to start tracing wires to locate where the problem is located.

Wiring issues can be a nightmare, so hang in there. The idea that you disconnected the switch and the light stayed on tells me the problem is somewhere between the body control module, fuse box, or the wiring between them. If everything checks good, then it will likely be the fuse box that has shorted.

Take care and let me know.

Joe
Was this
answer
helpful?
Yes
No
Saturday, March 5th, 2022 AT 7:30 PM
Tiny
S GIBBY
  • MEMBER
  • 8 POSTS
Okay, I pulled fuse 8 I still have power. Pulled relay and still have power.
Was this
answer
helpful?
Yes
No
Sunday, March 6th, 2022 AT 7:17 AM
Tiny
S GIBBY
  • MEMBER
  • 8 POSTS
I just found that the left low beam stays on. I replaced the bulb because it was burnt out. Pulled fuse 11 and it went out.
Was this
answer
helpful?
Yes
No
Sunday, March 6th, 2022 AT 7:19 AM
Tiny
S GIBBY
  • MEMBER
  • 8 POSTS
I just pulled #8 in the interior fuse panel. Still have power to the lights.
Was this
answer
helpful?
Yes
No
Sunday, March 6th, 2022 AT 7:22 AM
Tiny
S GIBBY
  • MEMBER
  • 8 POSTS
I did find fuse#28 under the hood. Melted and won’t come out.
Was this
answer
helpful?
Yes
No
Sunday, March 6th, 2022 AT 7:33 AM
Tiny
JACOBANDNICKOLAS
  • MECHANIC
  • 110,192 POSTS
Hi,

It sounds like you may have found the issue. Disconnect the battery and remove the fuse box to see if anything has melted under it causing a short. Also, if you could take a pic of the melted fuse and upload it for me to see, it may be helpful.

Let me know.

Joe
Was this
answer
helpful?
Yes
No
Sunday, March 6th, 2022 AT 7:14 PM

Please login or register to post a reply.