Turn signal lever and brake lights not working

Tiny
JEUBANK1
  • MEMBER
  • 1998 CHEVROLET MONTE CARLO
  • 3.1L
  • 6 CYL
  • 2WD
  • AUTOMATIC
  • 207,000 MILES
Brake lights stop working and turn signal lever won't go up or down.
Monday, February 17th, 2020 AT 1:18 PM

3 Replies

Tiny
JOETECHPRO
  • MECHANIC
  • 705 POSTS
Hey JEUBANK1,

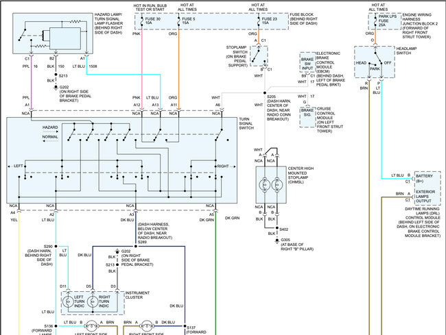
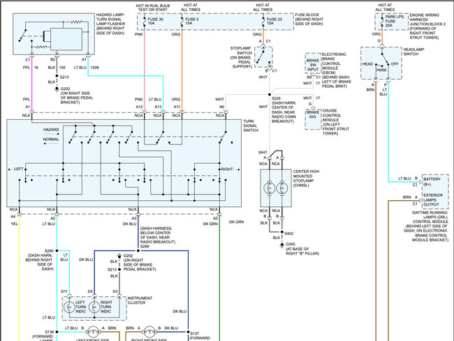
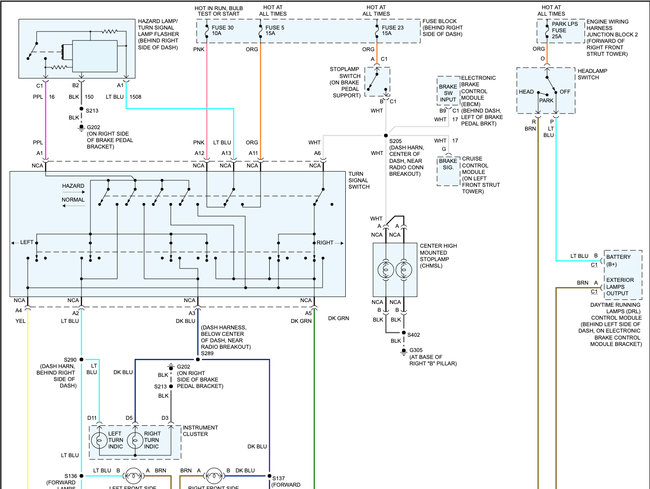
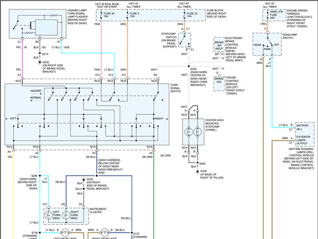
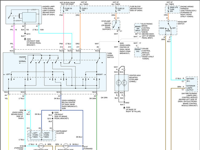
If the turn signal lever will not move then you have a faulty signal lever and it will need replacing.

The signal to the brake lights goes through this switch so it may be causing both of your issues.

Please see the wiring diagram attached.

I have also included the instruction for replacing the turn signal switch.

Regards, Joe
Was this
answer
helpful?
Yes
No
+1
Monday, February 17th, 2020 AT 2:01 PM
Tiny
JEUBANK1
  • MEMBER
  • 2 POSTS
Thanks Joe.
Was this
answer
helpful?
Yes
No
Tuesday, February 18th, 2020 AT 8:08 AM
Tiny
JOETECHPRO
  • MECHANIC
  • 705 POSTS
Hey JEUBANK1,

No problem at all.

Keep us updated on your progress with this issue.

Regards, Joe
Was this
answer
helpful?
Yes
No
Tuesday, February 18th, 2020 AT 8:31 PM

Please login or register to post a reply.