Turn signal and brake light not working

Tiny
SEAN LENTZ
  • MEMBER
  • 1998 BUICK LESABRE
  • 3.8L
  • 6 CYL
  • 2WD
  • AUTOMATIC
  • 180,000 MILES
The turn signal on the rear driver side does not work. Neither does the brake light. Bulbs are good.
Saturday, June 20th, 2020 AT 5:18 PM

1 Reply

Tiny
JACOBANDNICKOLAS
  • MECHANIC
  • 110,194 POSTS
Hi,

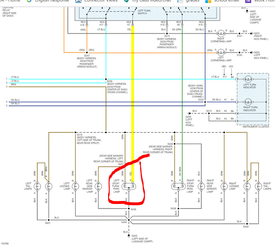
I attached a couple pics from the wiring schematic. The first one shows power from the brake light switch which goes through the signal/hazard switches and then to the brake lights. The second pic is a larger part of the schematic. I circled the brake light/signal bulb.

What I need you to do first is this. Remove the left duel element brake/signal bulb and check to see if there is power to the yellow wire going to it. You will need a helper to actuate the brakes and signals. Let me know what you find.

Also, let me know if the third brake light (center high mount) is working. If it is, then the problem lays between the signal switch and the rear of the vehicle.

Let me know what you find.

Joe
Was this
answer
helpful?
Yes
No
+2
Saturday, June 20th, 2020 AT 8:47 PM

Please login or register to post a reply.