Monday, April 9th, 2018 AT 1:21 AM
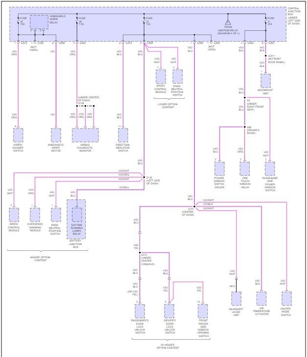
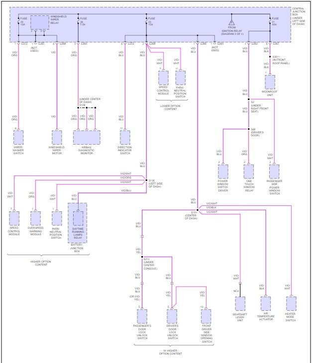
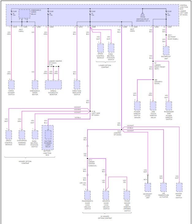
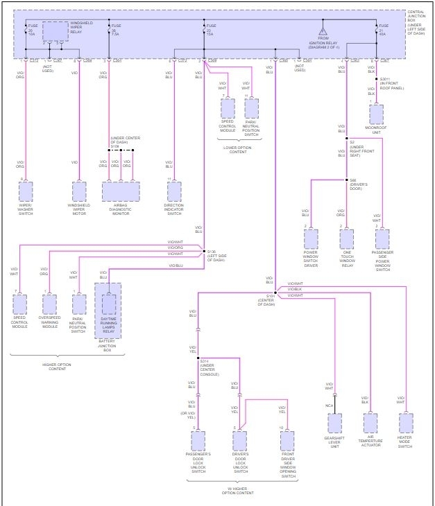
Do not have any turn signals blower motor does not work, as soon as I turn the key the fuse pops. I put a new fuse in turn the key on fuse pops. I have had this to three mechanics. I do not know what to do can somebody help? I do not have any heat and I need my turn signals because I drive at night. Thank you



