Tuesday, October 31st, 2023 AT 11:39 AM
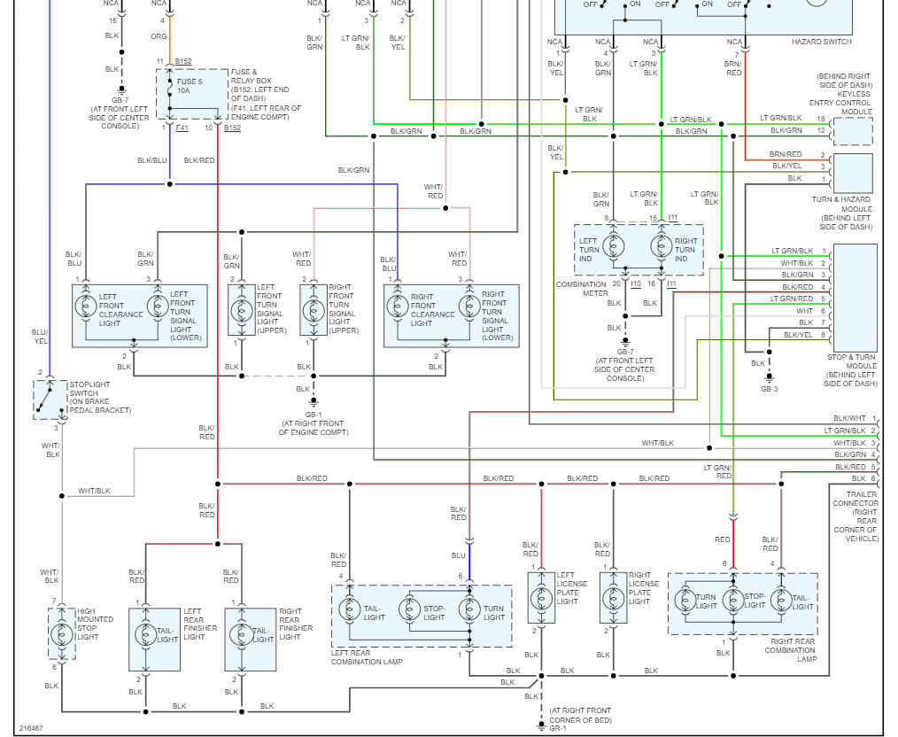
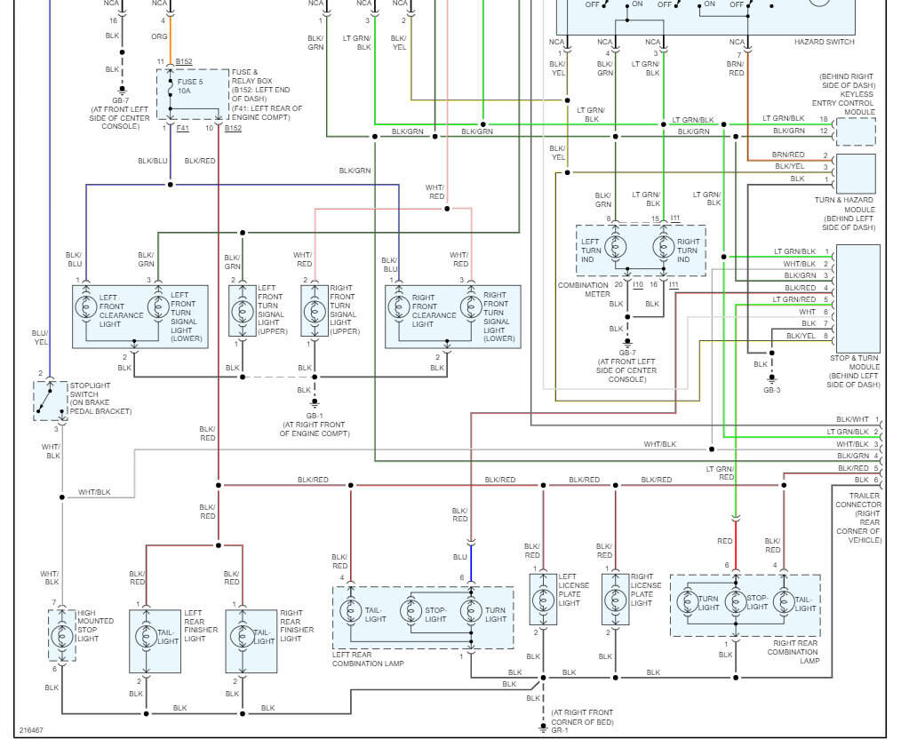
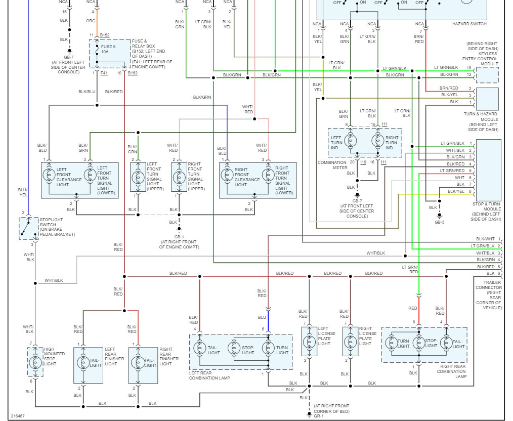
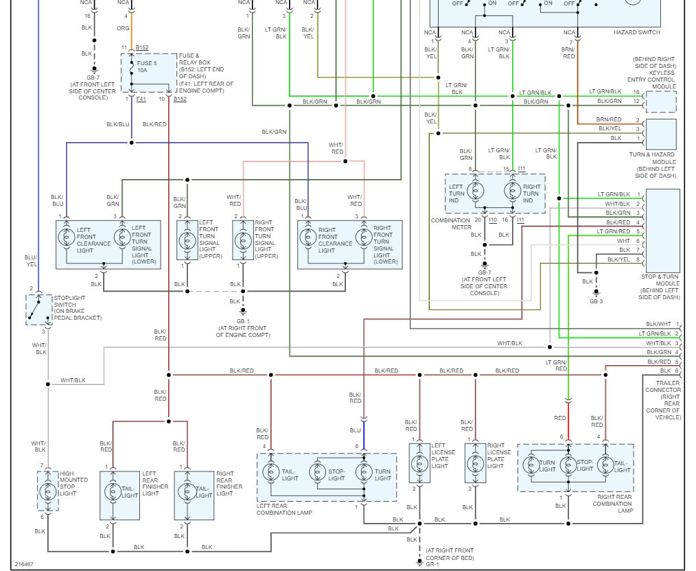
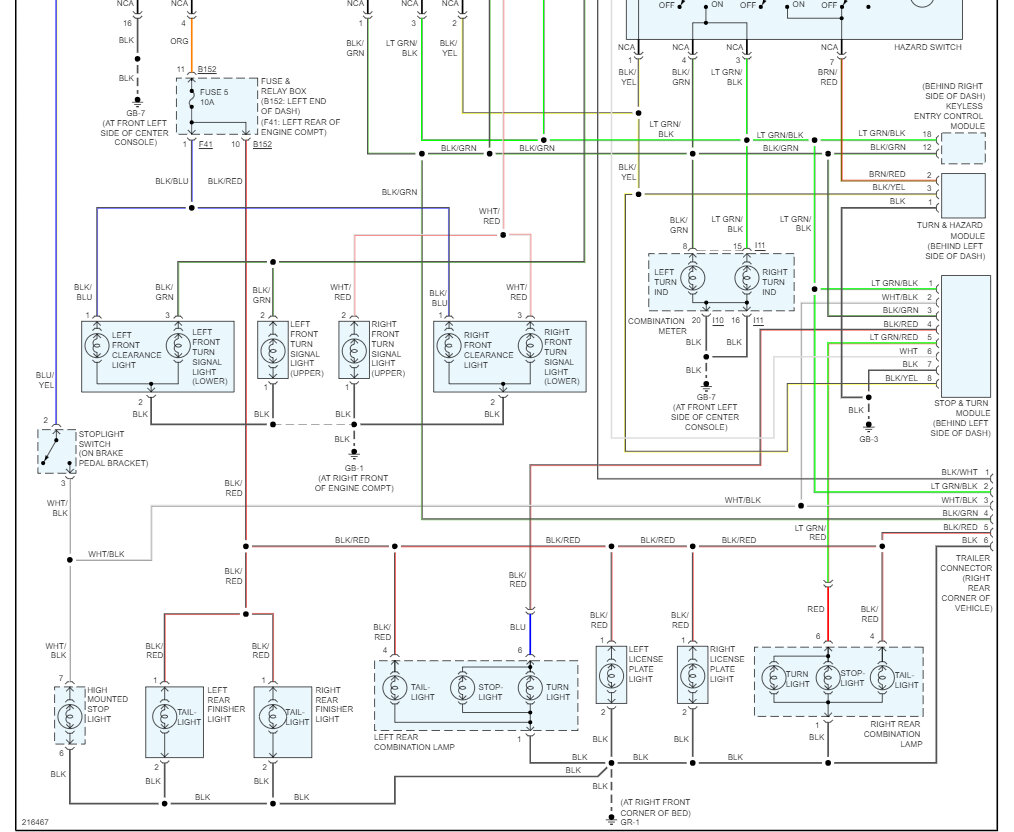
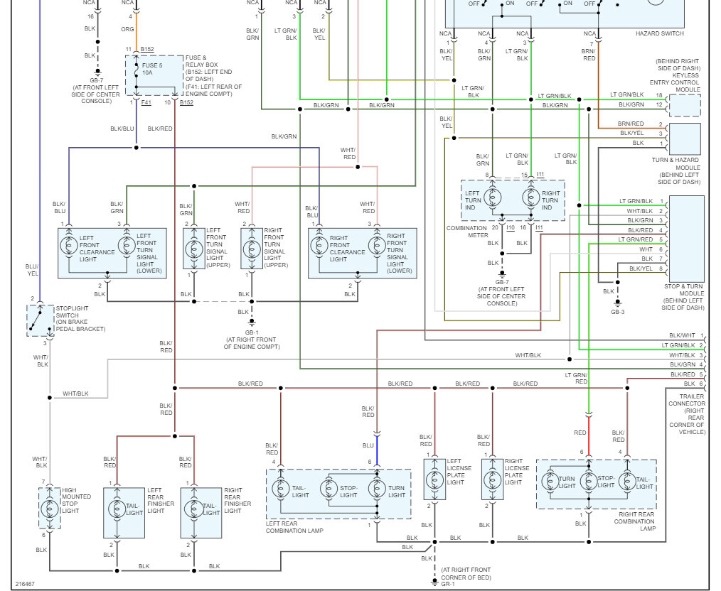
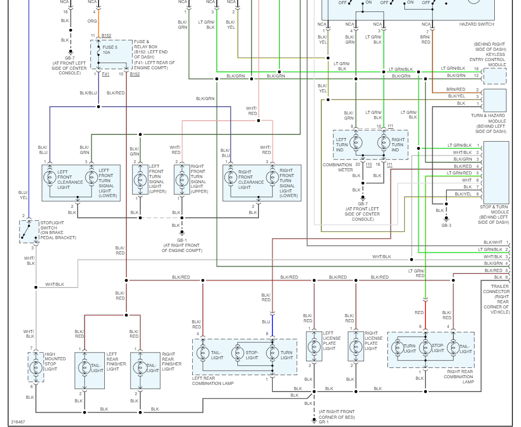
I've checked all fuses all relays and all of my bulbs are fine. I was just wondering the wiring diagram for my turn signals and the rear plug pinout that my turn signals plug into please. Thank you




