Turn on high beam's the headlights turn off?

Tiny
OSFMOOK72
  • MEMBER
  • 1992 ISUZU TRUCK
  • 2.3L
  • 4 CYL
  • 2WD
  • MANUAL
  • 152,000 MILES
My multifunction switch is on the column. This is the second brand new switch I've installed to try to fix this problem. I know the brights work on the headlight bulbs because I wired them directly to the battery and they come on. By the way they are aftermarket led lights. There's only 3 wires ground/low beams and high beams in the plug. These are plug and play headlights same shape and size as original headlights. Any help would be greatly appreciated, thank you.

Michael
Friday, April 7th, 2023 AT 12:19 PM

3 Replies

Tiny
KEN L
  • MASTER CERTIFIED MECHANIC
  • 55,404 POSTS
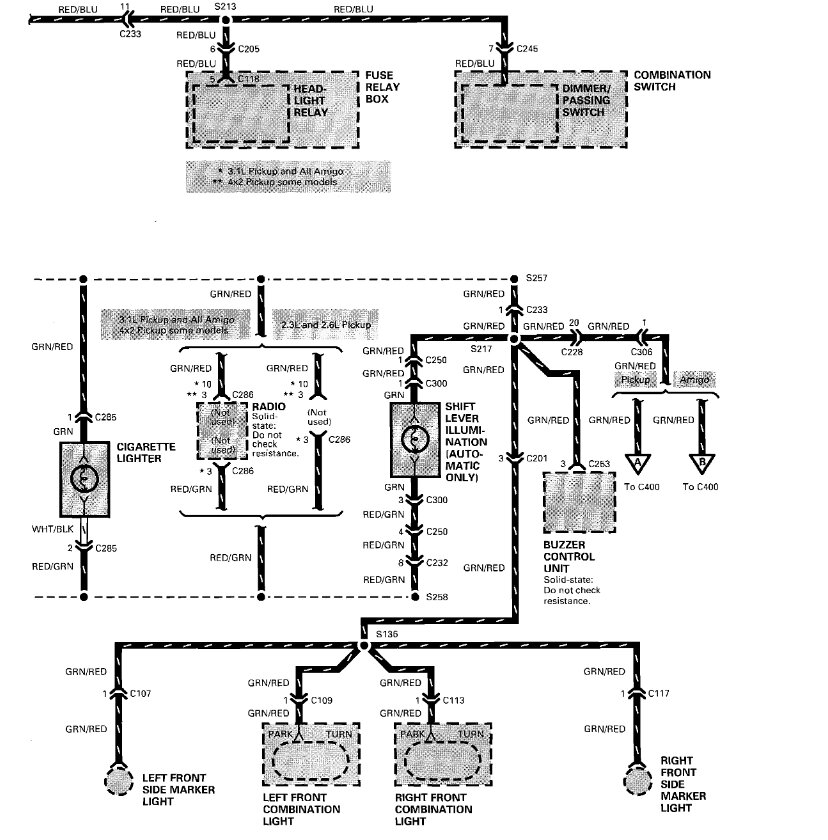
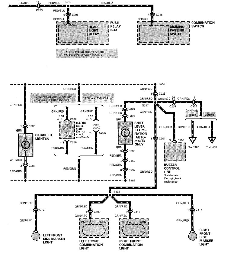
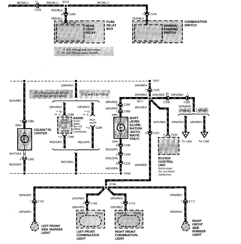
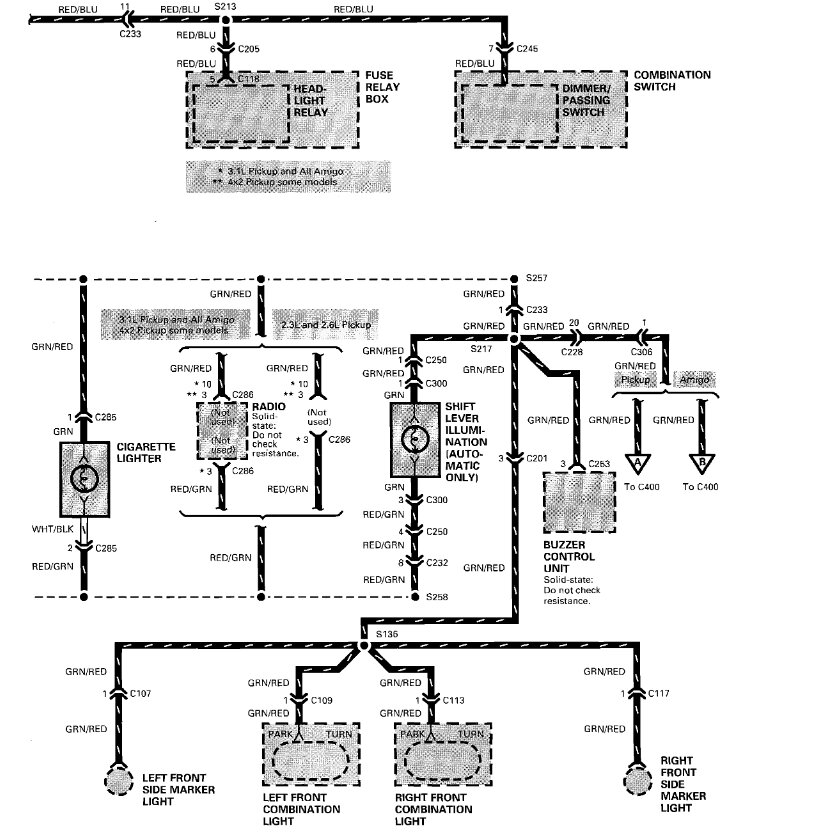
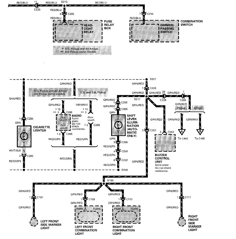
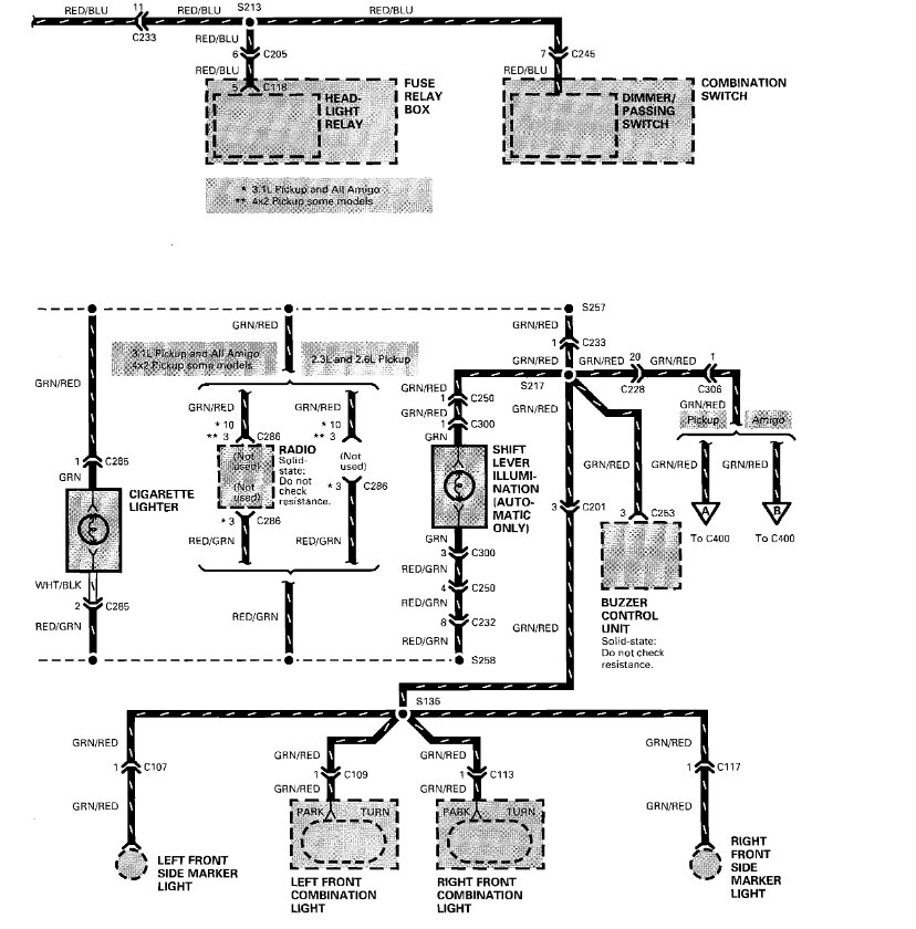
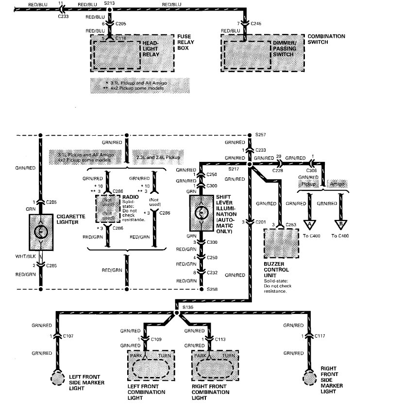
So, this truck has an immunization controller that sounds like it is not working correctly. I would use this guide to help confirm the power outputs and grounds to the headlight system and I have included the headlight wiring diagrams so you can see how the system works and which wires to test.

https://www.2carpros.com/articles/how-to-use-a-test-light-circuit-tester

Check out the images (below). Please let us know what happens.
Was this
answer
helpful?
Yes
No
Saturday, April 8th, 2023 AT 11:01 AM
Tiny
OSFMOOK72
  • MEMBER
  • 2 POSTS
I'll check that out, thank you.
Was this
answer
helpful?
Yes
No
Saturday, April 8th, 2023 AT 8:19 PM
Tiny
KEN L
  • MASTER CERTIFIED MECHANIC
  • 55,404 POSTS
You are welcome.
Was this
answer
helpful?
Yes
No
Monday, April 10th, 2023 AT 2:14 PM

Please login or register to post a reply.