Dual electronics Bluetooth receiver installation

Tiny
MOUSE357
  • MEMBER
  • 2001 VOLKSWAGEN JETTA
  • 1.8L
  • 4 CYL
  • 101,349 MILES
Receiver #XVM286BTI. Finally got a wire harness for my car. I've attached pics of my original stereo and the aftermarket radio in Trying to install.
I got it hooked up but the only way in getting sound is through the audio jack's on the back and it's horrible not correct, lol. Umm could you please help me? Thank you for your time.
Wednesday, November 18th, 2020 AT 3:54 PM

17 Replies

Tiny
KASEKENNY
  • MECHANIC
  • 18,907 POSTS
These are the hardest issues to try and figure out without being there as we will not have wiring info on the aftermarket stuff. So if you can provide the pictures you mentioned because they didn't attach and then can you provide any wiring info that they sent with the aftermarket radio?

If the audio doesn't work or sounds poor, I assume we don't have the amp wired in correctly so we need to start with this.

Let's start here and go from there. Thanks
Was this
answer
helpful?
Yes
No
Thursday, November 19th, 2020 AT 7:42 AM
Tiny
MOUSE357
  • MEMBER
  • 58 POSTS
Here is the original stereo and wiring:
Was this
answer
helpful?
Yes
No
Thursday, November 19th, 2020 AT 10:39 AM
Tiny
MOUSE357
  • MEMBER
  • 58 POSTS
Here is the aftermarket radio and wiring and also the plug connecter to plug it into my original harness.
Thank you for your time.
Was this
answer
helpful?
Yes
No
Thursday, November 19th, 2020 AT 10:42 AM
Tiny
KASEKENNY
  • MECHANIC
  • 18,907 POSTS
Sorry I wasn't clear. Did they provide any wiring diagrams with their system? We need to see how they say it needs to be wired and then I can compare that to the original harness and what we need to do.

Or was this a system that was supposed to just plug into your existing harness?
Was this
answer
helpful?
Yes
No
Friday, November 20th, 2020 AT 5:23 PM
Tiny
MOUSE357
  • MEMBER
  • 58 POSTS
PLease read all instructions carefully before attempting to install or operate.
Due to its technical nature, it is highly recommended that your DUAL XVM286BT is installed by a professional
installer or an authorized dealer. This product is only for use in vehicles with 12VDC negative ground only.
To prevent damage or injury:
� Make sure to ground the unit securely to the vehicle chassis ground.
� Do not remove the top or bottom covers of the unit.
� Do not install the unit in a spot exposed to direct sunlight or excessive heat or the possibility of water splashing.
� Do not subject the unit to excessive shock.
� When replacing a fuse, only use a new one with the prescribed rating. Using a fuse with the wrong rating may
cause the unit to malfunction.
� To prevent short circuits when replacing a fuse, disconnect the wiring harness first.
� Use only the provided hardware and wire harness.
� You cannot view video while the vehicle is moving. Find a safe place to park and engage the parking brake.
� If you experience problems during installation, consult your nearest DUAL dealer.
� If the unit malfunctions, reset the unit as described on page 10 first. If the problem still persists, consult your
nearest DUAL dealer or call tech assistance @ 1-866-382-5476.
� To clean the monitor, wipe only with a dry silicone cloth or soft cloth. Do not use a stiff cloth, or volatile solvents
such as paint thinner and alcohol. They can scratch the surface of the panel and/or remove the printing.
� When the temperature of the unit falls (as in winter), the liquid crystal inside the screen will become darker than
usual. Normal brightness will return after using the monitor for a while.
� When extending the ignition, battery or ground cables, make sure to use automotive-grade cables or other cables
with an area of 0.75mm (AWG 18) or more to prevent voltage drops.
� Do not touch the liquid crystal fluid if the LCD is damaged or broken. The liquid crystal fluid may be hazardous
to your health or fatal. If the liquid crystal fluid from the LCD contacts your body or clothing, wash it off with soap
immediately.
FCC Compliance
This device complies with Part 15 of the FCC Rules. Operation is subject to the following two conditions:
(1) this device may not cause harmful interference, and
(2) this device must accept any interference received, including interference that may cause undesired operation.
Warning: Changes or modifications to this unit not expressly approved by the party responsible for compliance
could void the user’s authority to operate the equipment.
Note: This equipment has been tested and found to comply with the limits for a Class B digital device, pursuant to
Part 15 of the FCC Rules. These limits are designed to provide reasonable protection against harmful interference
in a residential installation. This equipment generates, uses and can radiate radio frequency energy and, if not
installed and used in accordance with the instructions, may cause harmful interference to radio communications.
However, there is no guarantee that interference will not occur in a particular installation. If this equipment does
cause harmful interference to radio or television reception, which can be determined by turning the equipment off
and on, the user is encouraged to try to correct the interference by one or more of the following measures:
� Reorient or relocate the receiving antenna.
� Increase the separation between the equipment and receiver.
� Connect the equipment into an outlet on a circuit different from that to which the receiver is connected.
� Consult the dealer or an experienced radio/TV technician for help.
Was this
answer
helpful?
Yes
No
Saturday, November 21st, 2020 AT 4:21 AM
Tiny
MOUSE357
  • MEMBER
  • 58 POSTS
Before you start.
� Disconnect negative battery terminal. Consult a qualified technician for instructions.
� Avoid installing the unit where it would be subject to high temperatures, such as from direct sunlight, or where it
would be subject to dust, dirt or excessive vibration.
Getting Started
� Certain vehicles may require an installation kit and/or wiring harness adapter (sold separately).
� Snap trim ring into place (if required).
XVM286BT INSTALLATION
Preparation
TYPICAL FRONT-LOAD DIN MOUNTING METHOD
Trim Ring
Main Unit
Was this
answer
helpful?
Yes
No
-1
Saturday, November 21st, 2020 AT 4:22 AM
Tiny
MOUSE357
  • MEMBER
  • 58 POSTS
Wiring Diagram - Inputs/Outputs
XVM286BT INSTALLATION
Note:
When replacing a fuse, make sure to use the correct type and amperage. Using an incorrect fuse could cause
damage. The unit uses (1) 10 amp ATC mini style fuse located on the power connector.
Wiring Notes:
Subwoofer output
The Subwoofer preamp audio output (black jacket with green RCA) is active in all audio modes.
Rear camera input
A rear view camera (not included) can be used with the Camera input.
Was this
answer
helpful?
Yes
No
Saturday, November 21st, 2020 AT 4:24 AM
Tiny
MOUSE357
  • MEMBER
  • 58 POSTS
This is the first 3 pages. Of the manual for the installation.
Was this
answer
helpful?
Yes
No
Saturday, November 21st, 2020 AT 4:26 AM
Tiny
KASEKENNY
  • MECHANIC
  • 18,907 POSTS
Okay. That gives some info that we needed. Did you get the wiring harnesses that it talks about? The ones that are sold separately?

Also, where is says, "Wiring Diagrams inputs/outputs". Was there an actual diagram that came with it? If so, can you get a picture of that and post it?
Was this
answer
helpful?
Yes
No
Saturday, November 21st, 2020 AT 5:39 PM
Tiny
MOUSE357
  • MEMBER
  • 58 POSTS
Here is the link that goes with the stereo system manual sir. Other then that I got the stereo gave to me. The adapter plug came out of a 1997 Volkswagen Jetta GT at a junk yard. Sorry for the inconveniences but I thank you for your time.
Was this
answer
helpful?
Yes
No
Sunday, November 22nd, 2020 AT 8:46 AM
Tiny
MOUSE357
  • MEMBER
  • 58 POSTS
Sure I don't know it's not allowing me to send you any files audio or images keep selling me not allowed I got the stereo gave to me I don't know about it I got the plug adapter out of a Pick-A-Part junk yard out of a 1997 Volkswagen Jetta GT turbo. Other than that I don't know nothing about it is there any way you can look it up on the dual electronicals website on the find the information because I can't send you any type of files and I'm getting nowhere with this for just send a message out to message back and forth and nothing's getting completed I mean I'm just more aggravation than anything I really appreciate it if someone could please help me out with this because I'm ready to just throw it in the trash and I've been dealing with this for a few months now fed up with trying to fig it out. I even called the Volkswagen van doorman or whatever it is dealership there in fort Wayne Indiana and they couldn't give me no schematics on the Volkswagen their the ones that built created they couldn't give me the wiring diagram or nothing on it told me keep looking stuff up maybe I find something.
Was this
answer
helpful?
Yes
No
Sunday, November 22nd, 2020 AT 9:20 AM
Tiny
KASEKENNY
  • MECHANIC
  • 18,907 POSTS
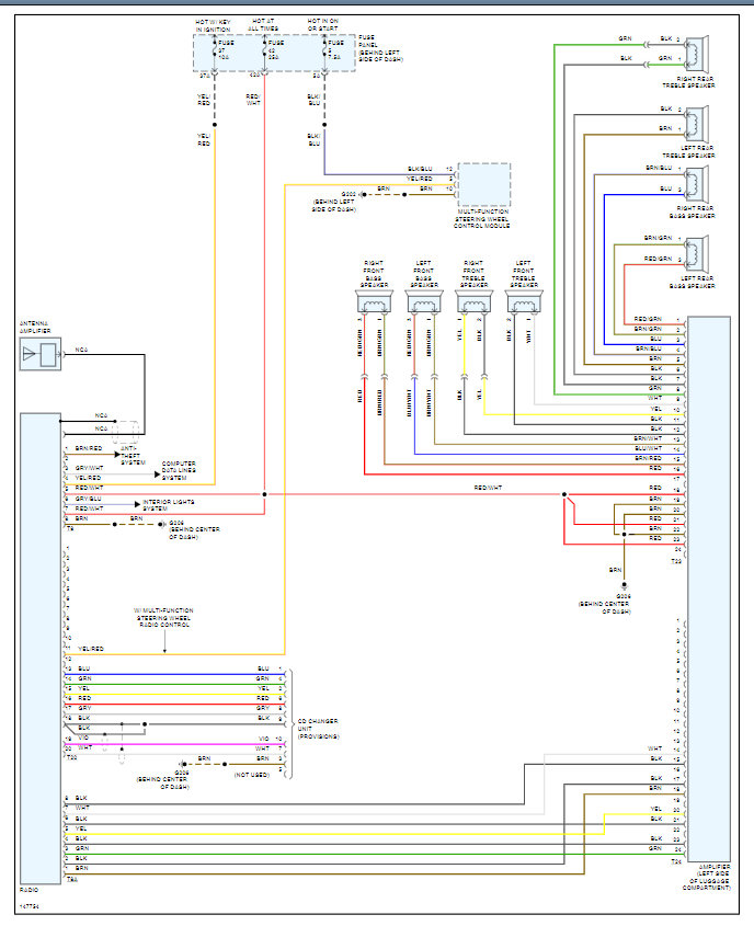
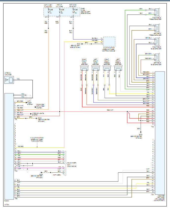
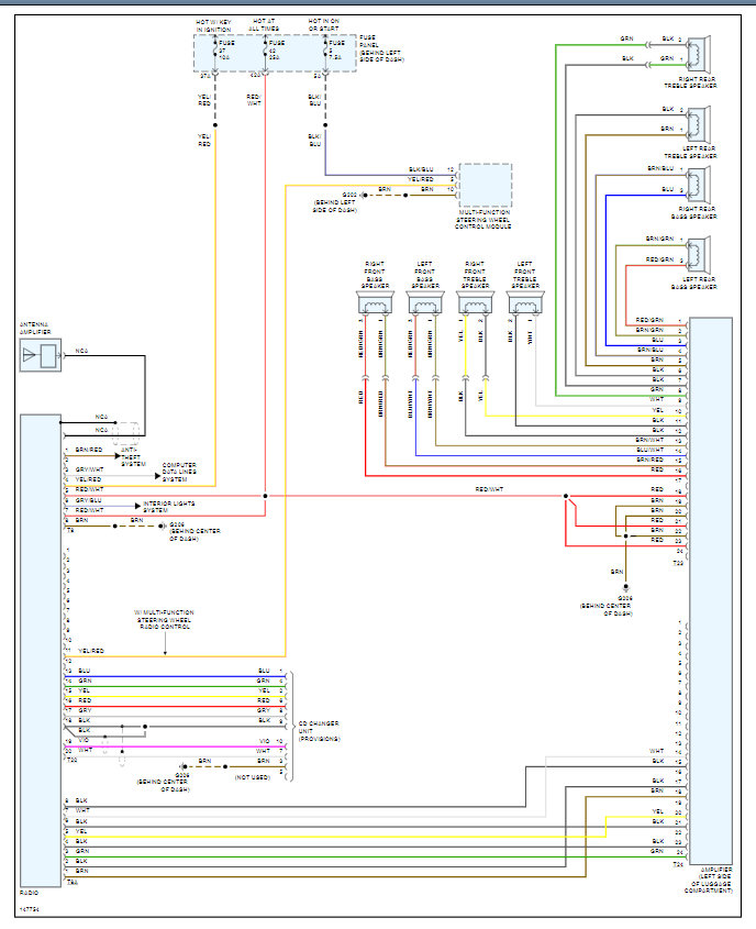
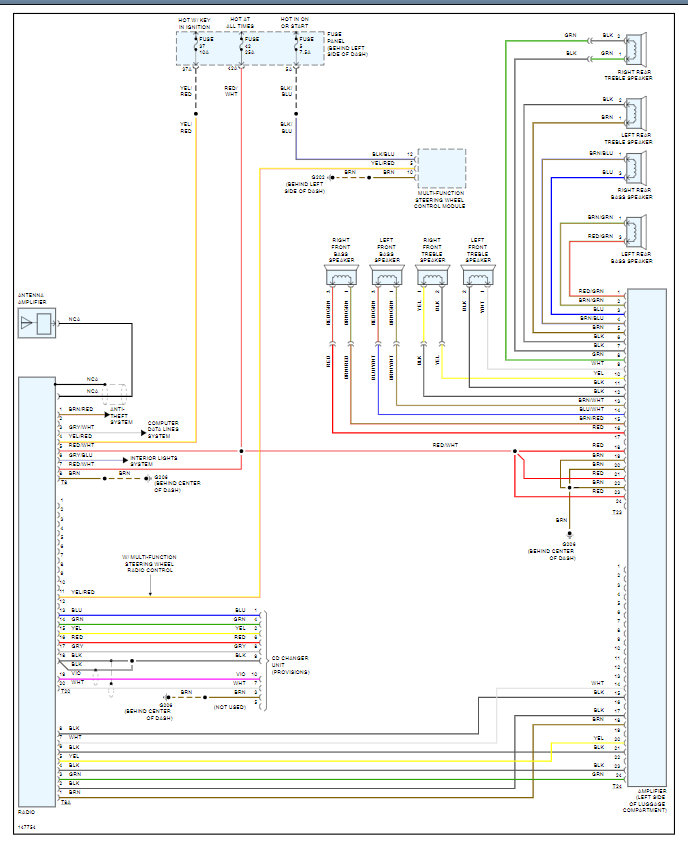
I totally understand the frustration. I provided the wiring for your vehicle below. However, the issue we are having is knowing the wiring for their unit so that we can match these up as I suspect they have a wire to the amp in a different location. So the wiring circled is what we need to match up as this goes to the amp.

The reason you are not able to post the documents is the format. They limit what we can post due to compatibility on the internet. Easiest thing to do is just take a picture of it with your phone and post it.
Was this
answer
helpful?
Yes
No
+1
Monday, November 23rd, 2020 AT 6:32 PM
Tiny
MOUSE357
  • MEMBER
  • 58 POSTS
Thank you for your time sir. I've attached a few pics I think this might help it's the plug plugged into my new unit that I'm supposed to wire into my plug adapter for my car. That's the back of my new unit with the plug in it already seen them the picture of the unit with the wiring on it.
Was this
answer
helpful?
Yes
No
Monday, November 23rd, 2020 AT 9:10 PM
Tiny
KASEKENNY
  • MECHANIC
  • 18,907 POSTS
Okay. That last picture is what I needed. One more question about your vehicle. Does it have an amp from the factory or no amp? That will tell me what system you have and then we can figure out what wire goes to which wire.

FYI - You are going to have to cut your connectors off the vehicle harness and connect those wires to the wires on the new radio.
Was this
answer
helpful?
Yes
No
Tuesday, November 24th, 2020 AT 6:13 PM
Tiny
MOUSE357
  • MEMBER
  • 58 POSTS
As far as I know no there is no AMP It's the non Monsoon system. It did have a CD player in the driver's rear but someone took it out.
Was this
answer
helpful?
Yes
No
Tuesday, November 24th, 2020 AT 9:48 PM
Tiny
MOUSE357
  • MEMBER
  • 58 POSTS
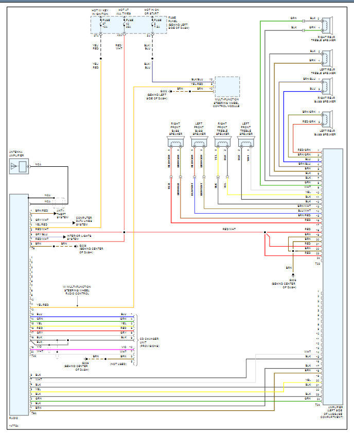
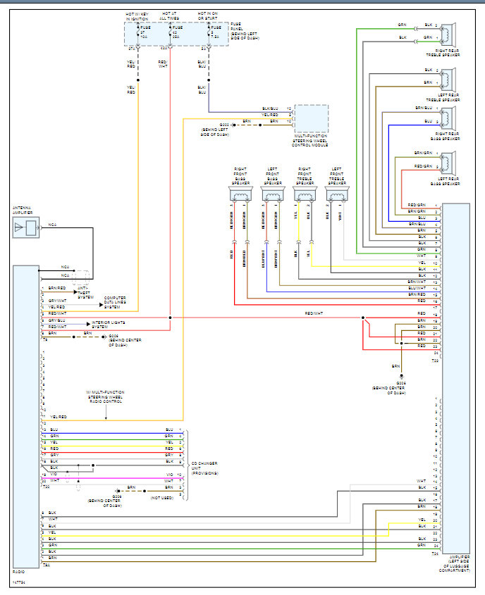
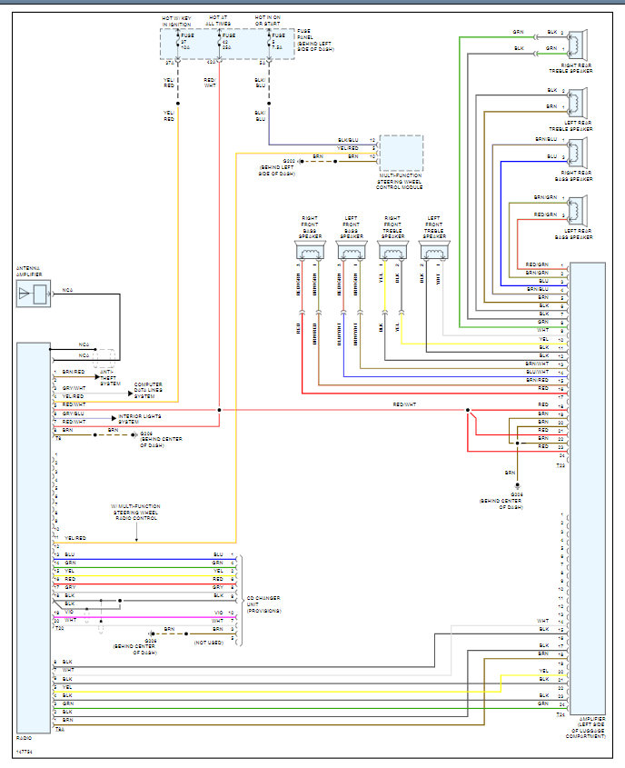
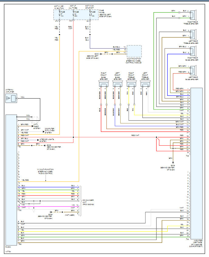
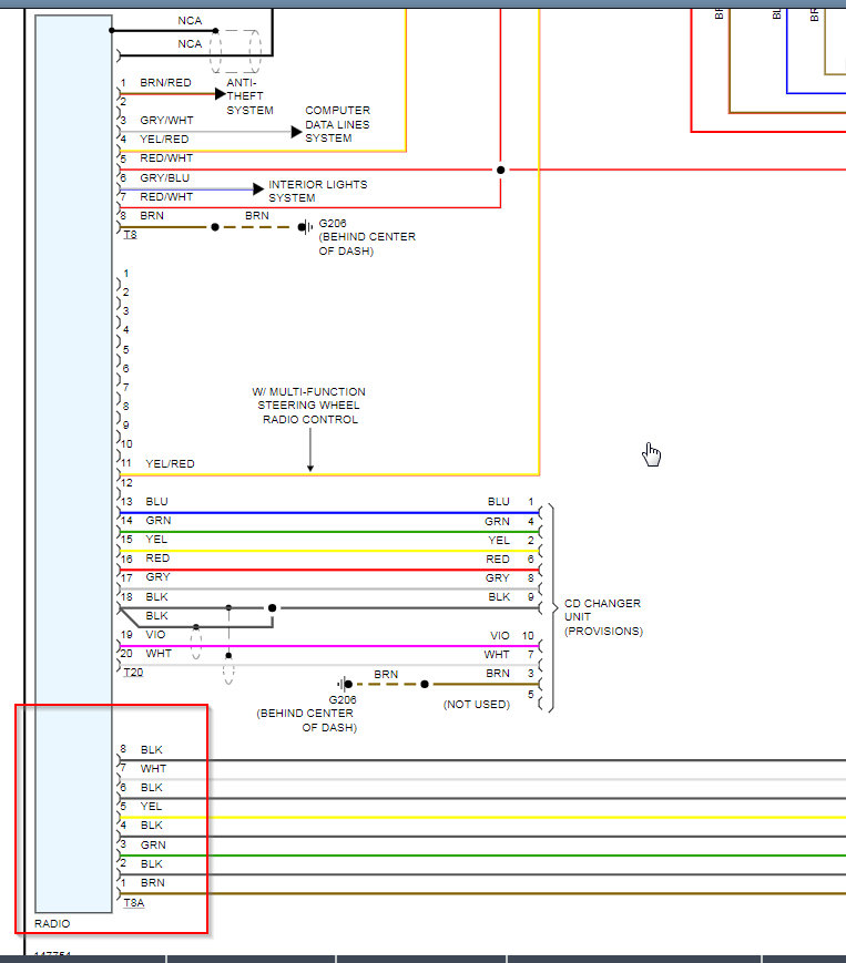
This is the original stereo and wiring for it. The black plug is the main wires,
the brown plug is the speakers.
Was this
answer
helpful?
Yes
No
Tuesday, November 24th, 2020 AT 9:52 PM
Tiny
KASEKENNY
  • MECHANIC
  • 18,907 POSTS
Okay. That is great. It makes this easier. So here are the wires that we need to connect. I thought I might draw a diagram but I think it will be more clear if I just spell it out and then provide the wiring diagrams so you can see it.

Take a look at the first attachment. OEM wires are on the left. Aftermarket wires are on the right.

Again, don't worry about trying to use connectors. Just strip each wire and solder and shrink wrap them to each other. The last attachments show the connector colors but here they are as well for the OEM connectors so you can find each of these wires.

T8 is a black connector
T8a is a Brown connector
T20 is a Green connector

The only other one is the antenna wire that is a shielded wire that should just plug into the new radio. It should have a connector that looks like a duck bill.

Hopefully this all makes sense.
Was this
answer
helpful?
Yes
No
Wednesday, November 25th, 2020 AT 6:34 PM

Please login or register to post a reply.