Wednesday, June 21st, 2023 AT 5:30 AM
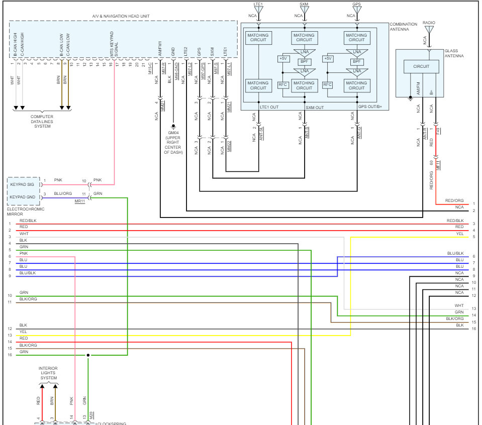
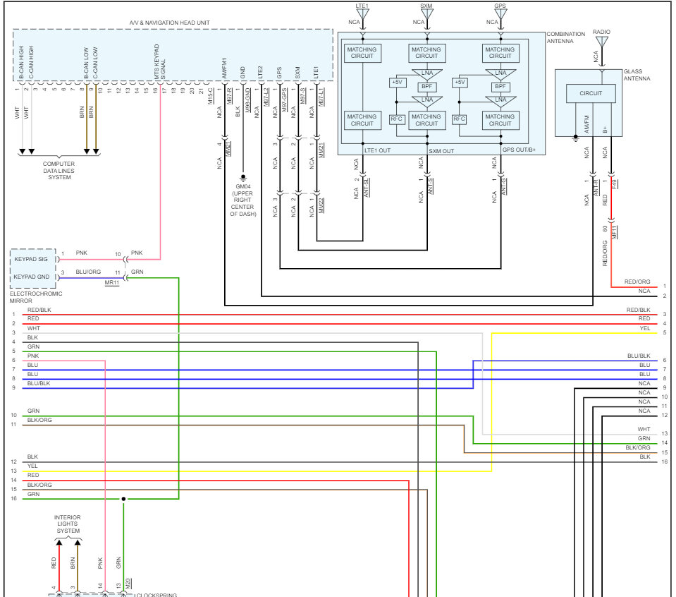
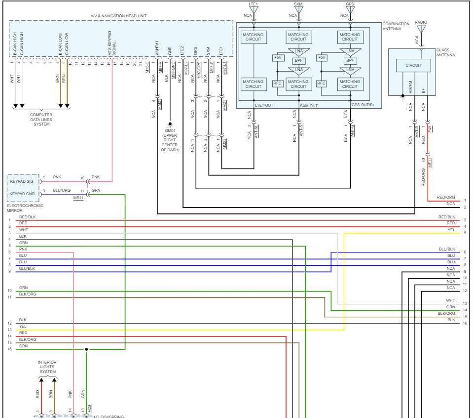
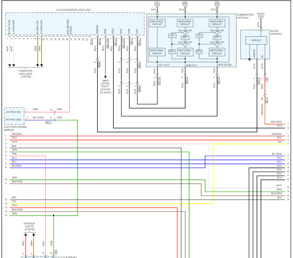
I have the vehicle listed above S, with auto climate and no Harmon speakers. I’m trying to tap into the wires in the back of the stock radio for a LOC to put an amp in my car. I could really use a diagram of the stock radio wire harness. Thanks!









