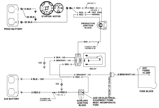
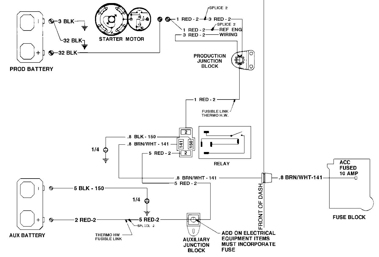
Friday, July 19th, 2024 AT 5:46 AM
Put a rear outer tire on and new battery. When turning the key. No crank nor clicking. Turned on the lights, just the running lights. No low beams or high beams. Could it be the starter? It did start and run but that was two years. Trying to get it out of the storage yard and clean it up to sell.



