Trunk will not open

Tiny
CLAWBEAR55
  • MEMBER
  • 2007 CHEVROLET IMPALA
  • 3.5L
  • 6 CYL
  • 2WD
  • AUTOMATIC
  • 145,000 MILES
My car's trunk will not open. I replaced the fuse and trunk relay and still will not open. Now what?
Friday, September 21st, 2018 AT 8:40 PM

1 Reply

Tiny
KEN L
  • MASTER CERTIFIED MECHANIC
  • 55,481 POSTS
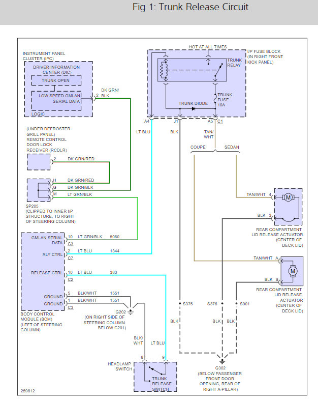
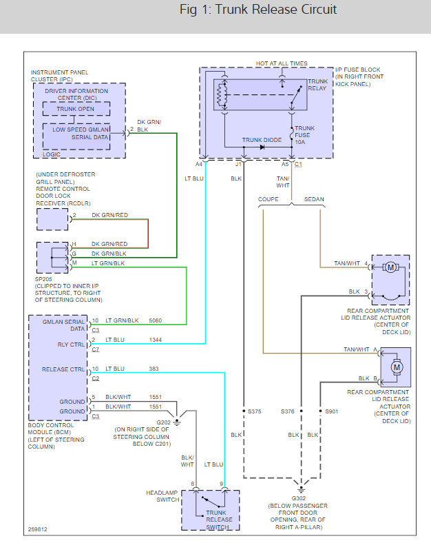
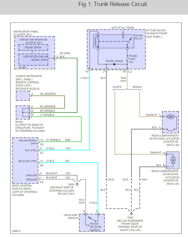
Can you hear the truck latch tring to operate? If so push down on the trunk lid while a helper hits the release button. Here is a guide to help you see where you are losing power and the trunk wiring diagrams so you can see how the system works. Does the fuse have power?

https://www.2carpros.com/articles/how-to-use-a-test-light-circuit-tester

Check out the diagrams (below). Please let us know what you find. We are interested to see what it is.

Cheers, Ken
Was this
answer
helpful?
Yes
No
Monday, September 24th, 2018 AT 12:07 PM

Please login or register to post a reply.