Trunk release not working

Tiny
BRETTMOREL
  • MEMBER
  • 2012 BUICK REGAL
  • 2.0L
  • 4 CYL
  • 2WD
  • AUTOMATIC
  • 67,000 MILES
My trunk will not open from the remote or trunk release. I have replaced the latch on the trunk, but still nothing I cannot find a relay for it to check.
Sunday, January 27th, 2019 AT 5:03 AM

3 Replies

Tiny
SEVAG P
  • MECHANIC
  • 406 POSTS
Hello BRETTMOREL thanks for using 2 carpros.
If the both from the remote and truck release not activating the rear latch then the problem must be searched other places. Check fault codes will be helpful also.
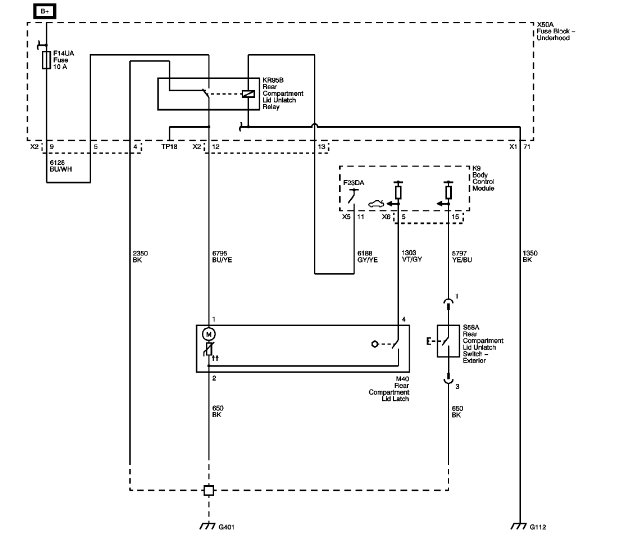
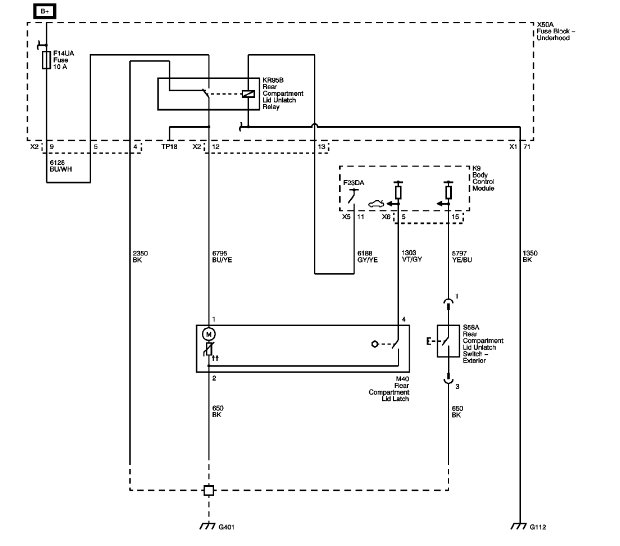
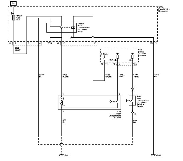
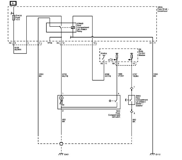
Rear trunk unlatch relay is non serviceable printed circuit board its internal to the block(check pic 1).
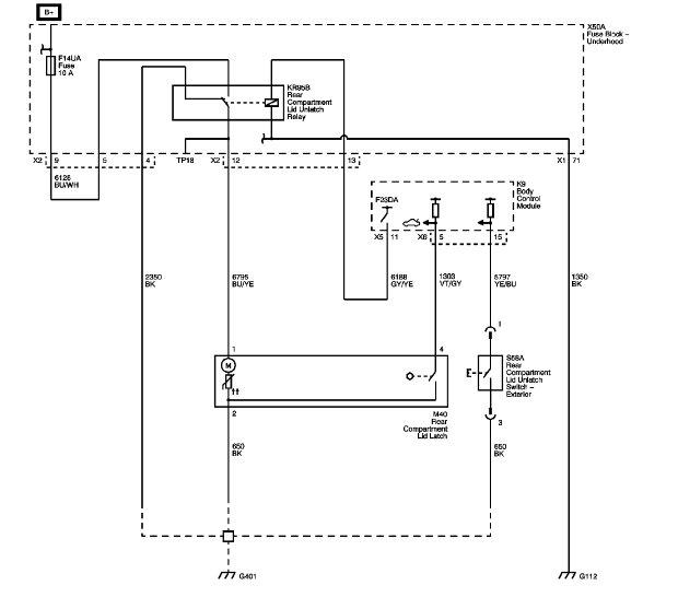
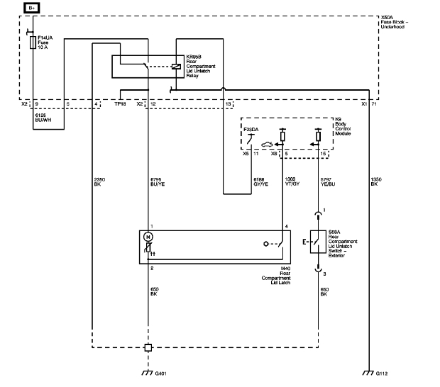
Check supply voltage on latch connector use voltmeter between pin 1bu/ye wire and pin 2 bk wire must display 12v (check pic2) wiring diagram. If not check the fuse if the fuse ok check wires for open circuit between fuse block pin 12 and latch pin 1, between latch pin4 and body control unit pin 5. Control unit location behind lower left side of the instrument panel components.(Check pic3)
please let me know the result.
Was this
answer
helpful?
Yes
No
Sunday, January 27th, 2019 AT 9:42 AM
Tiny
BRETTMOREL
  • MEMBER
  • 1 POST
It turned out to be a second relay. The dealership added by the main fuse panel under the hood. Thanks for your help.
Was this
answer
helpful?
Yes
No
Saturday, February 2nd, 2019 AT 1:33 PM
Tiny
KEN L
  • MASTER CERTIFIED MECHANIC
  • 55,420 POSTS
You are welcome, SEVAG PAESEGHIAN is one of our newest experts, he is quickly shaping up to be one of our best!
Was this
answer
helpful?
Yes
No
Saturday, February 2nd, 2019 AT 1:36 PM

Please login or register to post a reply.