Door/Trunk Ajar light is also on but all doors are closed

Tiny
JHUNTER
  • MEMBER
  • 1999 BUICK REGAL
  • 91,000 MILES
I have a 99 Buick Regal V6. The interior lights, trunk light, radio and power windows stopped working last night.
Sunday, July 1st, 2012 AT 7:14 PM

1 Reply

Tiny
SQM
  • MECHANIC
  • 6,383 POSTS
Hello,

It sounds like the issue is with the door jamb switch.
On this vehicle that switch is part of the door lock actuator.
It is likely the drive side actuator as that is the one gets used the most and likely to be more worn.
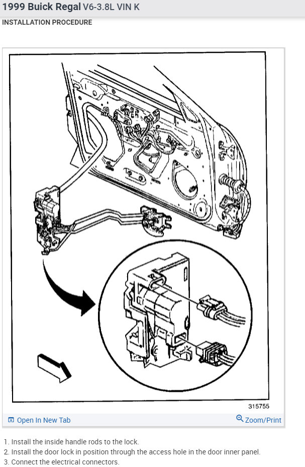
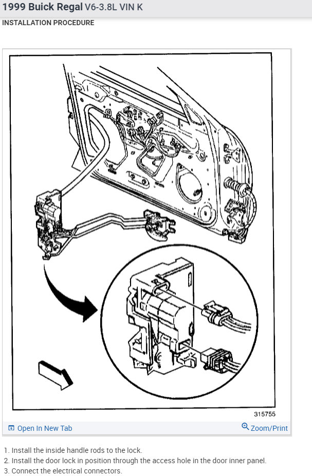
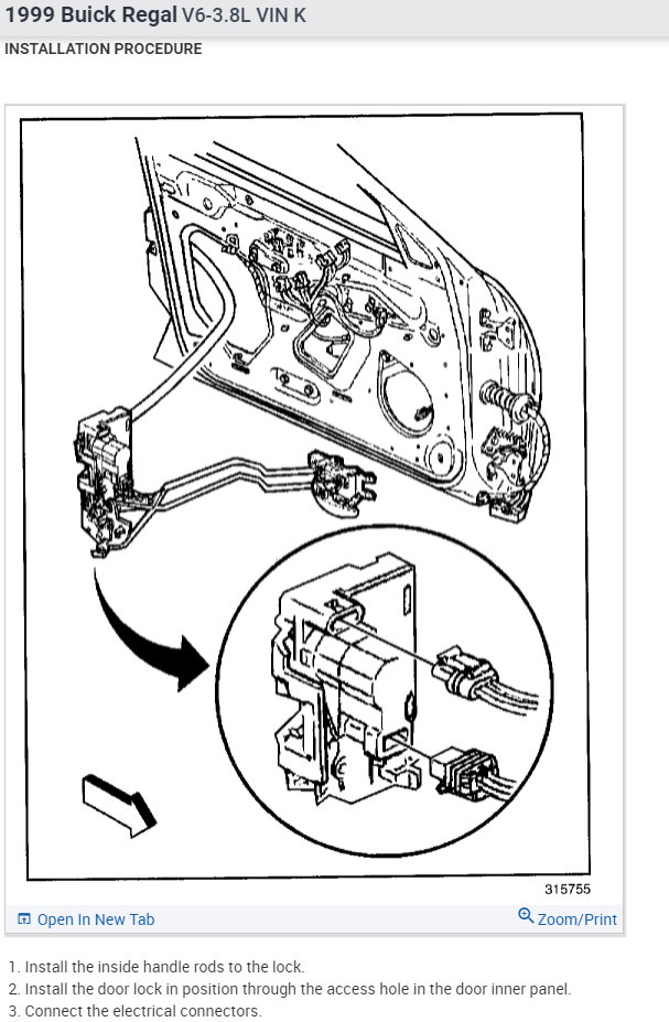
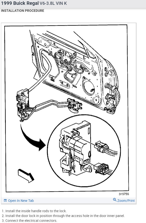
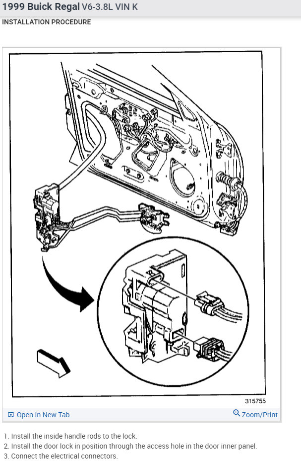
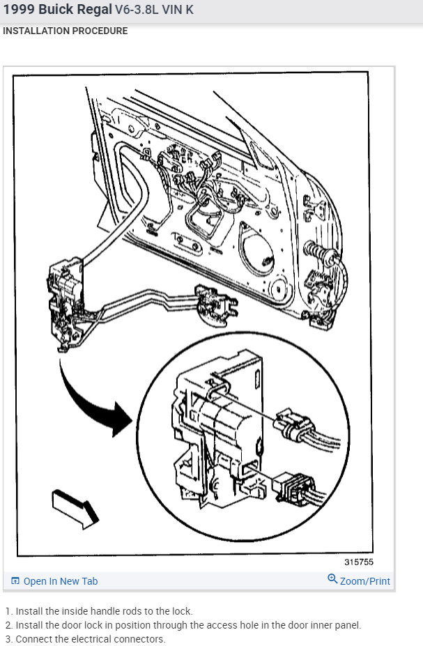
In order to access the door lock actuator, you will have to remove the inner door panel. Which is mounted by few screws and several plastic fasteners.
Here is a helpful guide:

https://www.2carpros.com/articles/door-panel-removal

I have attached diagrams for your reference.

Please let me know if you have any questions.
Thank you.
Was this
answer
helpful?
Yes
No
Sunday, October 10th, 2021 AT 8:39 PM

Please login or register to post a reply.