Wednesday, August 19th, 2020 AT 11:35 AM
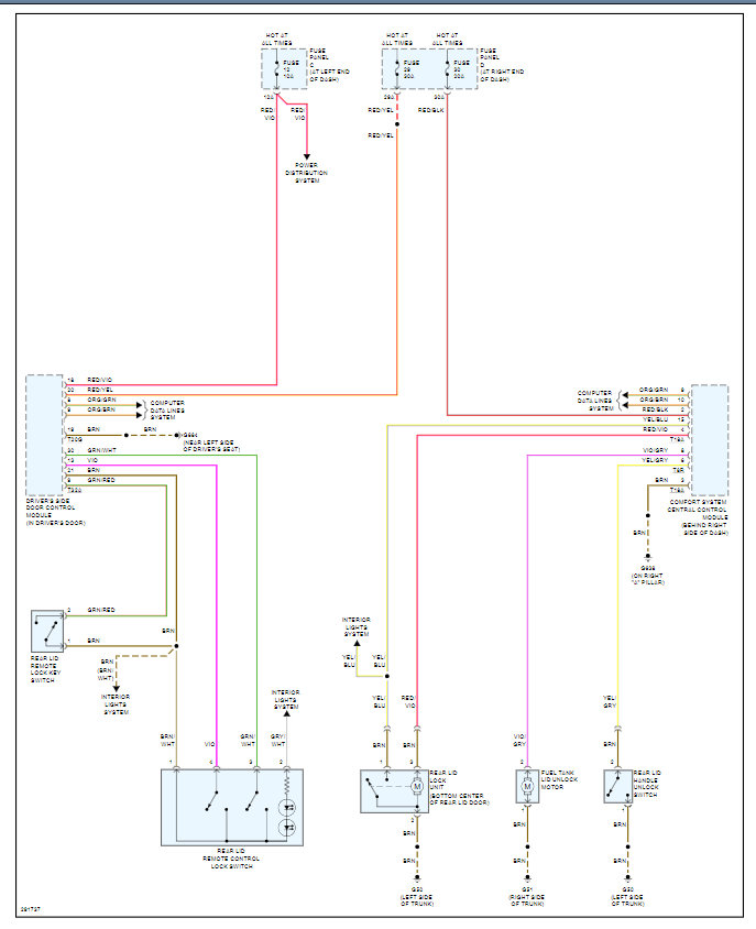
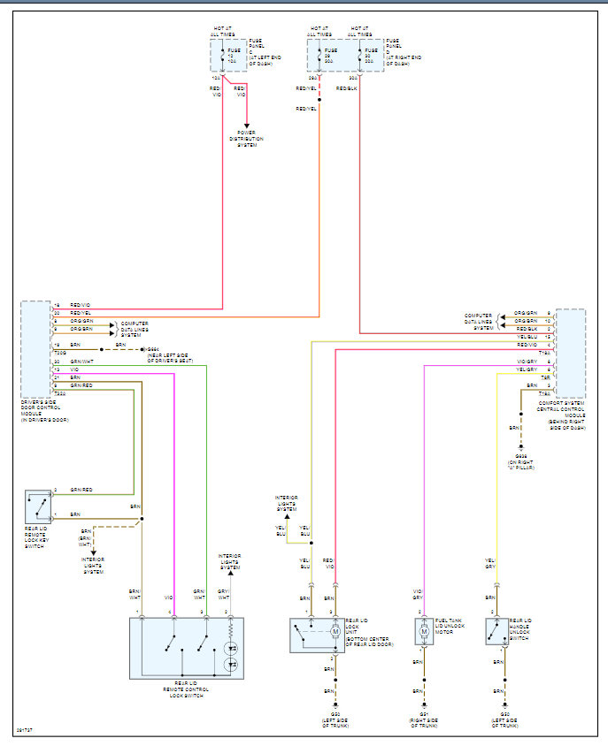
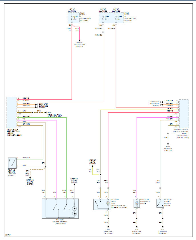
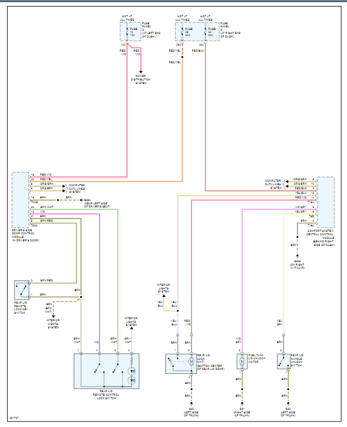
Trunk and back windows open while the car is parked and no key in. A very intermittent problem sometimes after a week others after 6 months. VW has diagnosed the problem many times without conclusions as they could never see the problem. 90% of the times trunk and back windows open, 10% of the time only the windows. Any clues? I am helping my brother and this is driving him crazy. Thank you!




