Thursday, August 26th, 2021 AT 8:06 AM
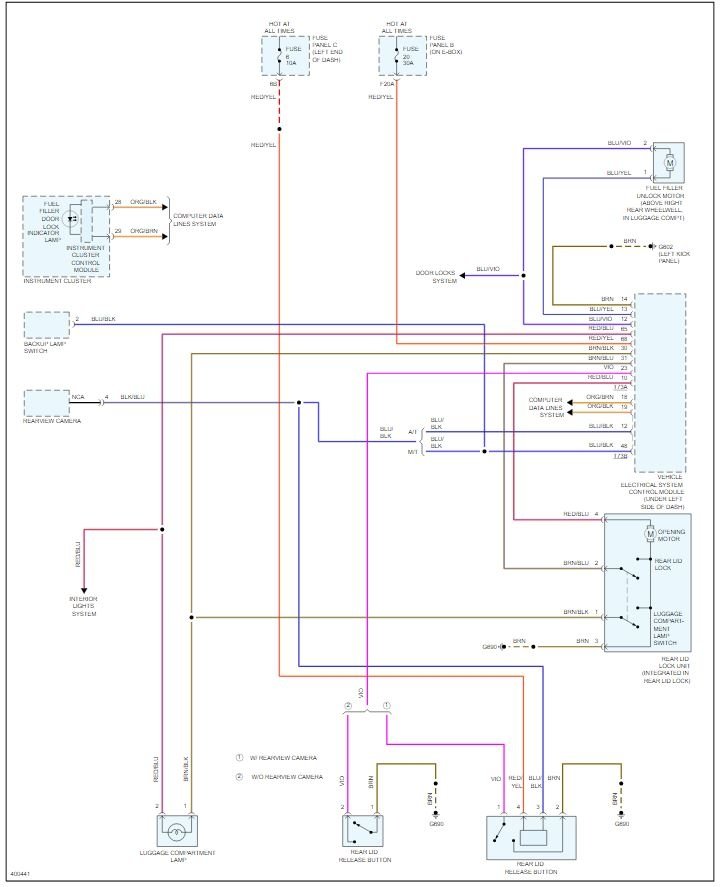
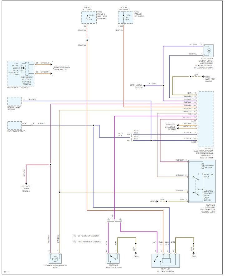
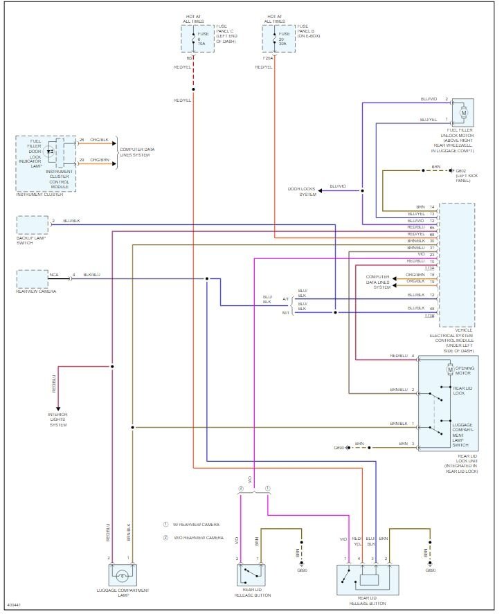
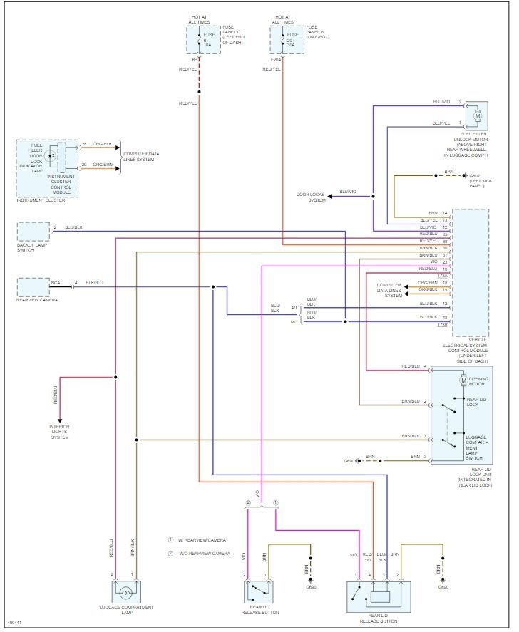
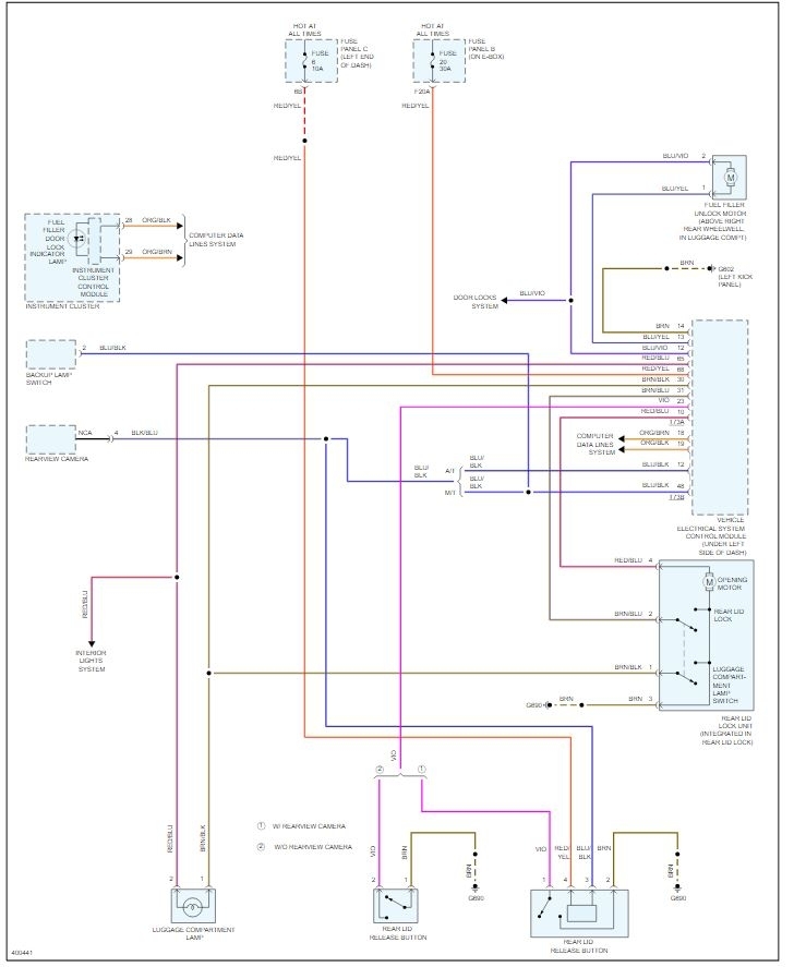
The only way to open the trunk of my car listed above convertible is to press the fob trunk button twice and quickly lift on the VW emblem.





