Cranks does not start

Tiny
MARK GARCIA
  • MEMBER
  • 2004 DODGE DURANGO
  • 5.7L
  • V8
  • 4WD
  • AUTOMATIC
  • 209,000 MILES
I have replaced the ignition coils and put in a new starter it will crank but will not turn over. If I book it up to jumper cables the starter just clicks but if I remove the cables It cranks as if it wants to start. What else can I do?
Wednesday, February 10th, 2021 AT 1:24 PM

1 Reply

Tiny
CARADIODOC
  • MECHANIC
  • 34,463 POSTS
"Crank" and "turn over" are the same thing. Replacing ignition coils suggests you're trying to solve an issue where the starter cranks the engine just fine, but the engine doesn't run. Replacing the starter suggests it isn't cranking the engine. You can see my confusion.

Based on your observations related to the jumper cables, I'm going to guess there is a corroded or loose battery cable. The clicking you mentioned could be the starter relay or the solenoid on top of the starter motor. The relay clicking would be very light and hard to hear unless you're standing right by it. The starter solenoid will make a rather loud single clunk each time the ignition switch is turned to "crank". You can hear that very easily from a long way off.

The place to start is by using a test light to see what is being lost or not occurring. We can also get a clue if you watch what happens to the brightness of the head lights when you turn the ignition switch to "crank". Do they stay bright, dim just a barely noticeable amount, get real dim, or go off completely?

Here's an article that shows how to use a test light if you need it:

https://www.2carpros.com/articles/how-to-use-a-test-light-circuit-tester

You can use a digital voltmeter too, but the test light is faster and more convenient for this type of test. If you need a test light, you can find a perfectly good one at Harbor Freight Tools for about $4.00. Get an inexpensive one with a standard light bulb inside, not one of the very expensive newer ones with a digital readout.

There's two cables connected to the starter motor. One operates the switching solenoid. It is the smaller of the two and could be plugged in or bolted on. We want the larger one that's bolted on. Connect the test light's ground clip to the battery's negative cable clamp or any paint-free point on the engine.

At this initial step, I like to touch the probe to the battery's positive post and see the light bulb light up. That simple step insures the ground clip is making a good contact. I can't tell you how many times I went down the wrong path thinking a voltage was missing when it was really the test light wasn't working correctly. If it doesn't light up, scratch and wiggle the ground clip until the light stays on solidly.

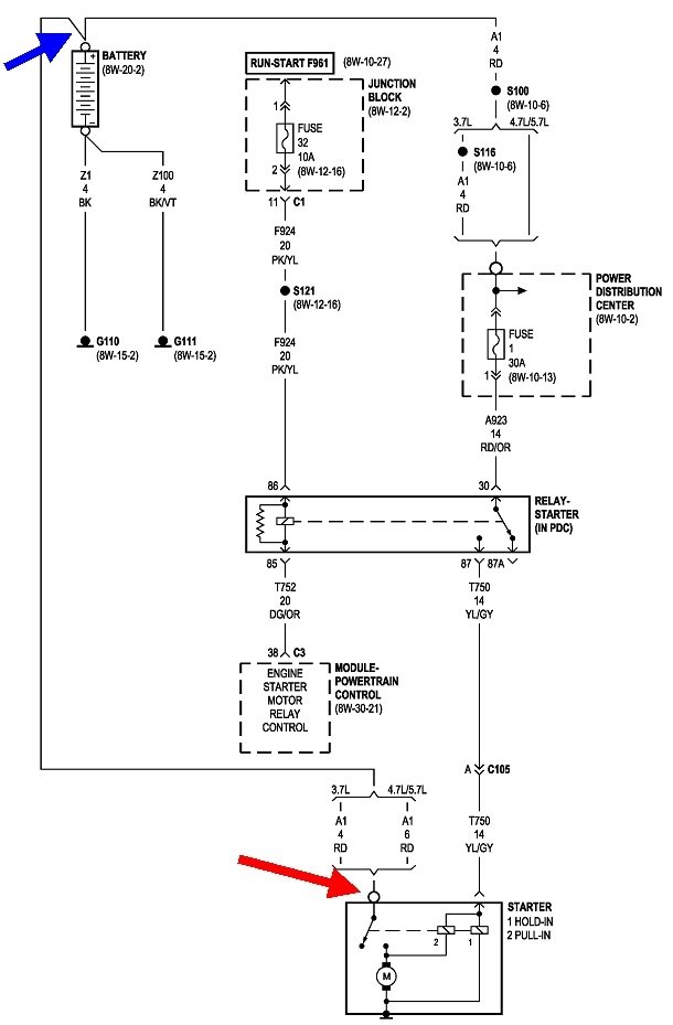
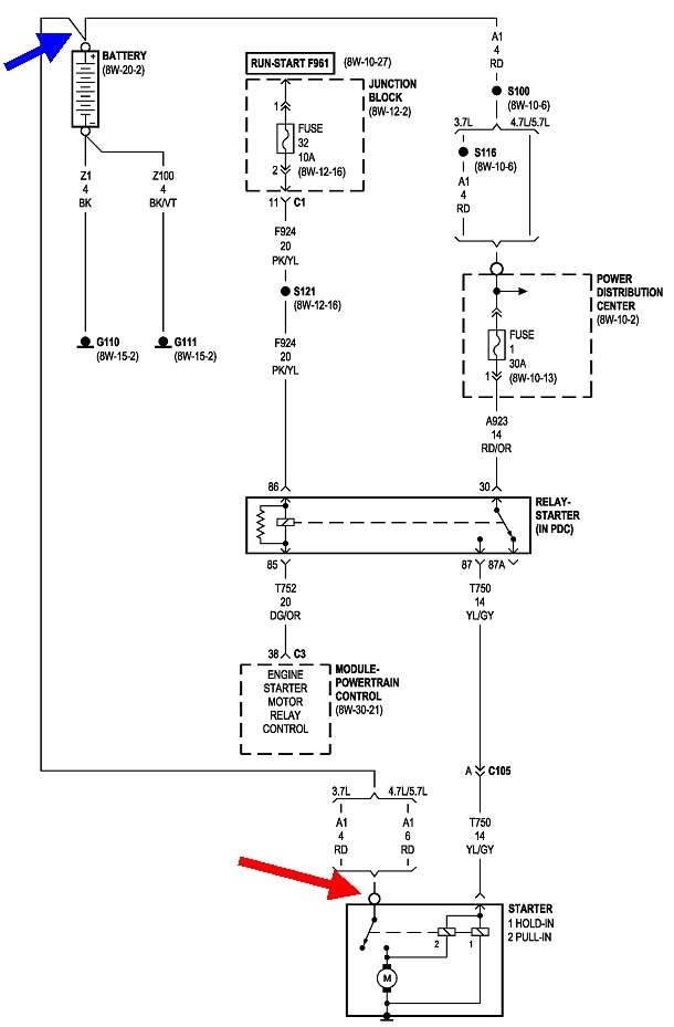
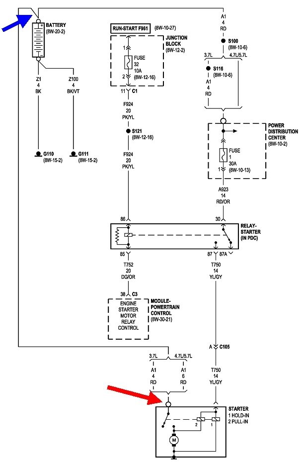
This diagram is of the entire starter system. Touch the probe on the larger stud on the starter solenoid. That's the red arrow in the diagram. To encompass as many possible points of defects as possible, place the probe on the stud, (orange arrow), and not on the terminal itself, (purple arrow), as shown in the second drawing. You can expect the test light to light up. What we want to see is what happens to it when a helper tries to crank the engine. If it stays bright, and you feel the loud clunk when the solenoid engages, the starter motor is defective or the solenoid has burned or arced contacts inside.

If the test light goes off during the attempted cranking, there's a broken connection at one end of the fat battery cable. Most commonly that occurs right at the battery's cable clamp, and connecting jumper cables could disturb that cable just enough to make the connection change and do something different.

As a side note, when you see the symptoms change when the jumper cables are connected, leave them alone on your battery, but disconnect one of them on the assisting car. If the symptoms stay the same, that proves it isn't the assist that is making the difference; it's the clamp that is affecting something, and that is going to be a broken, loose, or corroded battery cable.

I overlooked testing the battery for now because you've already tried jump-starting your engine. We'll comeback to that if testing leads us there.

If you hear and feel the solenoid clunk into engagement, and the test light stays bright, there could be a bad connection in the battery's negative cable. That one bolts to the engine. There's two ways to find this. The first is to touch the test light's probe to a paint-free point on the engine or transmission. It will be off at first, but we want to see what happens when your helper turns the ignition switch to "crank". If the test light lights up, that negative cable has a break in it. The more difficult way of seeing this is to move the test light's ground clip to the engine, then touch the probe to that stud on the starter solenoid where you just were. The light will be bright, but now, if there's a break in the negative cable, it will go off when your helper tries to crank the engine.

Let me know exactly what you find with these tests, then we'll figure out where to go next.
Was this
answer
helpful?
Yes
No
Wednesday, February 10th, 2021 AT 4:02 PM

Please login or register to post a reply.