When transmission is shifted into gear nothing happens?

Tiny
DAKOTA SKOGLUN
  • MEMBER
  • 1989 FORD F-150
  • 5.0L
  • V8
  • 4WD
  • MANUAL
  • 747,000 MILES
Well, my clutch still feels normal but when I put it in gear it doesn't do anything no matter if I'm in 4 wheel or not there is no noise or nothing just nothing happens.
Tuesday, April 20th, 2021 AT 2:52 PM

3 Replies

Tiny
JACOBANDNICKOLAS
  • MECHANIC
  • 110,192 POSTS
Hi,

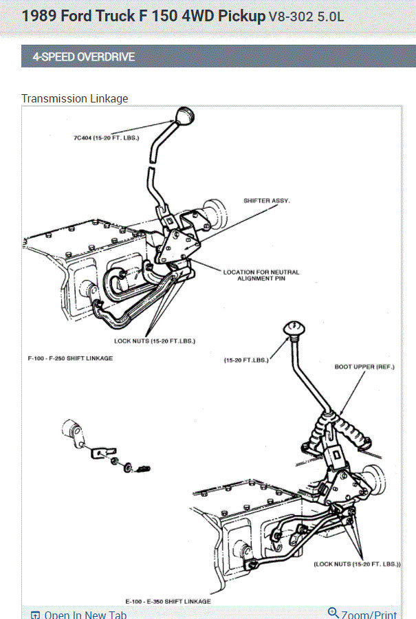
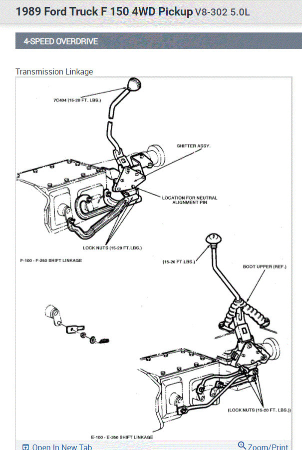
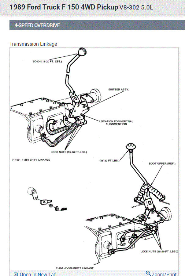
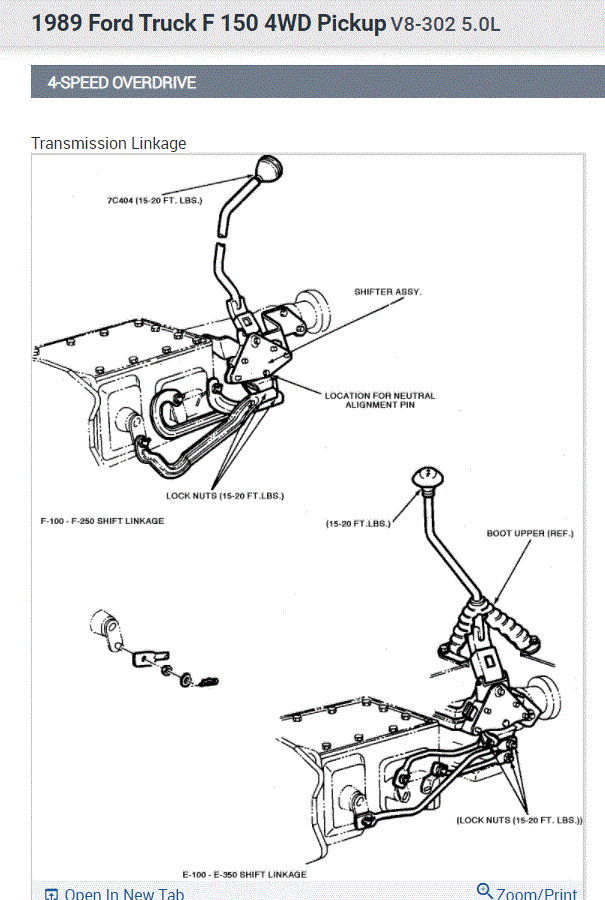
That's a tough one. If nothing is happening, the first thing I would do is check the shift linkage to see if something is disconnected or damaged. Also, the linkage can be out of adjustment.

If you look at the attachments below, they include pics of the linkage and the directions for adjustment. Check both.

Let me know what you find.

Joe

See pics below.
Was this
answer
helpful?
Yes
No
+1
Wednesday, April 21st, 2021 AT 7:24 PM
Tiny
DAKOTA SKOGLUN
  • MEMBER
  • 3 POSTS
My transmission has the m5r2 transmission. I'm pretty sure it's the pressure plate.
Was this
answer
helpful?
Yes
No
Thursday, May 20th, 2021 AT 7:59 PM
Tiny
JACOBANDNICKOLAS
  • MECHANIC
  • 110,192 POSTS
Hi,

If you have the engine off, does it feel like it is shifting as it always did? It could be the pressure plate, but usually, that will make some noise. Are you hearing anything?

The transmission you indicated is an all-aluminum unit. There really haven't been many issues with them. So, the best thing we can do is pull it and inspect the pressure plate, clutch, input shaft, and so on.

If you look at pic 1, I found a technical service bulletin related to not being able to be engaged. Pic 1 came from the manual under technical service bulletins and indicates possible causes of the problem you're having.

The remaining three pics explain how to remove the transmission and clutch assembly. I hope this helps. Let me know what you find or if you have other questions.

Take care,

Joe

See pics below.
Was this
answer
helpful?
Yes
No
Friday, May 21st, 2021 AT 7:07 PM

Please login or register to post a reply.