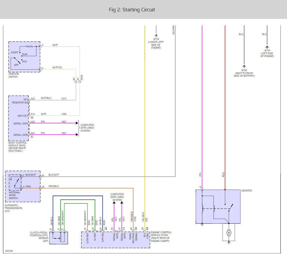
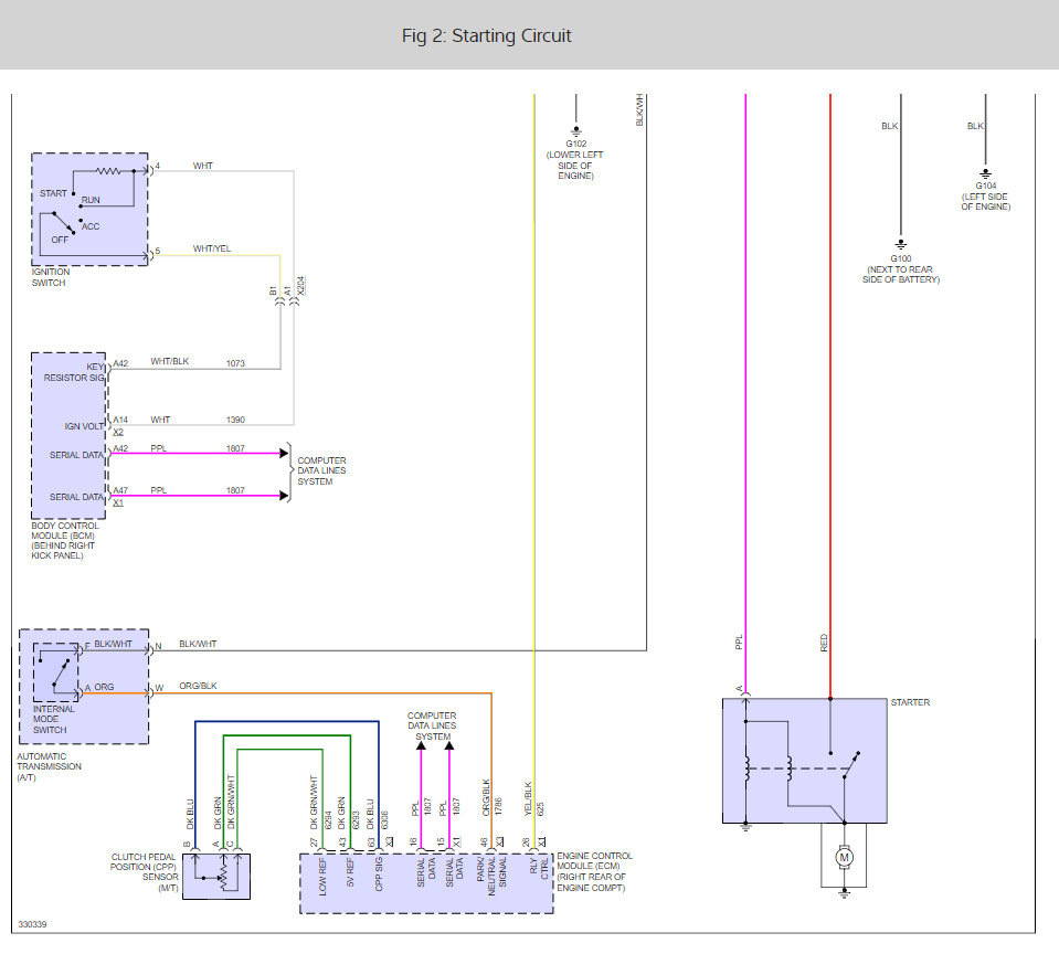
we bought this truck new and immediately installed a remote starter. This past winter the ignition failed. It failed to turn over. Though we did have power everywhere else. Lights and radio worked fine. Then a couple hours later worked just fine. Started on first turn. This happened a few times and once we were out. We had a wrecker take to the garage and then it started working. All the diagnostics passed. The garage suggested it was the remote car starter and that it would be hundreds just to even begin to look or figure out how to disable. We decided not to use the remote car starter figuring it had something to do with cold weather and because it would fail in the morning and work later in the afternoon. We had almost forgotten about the issue and then it happened again on a hot summer day. Same thing. Cannot turn over at all. Except this time it had only been off maybe ten minutes as my wife had driven to a few stores to do errands. Come back a couple hours and works on first turn. My question is how can this be diagnosed if the problem is not occurring? Is there any shot gunning of parts that could at least rule things out? Parts in the ignition have been replaced in the past. Is it possible that someone did not do proper work and in removing something, did not put it back together? I do not want to spend a lot of money on a ghost that might not be found. But I need a reliable car. In the Telecom business we have something called doing a Class A. It means walking the entire circuit. Would it be worthwhile just to have someone carefully take all of the components apart and put them back in? But if this could be a spurious short in possibly hundreds of places it might not make sense. Just interested in the best plan for maximizing my chances and still catch the ghost or make it never happen again.
Not looking for a magic solution as this just may be a tough nut. Just want to make sure that I maximize the dollars spent in the shop with the greatest chance of success. If I tell someone to run diagnostics it could be hours of NPF and I have not reduced the odds of the event happening again.
If it is related to the remote starter I think I will try to see if I can at least make the horn go remotely. I would think that would be proof that the entire remote starter electronics has issues if I cannot do that.
Not looking for a magic solution as this just may be a tough nut. Just want to make sure that I maximize the dollars spent in the shop with the greatest chance of success. If I tell someone to run diagnostics it could be hours of NPF and I have not reduced the odds of the event happening again.
If it is related to the remote starter I think I will try to see if I can at least make the horn go remotely. I would think that would be proof that the entire remote starter electronics has issues if I cannot do that.
Aug 22, 2017 at 1:41 PM

