Wednesday, July 7th, 2021 AT 8:27 AM
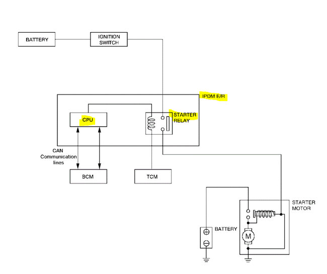
My truck quit on me about a month ago and it was the ECU. I sent it off and had it fixed put it in and it ran good until now; I was trying to hook trailer lights up on the truck and the blinkers stopped working and now the truck will not start. When you try starting the truck it cranks for about two seconds and in the middle of it turning over it's like the power shuts off and it stops turning over. Please help.




