Truck not charging

Tiny
PHILLIP COOLEY
  • MEMBER
  • 2000 DODGE DAKOTA
  • 3.9L
  • V6
  • 4WD
  • AUTOMATIC
  • 250,000 MILES
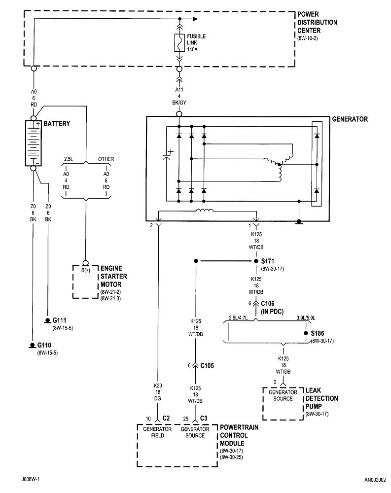
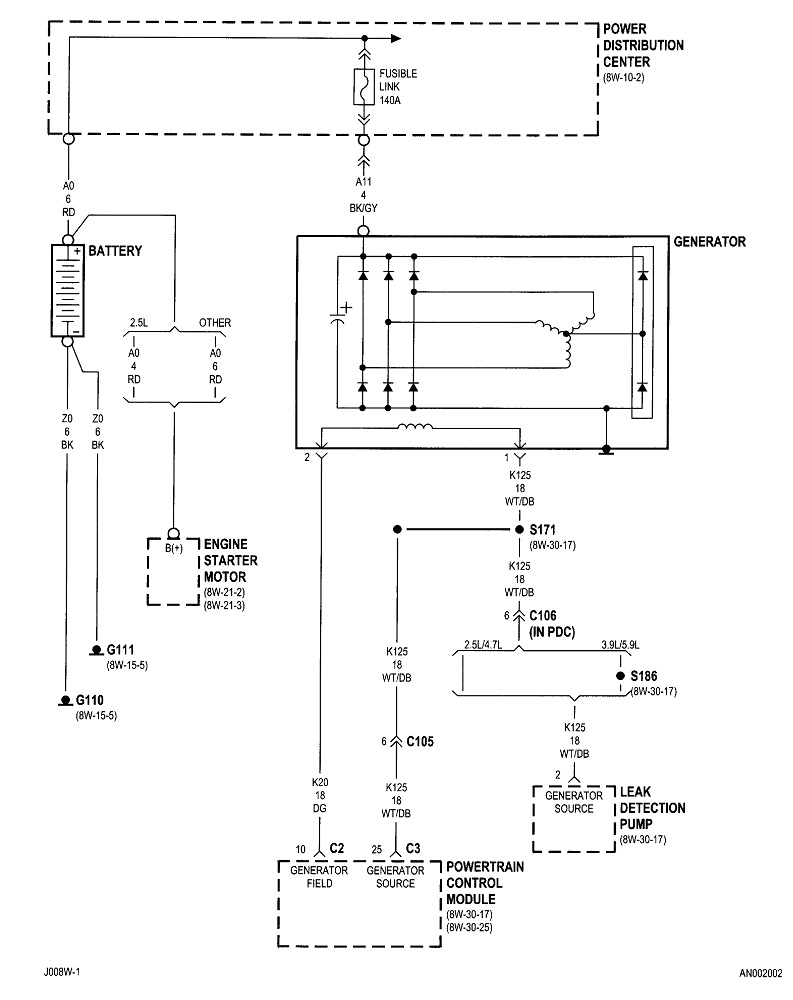
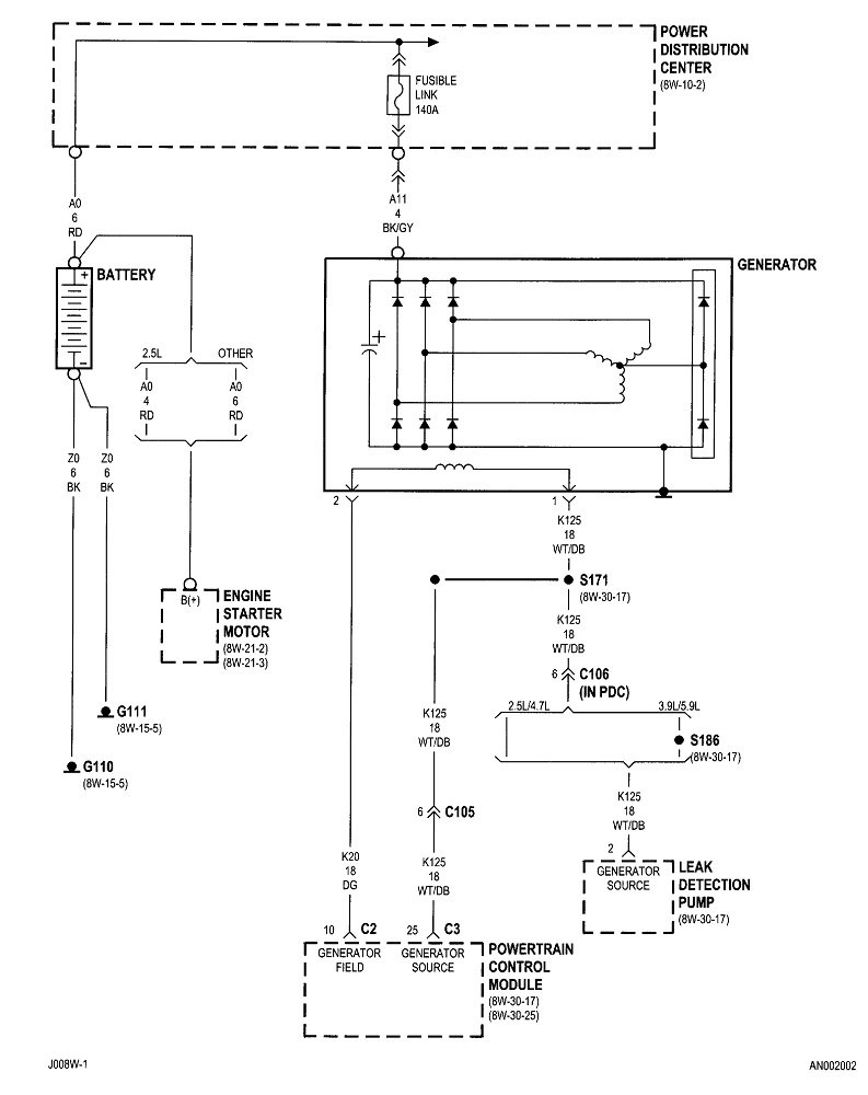
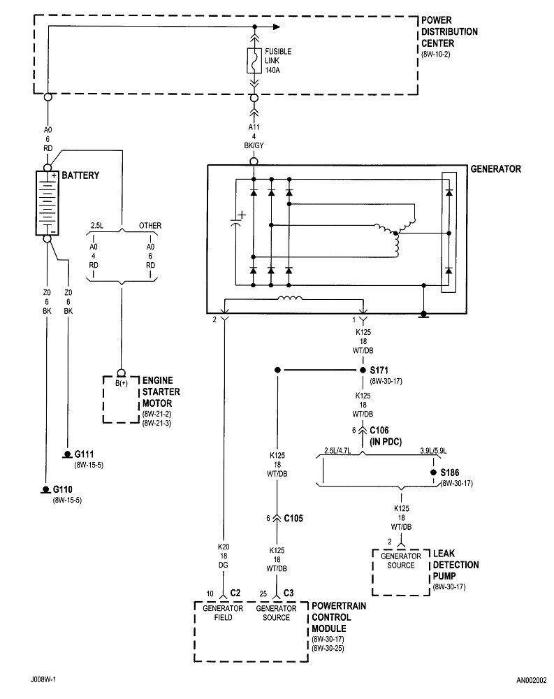
Dash gauges stopped working. Not charging had alternator checked it is good. The computer is making a clicking noise. I was told that the voltage regulator was in the computer and not in the alternator so maybe I'll have to buy a new computer thinking about a plug and play, but I have heard there is a way to put an external voltage regulator and bypass the one in the computer. What would you suggest?
Friday, January 22nd, 2021 AT 4:38 PM

1 Reply

Tiny
CARADIODOC
  • MECHANIC
  • 34,432 POSTS
The electronic regulator from the '70s will run this alternator just fine, but the lack of field current flow through the regulator in the Engine Computer will be detected, and a fault code for "field circuit not switching properly" will set, and that will turn on the Check Engine light. At that point you'll never know if a more serious problem occurs as that light will already be on. Also, when a fault code is set, many other tests the computer runs will be suspended, so you could have new problems with no related fault code to direct you to the circuit or system that needs further diagnosis.

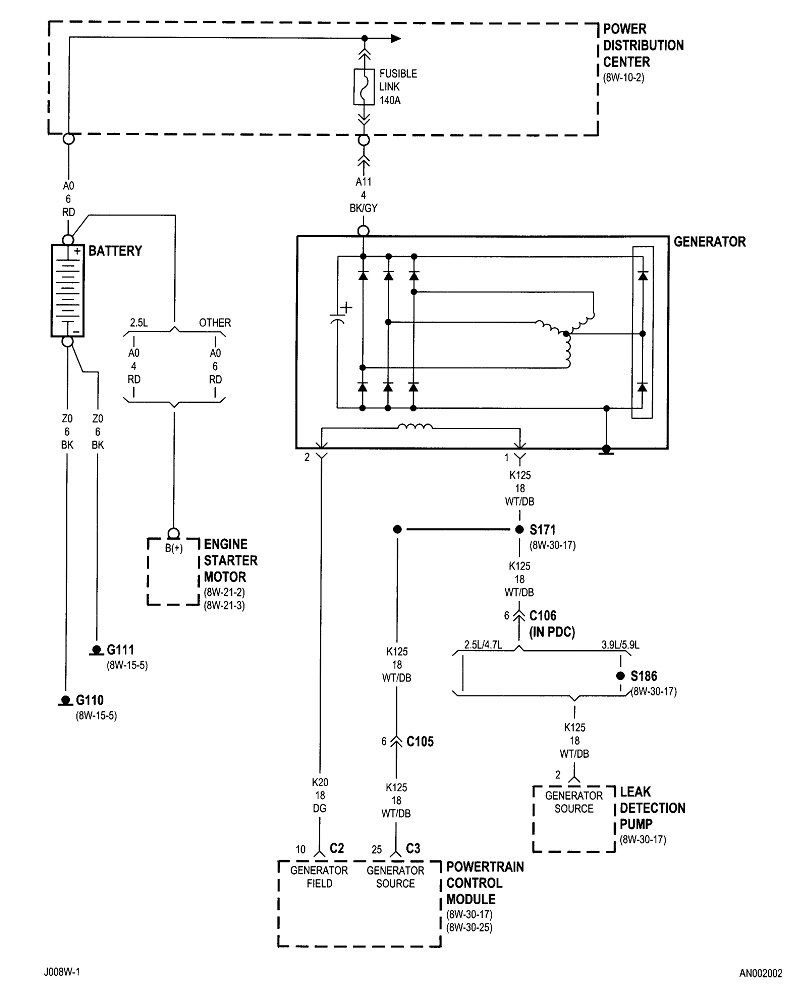
The voltage regulators in the Engine Computer have been very reliable, so lets actually diagnose this first. You can do that by measuring the three voltages on the back of the alternator. You must find full battery voltage on the large output stud all the time. The engine must be running when you take the readings on the two smaller terminals. One must have full battery voltage, and the other one must have less than 12 volts, but not 0 volts. Normal is between 4 and 11 volts.

If you find nearly exactly the same voltage on both small terminals, there is a break in the circuit going to the voltage regulator inside the computer. That could include the regulator circuitry itself, but that would be real uncommon.

If you find 0 volts on both smaller terminals, there's a break in the supply circuit. One possible cause of that is from improperly trying to perform a full-field test on the charging system. It can burn open a copper trace inside the Engine Computer. I can describe how to repair that, or we can add a small jumper wire to bypass the burned circuit.

Let me know what you find for those three voltages.
Was this
answer
helpful?
Yes
No
Friday, January 22nd, 2021 AT 5:47 PM

Please login or register to post a reply.