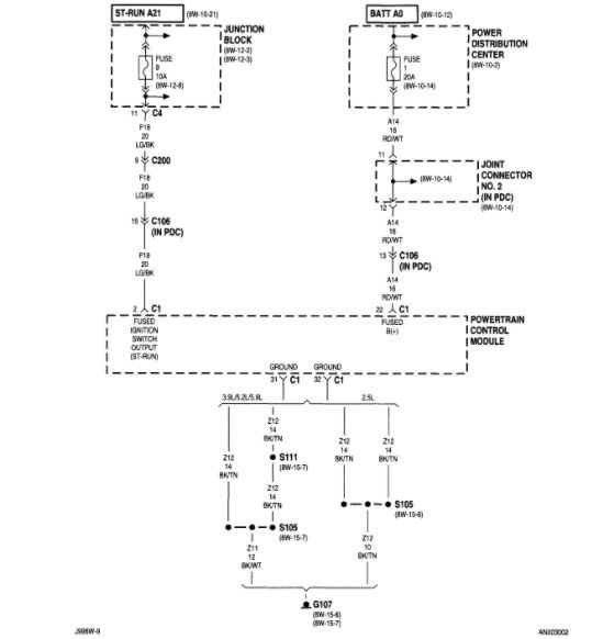
Saturday, February 17th, 2018 AT 7:24 AM
The truck is in limp mode for some reason and turns but will not fire. I replaced fuel pump, the pickup coil and the ignition coil. None of these things have worked and relays are all good.




