Truck cranks no start, codes P0102, P0370, P0335, P0347

Tiny
JASPER DEWAN MOORE
  • MEMBER
  • 2004 LAND ROVER RANGE ROVER
  • 4.4L
  • V8
  • 4WD
  • AUTOMATIC
  • 170,000 MILES
Changed the ignition coil relay, crank shaft sensor, changed timing guides, chain, and tensioners. Changed the spark plugs as well as the coil packs. Truck will not start. It is getting fuel at the rail line and the starter is engaging. Replaced all of my fuses in the ebox, glove box and in the rear of truck with no resolution.
Codes are:
P0102
P0370
p0335
p0347
Monday, October 8th, 2018 AT 12:48 PM

9 Replies

Tiny
JACOBANDNICKOLAS
  • MECHANIC
  • 110,192 POSTS
Hi and thanks for using 2CarPros.com.

Based on the trouble codes you have, it sounds like a bad crankshaft position sensor. I realize you replaced the sensor, however, have you checked for spark? If there is spark, have you confirmed an injector pulse?

https://www.2carpros.com/articles/how-to-test-a-fuel-injector

https://www.2carpros.com/articles/how-to-test-an-ignition-system

Let me know,
Joe
Was this
answer
helpful?
Yes
No
Monday, October 8th, 2018 AT 7:06 PM
Tiny
JASPER DEWAN MOORE
  • MEMBER
  • 6 POSTS
Hello Joe.
I have not checked the injector pulse but I did check for spark.
There is no spark coming from the coils when checked. From my understanding the crank shaft position sensor tells the ECM when to engage the coils. Now one part I forgot to mention was I did jump the ignition relay due to it not starting prior and it did start but cut right off. I then replaced the relay and still no start. Could I have shorted out another relay or fuse that I do not know about on my truck? When I do try to start it there are moments where it seems it is going to start but goes back to cranking. I was researching the 60a fuse which is located in the passenger glove box. Could this also be a option to check?
Was this
answer
helpful?
Yes
No
Monday, October 8th, 2018 AT 11:15 PM
Tiny
JACOBANDNICKOLAS
  • MECHANIC
  • 110,192 POSTS
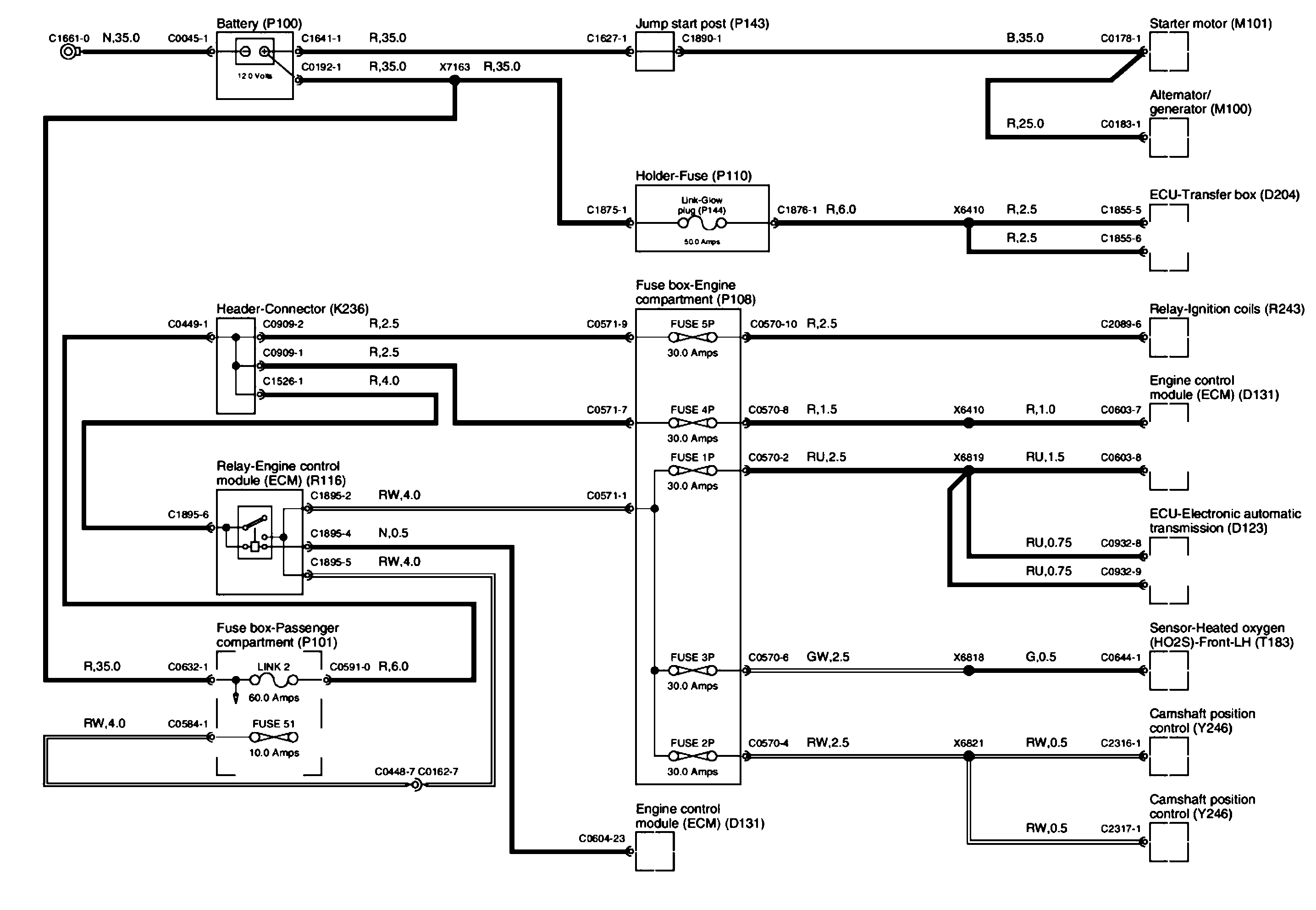
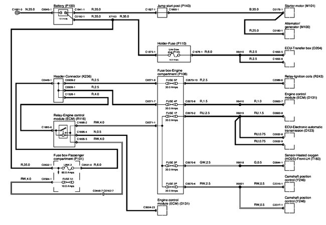
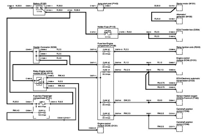
Welcome back. It is never a bad idea to check main fuses. As far as a relay, I feel you hit the important one. Do you have a live data scanner? If so, connect it to the DLC and go to RPM information on the tool. Then, crank the engine. If there is no RPM reading, I suspect the crank signal is missing. Also, check fuse 5P in the under hood fuse box. It is for the ignition coil relay. You may have blown it. Also check fuse 2P which is for the camshaft position sensors.

I attached a schematic of the wiring from the under hood fuse box. Take a look through it.

Let me know what you find.

Joe
Was this
answer
helpful?
Yes
No
Tuesday, October 9th, 2018 AT 5:23 PM
Tiny
JASPER DEWAN MOORE
  • MEMBER
  • 6 POSTS
  • 2004 LAND ROVER RANGE ROVER
  • 4.4L
  • V8
  • 4WD
  • AUTOMATIC
  • 170,000 MILES
Changed the ignition coil relay, crank shaft sensor, changed timing guides, chain, and tensioners. Changed the spark plugs as well as the coil packs. Truck will not start. It is getting fuel at the rail line and the starter is engaging. Replaced all of my fuses in the ebox, glove box and in the rear of truck with no resolution.
Codes are:
P0102
P0370
p0335
p0347
Was this
answer
helpful?
Yes
No
Tuesday, October 9th, 2018 AT 6:05 PM (Merged)
Tiny
MOTOR MASTER
  • MECHANIC
  • 279 POSTS
Hello.
My name is Dave. I am not sure if you looked up the codes but that is the best place to start. First is code 102 which is mass air flow sensor which should not keep the engine from starting but will, however cause it to run rough. I have attached the charts for the other codes. It looks to me like the first step would be to check the wiring to your cam sensors, all of the code you have given lead me to believe there is a highly likely that there is an issue with the wiring harness, first thing I would look for is for visibly damaged wires in the harness that leads to the cam position sensors. I have attached a picture showing the location of the plugs. I highly suspect that one or more wires may have gotten pinched or damaged in the process of doing the work on the timing chain. I hope this has been helpful and thanks for using 2CarPros! Please let us know if this helps you find the issue and if not please let us know and we will be happy to help you with further steps.
Was this
answer
helpful?
Yes
No
Tuesday, October 9th, 2018 AT 6:05 PM (Merged)
Tiny
JASPER DEWAN MOORE
  • MEMBER
  • 6 POSTS
Thank you for the reply. I actually found another issue which maybe one of the main issues with the truck not starting. I checked the voltage as well as the crank sensor and that’s all fine. The p0102 code was an error on my part because I didn’t have the mass airflow sensor plugged in. Upon my visual inspection I did find ball bearings in a casing under my flywheel. I believe this could be my main crankshaft seal and main bearing which could be the issue I am having. I assume this alone will not allow any movement to the crankshaft as it does look like there are metal pieces which look similar to what I’ve researched. I have provided a picture for you to see. If my guess is right would this be the issue for my truck not starting?
Was this
answer
helpful?
Yes
No
Tuesday, October 9th, 2018 AT 9:51 PM
Tiny
JASPER DEWAN MOORE
  • MEMBER
  • 6 POSTS
Here is another picture of the crankshaft main bearing that I found online.
Was this
answer
helpful?
Yes
No
Tuesday, October 9th, 2018 AT 9:58 PM
Tiny
JASPER DEWAN MOORE
  • MEMBER
  • 6 POSTS
I also found oil on the crank shaft sensor plug and the sensor itself along with metal shavings on the sensor due to it being magnetic.
Was this
answer
helpful?
Yes
No
Tuesday, October 9th, 2018 AT 10:02 PM
Tiny
JACOBANDNICKOLAS
  • MECHANIC
  • 110,192 POSTS
The ball bearings are from a bearing for sure. I think you found the problem.
Was this
answer
helpful?
Yes
No
Wednesday, October 10th, 2018 AT 3:55 PM

Please login or register to post a reply.