Monday, April 12th, 2021 AT 11:04 AM
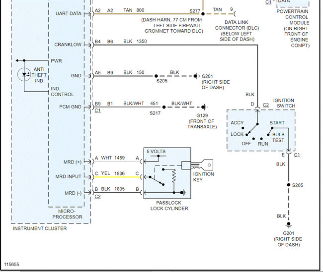
So I am having a problem with the theft deterrent system. I have tried to reset it with no good result. Here's the thing I swapped engine from a 3 speed to a 4 speed with the wiring harness for under the hood the system was bypassed on my computer but this one is not. How would I bypass it again when I have already bypassed it once?















