Installing a backup camera, wiring diagram needed?

2013 HYUNDAI ELANTRA
57,000 MILES
Avatar
KIM COONS
  • MEMBER
  • 1 POST
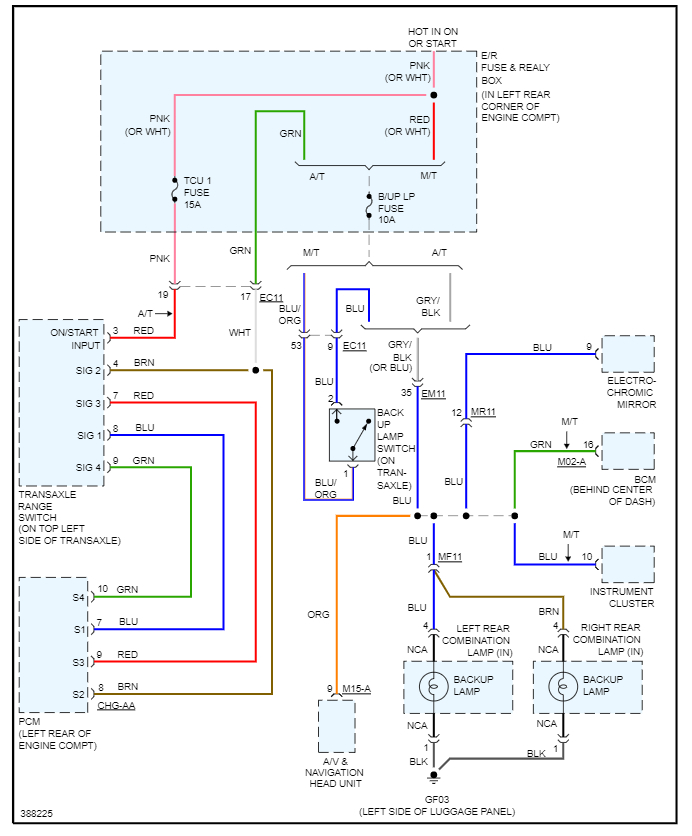
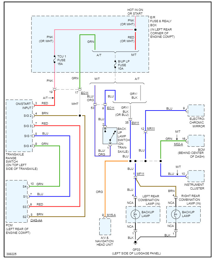
I'm trying to install a backup camera; what color is the trigger/reverse wire in the taillight?
May 8, 2023 at 12:25 PM
Repair Safety Notice: This information is for general instructional purposes only. Vehicle repair can be dangerous. Verify all information, follow manufacturer service procedures, use proper tools and safety equipment, and consult a qualified repair shop when needed.
Advertisement
Avatar
STRAILER
  • CAR REPAIR CONTRIBUTOR
  • 54,189 POSTS
It looks like it changes color depending on where you will intercept the wiring at. here are the reverse light wiring diagrams so you can see what color the wires are in a particular location. Check out the images (below). Please let us know if you need anything else to get the problem fixed.
May 8, 2023 at 5:27 PM
Advertisement