P-0722 "Output shaft speed sensor circuit no signal"
P-0756 "Shift solenoid B performance or stuck off"
P-0780 "Shift malfunction"
P-1734 "Problem in System - Shift solenoid valves B or C stuck off / Shift valves B or C stuck"
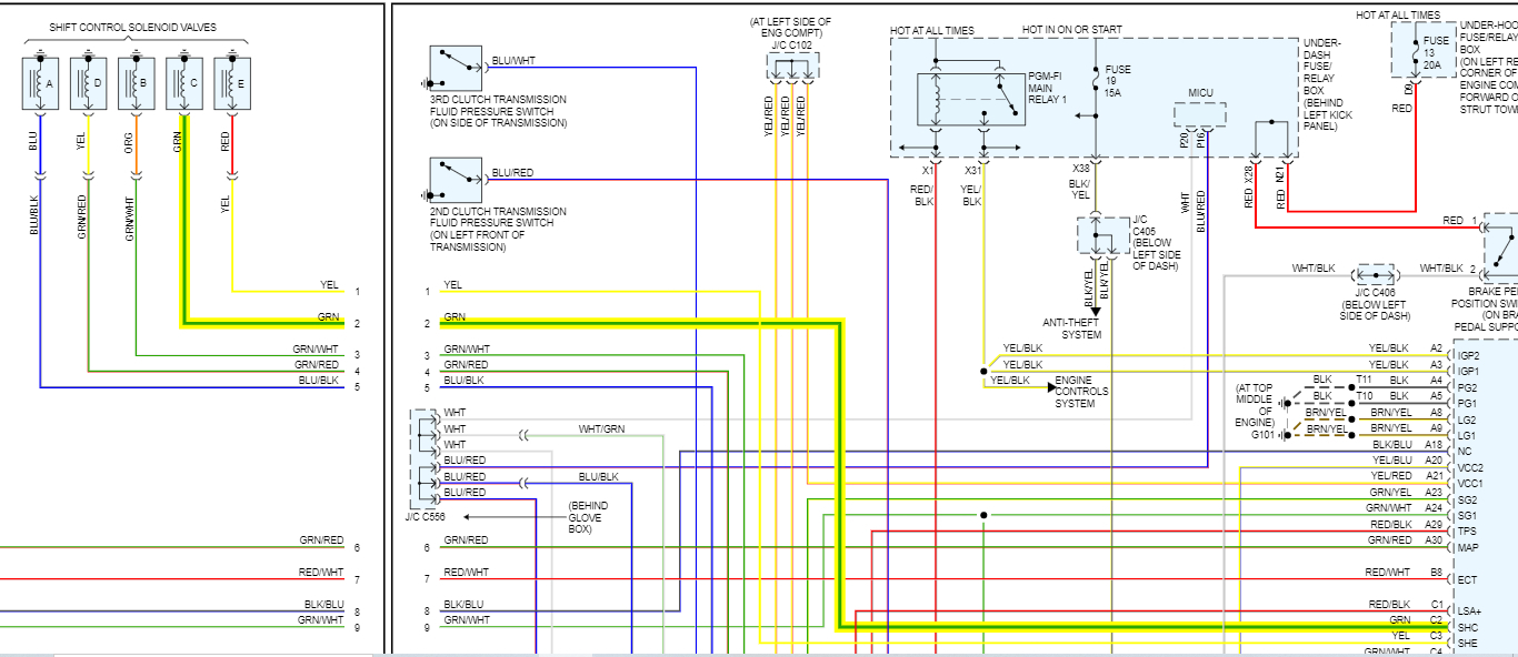
It came with the input and output shaft speed sensors replaced on the outside of the case, as well as the dual linear solenoids on the case, and solenoids B and C inside the trans. The fluid is new so I can't see any kind of metal, but I'm still thinking that this transmission is toast. Unless someone thinks it may be a computer issue, I would think replacing the "stuck" valves would improve something, but the car doesn't even move.
Tuesday, February 7th, 2023 AT 7:17 PM

















