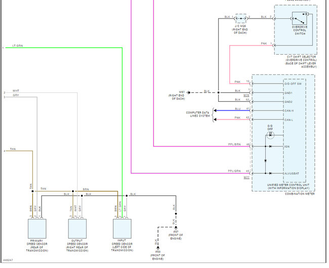
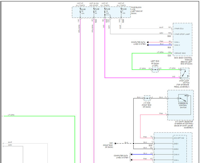
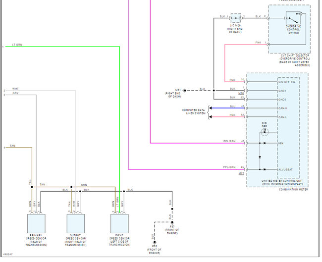
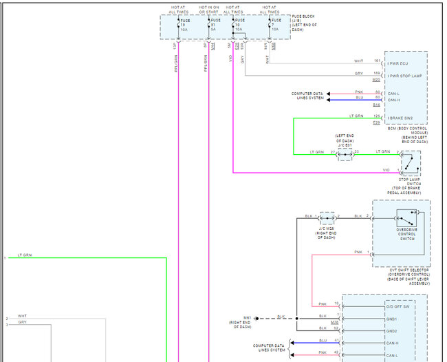
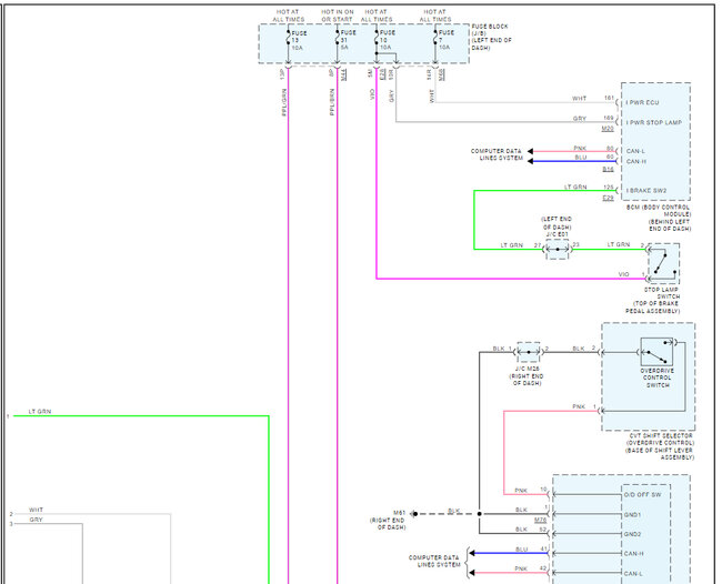
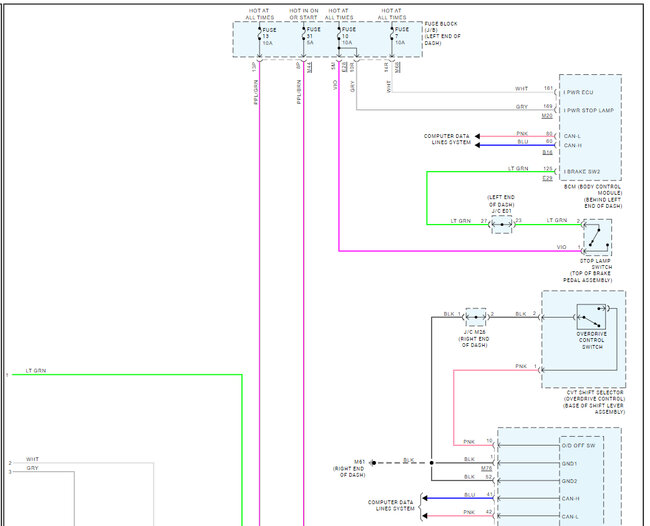
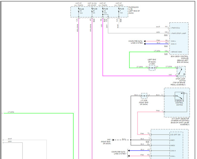
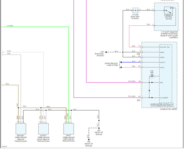
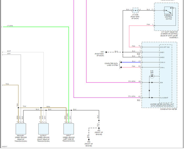
Transmission was replaced on this vehicle, and it was not driving fine. Then i began to access the fault p0890: transmission control module using test lamp and i notice that there was no battery voltage to illuminate the test lamp on the TCM connector but there was ignition, so i have checked the fuse location that powers the TCM battery voltage line but i didn't see. I also used diagrams for a 2013 Nissan Rogue fuse box diagram, but they are not the same.
Please i need the TCM connector view, TCM wire diagram and fuse box diagram for this vehicle for me to solve this problem
Please i need the TCM connector view, TCM wire diagram and fuse box diagram for this vehicle for me to solve this problem
Dec 18, 2023 at 12:03 AM



