Friday, May 13th, 2022 AT 9:00 AM
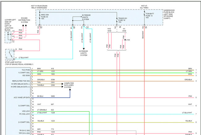
I have the truck listed above that came with a 5.3 4l60. I have since swapped for 6.0 4l80. My question is, the transmission harness compatible for the different transmission. Supposedly you buy an adapter plug which I have, and it will work. The plug adds the necessary speed sensor.










