Friday, October 19th, 2018 AT 10:55 AM
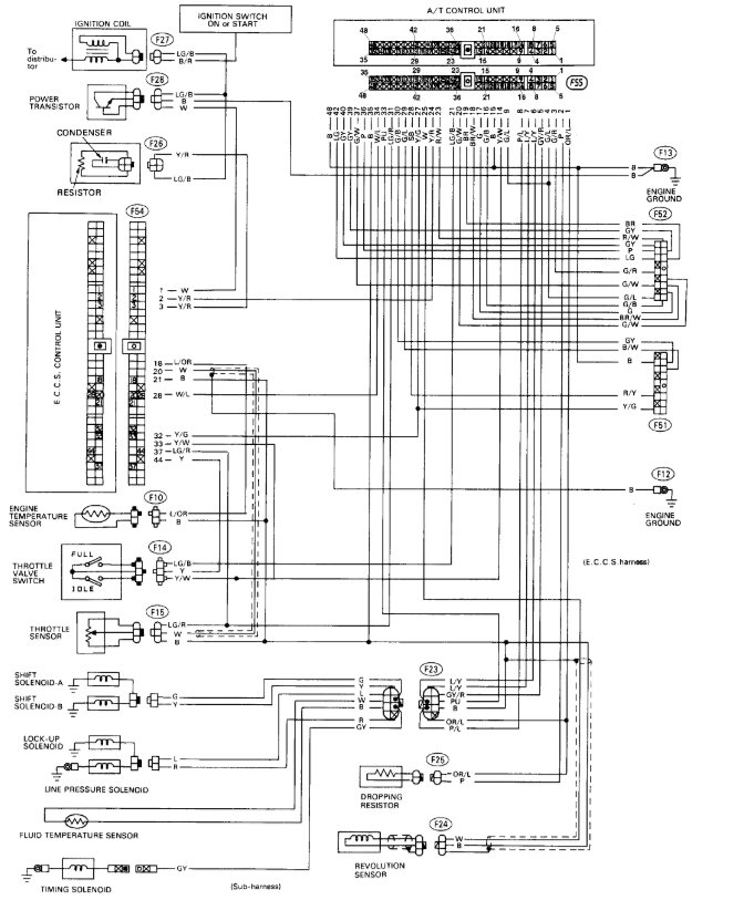
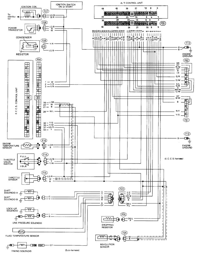
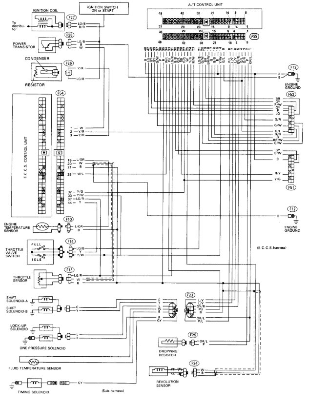
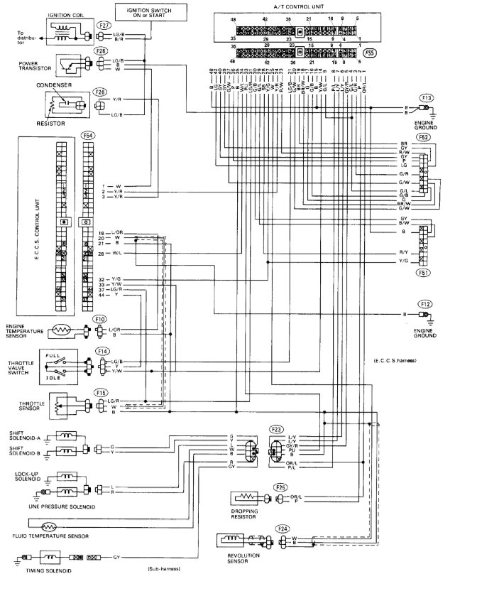
I have the car listed above GXE model with a JA4075 transmission. When I turned the corner it acted like I got kicked out of gear when it did not and did not make a sound. I have not had any problems with the car before and I have changed the fluid checked the linkage and both are fine. I know the pump works because I checked the level with car off started it and level lowered to where it should when running the bands inside are not broken and there is no metal shavings in the transmission. I have changed all the vacuum lines also. The car when I put it into gear the accelerator moves like car is moving but it is not. I have checked axles on both sides and there both fine and set were they are supposed to be. I am at a loss as of what else it could be. Like I said have had no problems at all, no odd noises, no slipping, no hard shifting, fluid always maintained, never smelled off or look discolored. Please help it is my only car and I am a single father with a special needs child and need the car to make his doctors appointments.



