Friday, September 17th, 2021 AT 8:10 PM
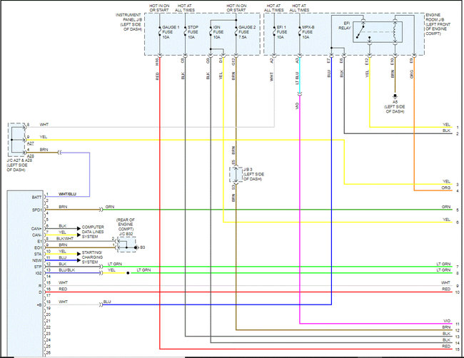
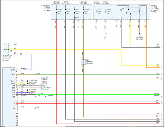
Hello, the vehicles transmission is not smart while accelerating as if some of the solenoid are not responding the way they supposed. I don't know if I can get the circuit diagram of the transmission. If I can measure resistance without removing the oil pan. No codes on it memory.














