Transmission replacement instructions

Tiny
CUDABOB
  • MEMBER
  • 1999 JEEP CHEROKEE
  • 4.0L
  • 6 CYL
  • 4WD
  • AUTOMATIC
  • 300,000 MILES
I need to know if I can replace the transmission?
Sunday, February 26th, 2017 AT 6:25 PM

1 Reply

Tiny
DANNY L
  • MECHANIC
  • 5,648 POSTS
Hello, I'm Danny.

Here is the transmission replacement information you requested. Here is a manual transmission tutorial for you to view. Removing an automatic transmission is similar:

https://www.2carpros.com/articles/transmission-replacement-removal-manual

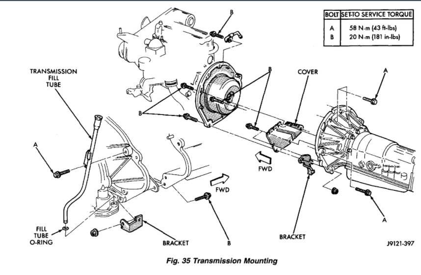
I've attached picture steps below showing how to remove and replace the automatic transmission in your vehicle. Hope this helps and thanks for using 2CarPros.
Was this
answer
helpful?
Yes
No
Wednesday, January 27th, 2021 AT 5:41 PM

Please login or register to post a reply.

Related Transmission Replace/Remove Content