Tuesday, April 7th, 2020 AT 2:34 PM
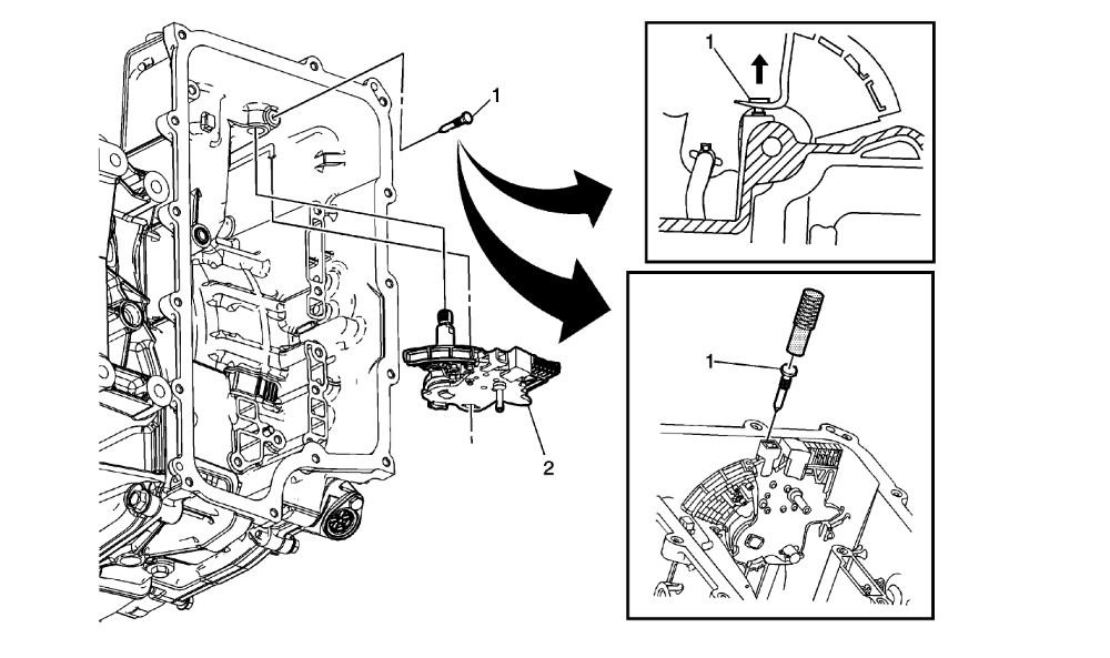
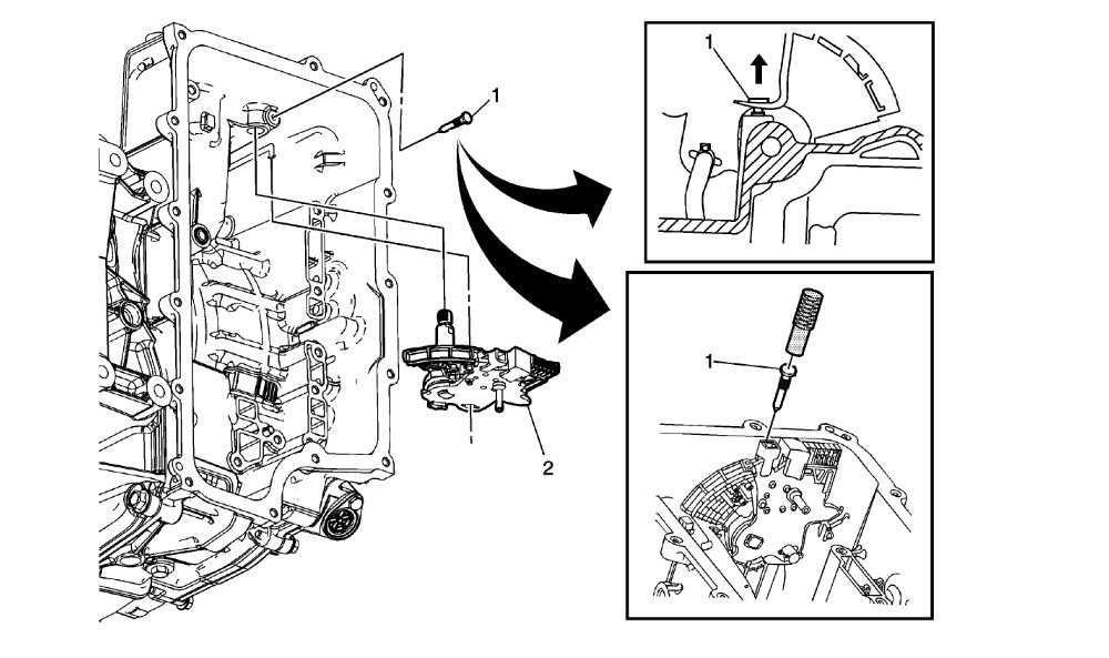
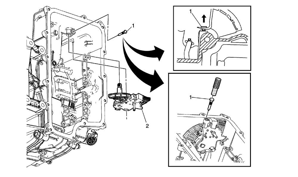
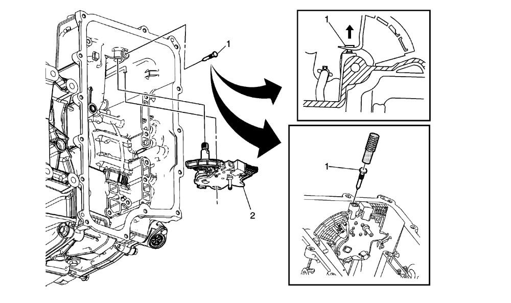
How do you disconnect the mechanical connection/fastener of the transmission range selector lever cable terminal from the transmission manual shift lever pin? I see no nut, screw, pin, or clip holding it on the transmission manual shift lever pin.






