My transmission is not shifting why?

Tiny
BMRFIXIT
  • MECHANIC
  • 19,053 POSTS
Check and replace solenoid pack on the side of the tranny Does your selector show what gear you are in P R N D when you move it let me know


https://www.2carpros.com/forum/automotive_pictures/99387_caravan_tranny_1.jpg

Was this
answer
helpful?
Yes
No
+2
Thursday, May 20th, 2021 AT 3:58 PM (Merged)
Tiny
MR RANDY
  • MEMBER
  • 2 POSTS
Yes, all indicator lights work when shifting from p r n d. I was reading in the owners manual about the tranny going into a safe mode to prevent damage to the tranny when it senses a problem. Hope this helps. Thanks for keepin on this with me. I appreciate it.
Was this
answer
helpful?
Yes
No
Thursday, May 20th, 2021 AT 3:58 PM (Merged)
Tiny
MASTERTECHTIM
  • MECHANIC
  • 4,750 POSTS
I just remembered one I had not too long back. The wiring harness was chafed against the trans pan and cut through a wire. Take a close look at the wire harness and see if it touches metal anywhere then look real close at those wires.
Was this
answer
helpful?
Yes
No
Thursday, May 20th, 2021 AT 3:58 PM (Merged)
Tiny
EASTERN ONTARIO PAUL
  • MEMBER
  • 2 POSTS
  • 2001 DODGE CARAVAN
As I am driving the engine is not changing gears, it is like driving in low gear. And then when putting into drive or reverse there is a banging sound. Any help is appreciated. Please & thanks
Was this
answer
helpful?
Yes
No
Thursday, May 20th, 2021 AT 3:58 PM (Merged)
Tiny
BMRFIXIT
  • MECHANIC
  • 19,053 POSTS
Suspect tranny solenoids pack
need to have it scanned for codes

or cycle the ignition key on off on off on read P0000 codes in the odometer area


https://www.2carpros.com/forum/automotive_pictures/99387_Graphic9_13.jpg

Was this
answer
helpful?
Yes
No
Thursday, May 20th, 2021 AT 3:58 PM (Merged)
Tiny
EASTERN ONTARIO PAUL
  • MEMBER
  • 2 POSTS
BMRFIXIT. Thanks for the response. I tried the ignition on-off for a code but got nothing, just odomiter reading. I tried a couple of times. I did contact a transmission place, they said it could be an electrical problem, and it could be in a protection mode. Anyway, will be going to dealership tomorow to find out, will mention solenoid pack and what tranny place said. Will post what they say, so as to maybee help someone else in future. Thanks again
Was this
answer
helpful?
Yes
No
+1
Thursday, May 20th, 2021 AT 3:58 PM (Merged)
Tiny
BUBBA_GOT_YOU
  • MEMBER
  • 2 POSTS
  • 2001 DODGE CARAVAN
Hi, my van transmission is having a problem it will shift fine one moment then it wont shift out of 1st. Guy at advance auto said it was a transmission control module malfunction. Any idea what that is supposed to mean
Was this
answer
helpful?
Yes
No
Thursday, May 20th, 2021 AT 3:59 PM (Merged)
Tiny
BMRFIXIT
  • MECHANIC
  • 19,053 POSTS


https://www.2carpros.com/forum/automotive_pictures/99387_Graphic9_38.jpg



Do you have check engine light on
scan TCM for codes
most common is speed sensors and or tranny solenoid packs
should have it scanned for codes
Was this
answer
helpful?
Yes
No
+3
Thursday, May 20th, 2021 AT 3:59 PM (Merged)
Tiny
THENNING3129
  • MEMBER
  • 1 POST
  • 2001 DODGE CARAVAN
  • 3.3L
  • V6
  • 2WD
  • AUTOMATIC
  • 200,000 MILES
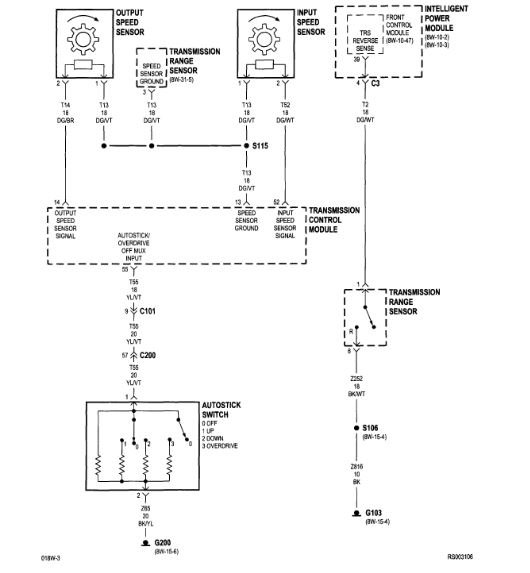
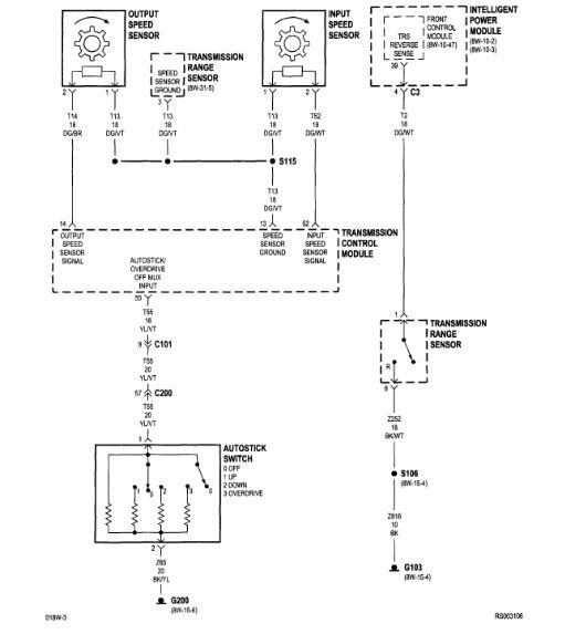
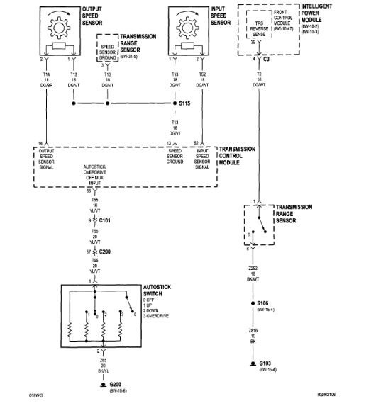
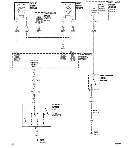
When driving my van, and slowly accepting, I have to typically let off the gas for it to shift into third and/or fourth gear sometimes, and my rpm's are higher than normal. I checked codes, and I have P1684 code and P0720 code that came up. The P0720 code is the output speed sensor. I have the check engine light on, as well as the brake and ABS light. Is the problem my output/input speed sensors, or is it something else? Transmission fluid level is good and looks good too. Any help, thanks
Was this
answer
helpful?
Yes
No
Thursday, May 20th, 2021 AT 3:59 PM (Merged)
Tiny
ASEMASTER6371
  • MECHANIC
  • 52,796 POSTS
Good afternoon,

I attached a list of issues below for this. From the looks of the code, it is an electrical issue, not a component issue.

Do you have a scan tool that can read the transmission and a voltmeter to do some checks?

Roy

P0720 - OUTPUT SPEED SENSOR ERROR

When Monitored and Set Condition:
P0720 - OUTPUT SPEED SENSOR ERROR

When Monitored: The transmission gear ratio is monitored continuously while the transmission is in gear.

Set Condition: If there is an excessive change in output RPM in any gear.

Possible Causes:

Intermittent wiring and connectors
Output speed sensor signal circuit open
Speed sensor ground circuit open
Output speed sensor signal circuit short to ground
Output speed sensor signal circuit short to voltage
Speed sensor ground circuit short to voltage
Output speed sensor error
TCM - output speed sensor
Was this
answer
helpful?
Yes
No
Thursday, May 20th, 2021 AT 3:59 PM (Merged)
Tiny
PALMERFAMLYFIVE
  • MEMBER
  • 1 POST
  • 2001 DODGE CARAVAN
  • 6 CYL
  • FWD
  • AUTOMATIC
  • 11,200 MILES
My van will not shift out of 2nd Gear, the RPM's get high. Up to 4,000, the Transmission fluid is clear, the error message we got was "Transmission Control System". Any Ideas?
Was this
answer
helpful?
Yes
No
Thursday, May 20th, 2021 AT 3:59 PM (Merged)
Tiny
BMRFIXIT
  • MECHANIC
  • 19,053 POSTS
The very common is tranny solenoid mounted on the side of the tranny
2nd is the speed sensors
by scanning the tranny module for codes you can identify the issue


https://www.2carpros.com/forum/automotive_pictures/99387_caravan_tranny_8.jpg




https://www.2carpros.com/forum/automotive_pictures/99387_caravan_tranny_05_1.jpg


good luck
Was this
answer
helpful?
Yes
No
Thursday, May 20th, 2021 AT 3:59 PM (Merged)
Tiny
SLATER80801
  • MEMBER
  • 3 POSTS
  • 2000 DODGE CARAVAN
  • 120,000 MILES
The car drives nicely and will shift into 1st and 2nd gear but wont shift into 3rd gear, please help me! Its a 2000 dodge caravan and I bought the car, the owner said that the transmission needs replacement, I think its a shift seliniod, can you answer my problem?
Was this
answer
helpful?
Yes
No
Thursday, May 20th, 2021 AT 4:00 PM (Merged)
Tiny
JACOBANDNICKOLAS
  • MECHANIC
  • 110,192 POSTS
Hi:
A shift solenoid should have turned on the check engine light. Has that happened?
Was this
answer
helpful?
Yes
No
+3
Thursday, May 20th, 2021 AT 4:00 PM (Merged)
Tiny
SLATER80801
  • MEMBER
  • 3 POSTS
Yes the check engine light is on so can you tell me what that means please?
Was this
answer
helpful?
Yes
No
Thursday, May 20th, 2021 AT 4:00 PM (Merged)
Tiny
JACOBANDNICKOLAS
  • MECHANIC
  • 110,192 POSTS
Your vehicle has an OBD2 computer. OBD stands for On Board Diagnostics. If the light is on, that mean there are Trouble Codes stored in the computer. When the computer is scanned, it will identify which codes are stored and from that, you can tell where the problem is coming from, or at least aprox where the problem is.

What you need to do is have the computer scanned to identify what codes are stored. Hopefully, there will be transmission codes that will point us in the right direction. I'm not sure where you are located, but most parts stores will scan the computer for free with hopes to sell you parts. Lol If you can, take the vehicle to a nationally recognized parts store, tell them your check engine light is on, and ask if they would scan it for you and tell you the codes. Once you do that, let me know what you find and it will help me to determine possible causes.
Was this
answer
helpful?
Yes
No
Thursday, May 20th, 2021 AT 4:00 PM (Merged)
Tiny
SLATER80801
  • MEMBER
  • 3 POSTS
Thank you Jacobandnickolas so much for leading me in the right direction, Im on social security diaibilty and have a fixed income so anything you can do to help me Im greatfull for, I will get back to you when I get the codes, and let you know what thay say, hope you have a blessed day and God Bless, Rick
Was this
answer
helpful?
Yes
No
Thursday, May 20th, 2021 AT 4:00 PM (Merged)
Tiny
JACOBANDNICKOLAS
  • MECHANIC
  • 110,192 POSTS
I'm glad to help. Keep in touch so I know what you find.

Joe
Was this
answer
helpful?
Yes
No
Thursday, May 20th, 2021 AT 4:00 PM (Merged)
Tiny
STEVEN81
  • MEMBER
  • 1 POST
  • 2000 DODGE CARAVAN
  • 6 CYL
  • FWD
  • AUTOMATIC
It starts fine but when I put it in drive it moves normal but wont pick up speed. Seeks like its not going in the next gear. The speedometer gave out the same time. Does anyone have any idea what's going on here?
Was this
answer
helpful?
Yes
No
Thursday, May 20th, 2021 AT 4:00 PM (Merged)
Tiny
CARADIODOC
  • MECHANIC
  • 34,463 POSTS
Staying in second gear is "limp-in" mode that lets you drive slowly to a repair shop without the need for a tow truck. The most common cause of limp-in is slippage in one of the clutch packs, however, if the speedometer quit too, suspect a problem with the input speed sensor or output speed sensor. Also, clutch slippage will generally send it into limp-in during or right after an upshift while a sensor problem will often make it start out in limp-in right away as soon as the vehicle starts to move.

Your mechanic will connect a scanner that can access the transmission computer to read the diagnostic fault codes. Those codes will lead him to the circuit or system with the problem, not necessarily the specific defective part.

Caradiodoc
Was this
answer
helpful?
Yes
No
Thursday, May 20th, 2021 AT 4:00 PM (Merged)

Please login or register to post a reply.