Transmission not going into gear and getting a lot of codes that involve possible voltage issues?

Tiny
BRANDIB
  • MEMBER
  • 2006 CHRYSLER 300
  • 5.7L
  • V8
  • AUTOMATIC
  • 180,000 MILES
I have a 300c 5.7 hemi and having trouble getting it into go into gear. When I am able to it will stall out pretty quickly and I have to restart it a few times before I can get it going into gear again. I have a lot of codes popping up and they are:

P0731 gear 1 incorrect ratio
P0732 gear 2 incorrect ratio
P0733 gear 3 incorrect ratio
U0101 Lost communication with TCM
P0406 exhaust gas recirculation sensor A circuit high
P0522 engine oil pressure sensor/switch low

This car was owned by someone who had his friends work on it and last repairs were often half done. There is a cigarette lighter plug connected with a red and black wire to each battery terminal in the trunk and I have no idea why. I'm trying to learn about cars and how these things work when diagnosing the problems. So please let me know what you think.
Sunday, September 10th, 2023 AT 9:32 PM

1 Reply

Tiny
KEN L
  • MASTER CERTIFIED MECHANIC
  • 55,522 POSTS
Sure, the code that sticks out to me is the:

U0101 Lost communication with TCM

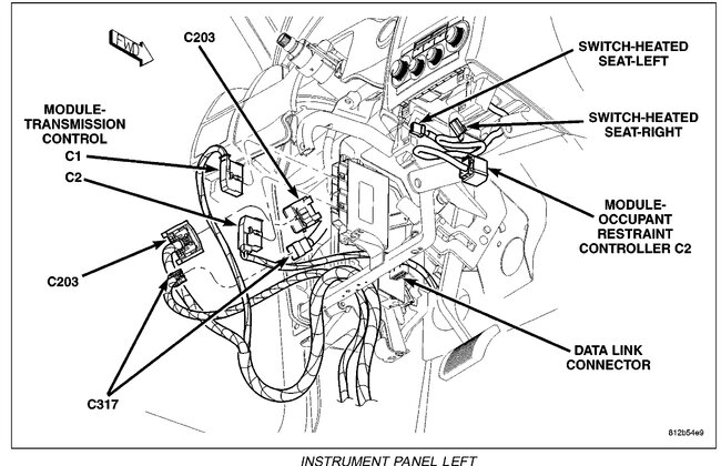
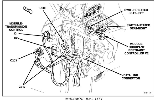
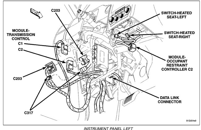
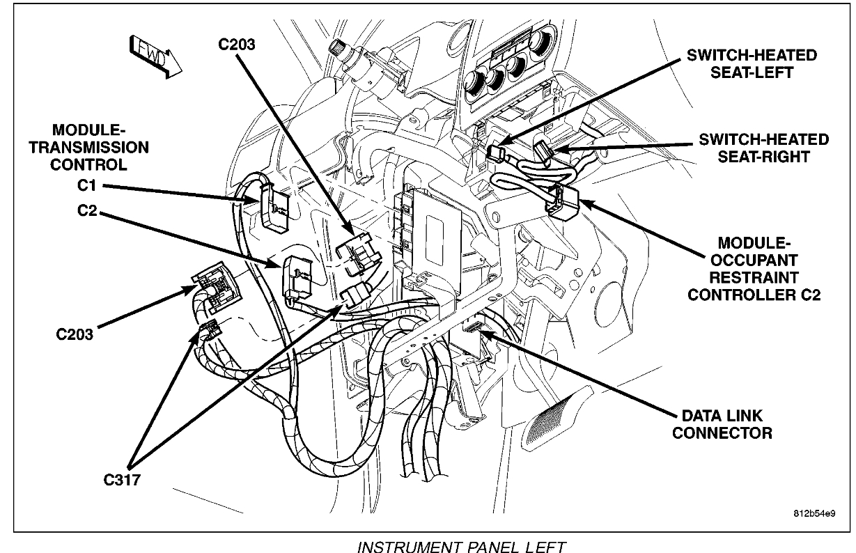
Which can cause the other codes, and the fact that you can turn the car off on then back on again and it works is a classic module rest issue. Here is the location for the TCM so you can look at the electrical connector for corrosion and if okay replace the TCM.

TCM ADAPTATION
The adaptation procedure requires the use of the appropriate scan tool. This program allows the electronic transmission system to re-calibrate itself. This will provide the proper baseline transmission operation. The adaptation procedure should be performed if any of the following procedures are performed:
- Transmission Assembly Replacement
- Transmission Control Module Replacement
- Clutch Plate and/or Seal Replacement
- Electrohydraulic Unit Replacement or Recondition

1. With the scan tool, reset the Transmission adaptives. Resetting the adaptives will set the adaptives to factory settings.

NOTE: Perform the Coast Down Adaptations first. The Transmission Temperature must be greater than 60° C (140° F) and less than 70° C (158° F). Failure to stay within these temperature ranges will void the procedure.

2. Drive the vehicle until the transmission temperature is in the specified range.
3. Perform 4 to 5 coast downs from 5th to 4th gear and then 4th to 3rd gear.

NOTE: For Upshift adaptation, the Transmission temperature must be greater than 60° C (140° F) and less than 100° C (212° F). Failure to stay within these temperature ranges will void this procedure.

4. From a stop, moderately accelerate the vehicle and obtain all forward gear ranges while keeping the Engine RPM below 1800 RPM. Repeat this procedure 4 to 5 times.
5. Obtaining 5th gear may be difficult at 1800 RPM. Allow the transmission to shift into 5th gear at a higher RPM then lower the RPM to 1800 and perform manual shifts between 4th and 5th gears using the shift lever.
6. The TCM will store the adaptives every 10 minutes. After completion of the adaptation procedure make sure the vehicle stays running for at least 10 minutes.
7. It is possible to manually store the adaptives under the 10-minute time frame using the scan tool Store Adaptives procedure.

Check out the images (below). Please let us know how it goes.
Was this
answer
helpful?
Yes
No
Monday, September 11th, 2023 AT 6:05 PM

Please login or register to post a reply.