HOME
ASK A QUESTION
REPAIR GUIDES
BECOME A MEMBER
LOG IN
Login with Facebook
OR
Remember me
NOT A MEMBER?
FORGOT PASSWORD?
CONTACT US
PRIVACY POLICY
TERMS AND CONDITIONS
☰
Home
Kia
Sedona
Drivetrain
Transmission
Transmission control relay location
RICJ0923
MEMBER
2004 KIA SEDONA
3.6L
6 CYL
2WD
AUTOMATIC
96,000 MILES
Where is the Transmission Control Relay?
Friday, July 26th, 2019 AT 9:38 AM
1 Reply
KASEKENNY
MECHANIC
18,907 POSTS
Hi Ricjo923,
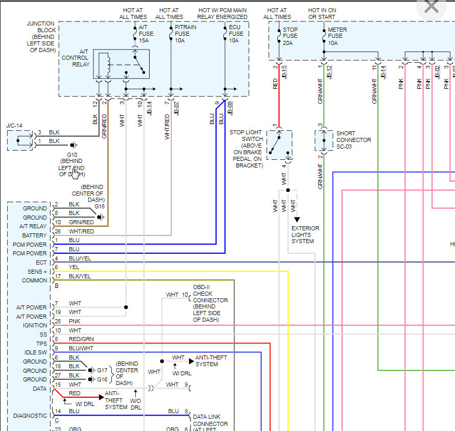
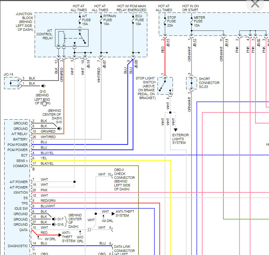
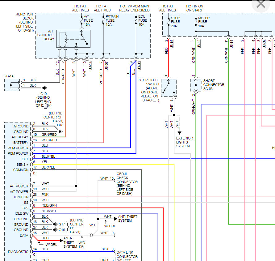
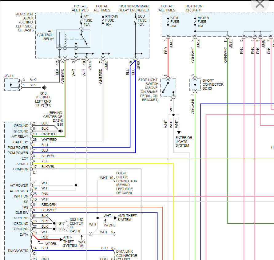
Attached is the wiring diagram and a breakdown of the engine compartment relay box. Looks like it is on the left side called the TNS relay.
Let me know if you need more info. Thanks
Images (Click to make bigger)
Was this
answer
helpful?
Yes
No
Friday, July 26th, 2019 AT 5:01 PM
Please
login
or
register
to post a reply.
Related Transmission Content
Why Is My 2005 Kia Sedona Coming Up With A Gas...
Codes Coming Up After It Not Starting, Gas Temperature High And Transmission Temperature Are High According To The Codes. It Has Left Me...
Asked by
chris05kiasedona
·
3 ANSWERS
2005
KIA SEDONA
VIDEO
Transmission Installation
Instructional repair video
GUIDE
Transmission Automatic
This article explains how an automotive automatic transmission and torque converter works.
2002 Kia Sedona Wheel Bearing Spec
2002 Kia Sedona Torque Spec
Asked by
dan armentrout
·
1 ANSWER
2002
KIA SEDONA
My Kia Sedona Started Making A Grinding Sound When...
My Kia Sedona Started Making A Grinding Sound When Driving Or Turning, If I Keep The Wheel Just Right It Doesn't Then It Got Louder And...
Asked by
Anonymous
·
1 ANSWER
2007
KIA SEDONA
Ask a Car Question. It's Free!
Transmission Installation
Transmission - Manual
Transmission Automatic